k-part
Номер на схеме Каталожный номер Название Количество Детали
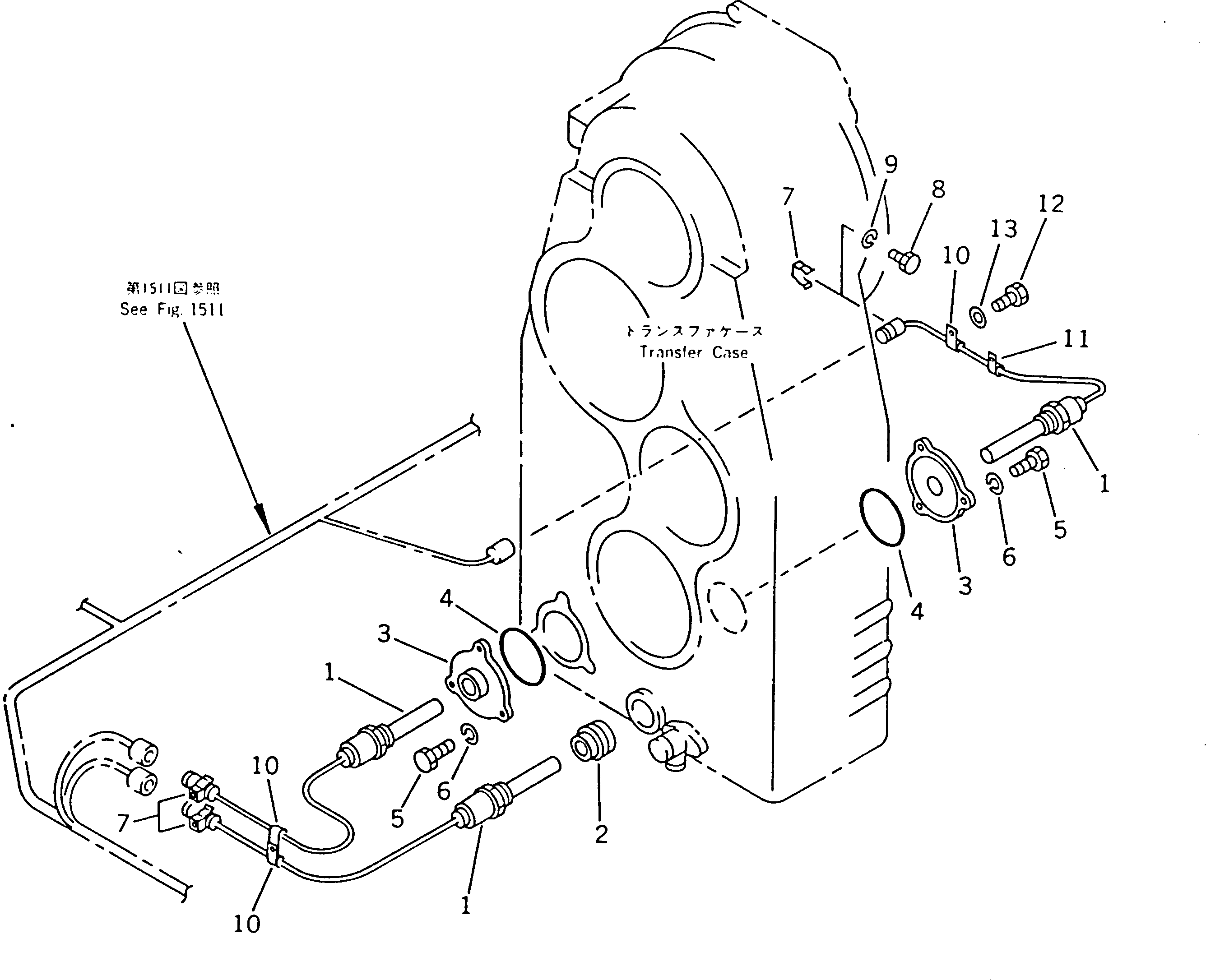
? 600-815-6330 HEATER,TRANSMISSION 3
SN: 10001-
KIT-FLAG: _-
SERIALNO: 10001-
? 426-Z91-1220 PLUG 1
SN: 10001-
KIT-FLAG: _-
SERIALNO: 10001-
? 426-Z91-1210 COVER 2
SN: 10001-
KIT-FLAG: _-
SERIALNO: 10001-
? (07000-42115) O-RING 2
SN: 10001-
KIT-FLAG: _-
SERIALNO: 10001-
? (01010-51230) BOLT 6
SN: 10001-
KIT-FLAG: _-
SERIALNO: 10001-
? (01602-21236) WASHER,SPRING 6
SN: 10001-
KIT-FLAG: _-
SERIALNO: 10001-
? 421-06-12910 CLIP 3
SN: 10001-
KIT-FLAG: _-
SERIALNO: 10001-
? 01010-50610 BOLT 3
SN: 10001-
KIT-FLAG: _-
SERIALNO: 10001-
? 01602-20609 WASHER,SPRING 3
SN: 10001-
KIT-FLAG: _-
SERIALNO: 10001-
? 08036-20810 CLIP 3
SN: 10001-
KIT-FLAG: _-
SERIALNO: 10001-
? 08036-20814 CLIP 1
SN: 10001-
KIT-FLAG: _-
SERIALNO: 10001-
? 01010-51016 BOLT 1
SN: 10001-
KIT-FLAG: _-
SERIALNO: 10001-
? 01643-31032 WASHER 1
SN: 10001-
KIT-FLAG: _-
SERIALNO: 10001-

Wheel Dozers Komatsu / WD600-1H S/N 10001-UP (-50cent. Spec.)(wd600-0c) / OIL HEATER (5/6)(030300 : 1515)