k-part
Номер на схеме Каталожный номер Название Количество Детали
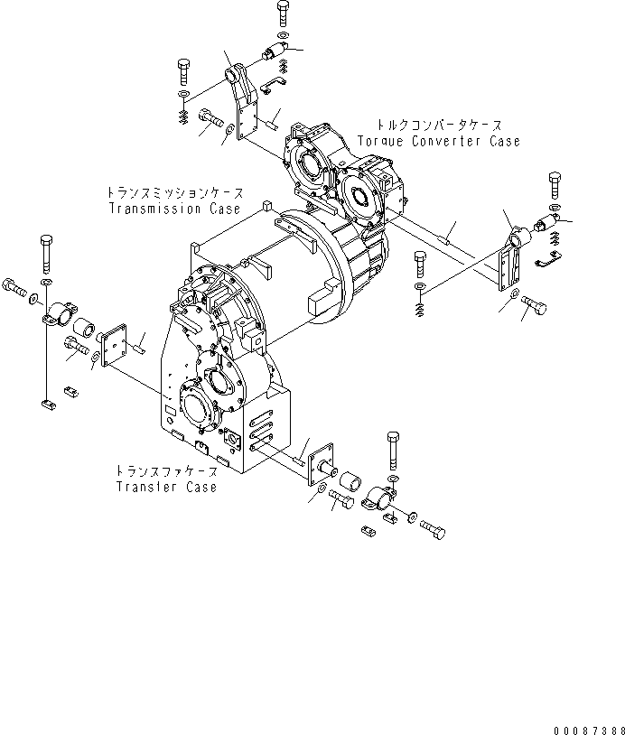
? 426-14-31110 BRACKET 2
SN: 55001-
KIT-FLAG: _-
SERIALNO: 55001-
? 01643-31645 WASHER 8
SN: 55001-
KIT-FLAG: _-
SERIALNO: 55001-
? 01010-61650 BOLT 8
SN: 55001-
KIT-FLAG: _-
SERIALNO: 55001-
? 04020-01228 PIN 4
SN: 55001-
KIT-FLAG: _-
SERIALNO: 55001-
? 566-14-51152 CUSHION 2
SN: 55001-
KIT-FLAG: _-
SERIALNO: 55001-
? 01010-61645 BOLT 8
SN: 55001-
KIT-FLAG: _-
SERIALNO: 55001-
? 01643-31645 WASHER 8
SN: 55001-
KIT-FLAG: _-
SERIALNO: 55001-
? 04020-01228 PIN 4
SN: 55001-
KIT-FLAG: _-
SERIALNO: 55001-

Wheel Dozers Komatsu / WD600-6 S/N 55001-55003(wd600-6c) / TORQUE CONVERTER AND TRANSMISSION (MOUNTING PARTS)(#55001-)(150130 : F4310-11A0)
?
?
?
?
?
?
?
?
?
?
?
?
?
?
?
?