k-part
Номер на схеме Каталожный номер Название Количество Детали
? 02781-0031D UNION 1
SN: 55001-
KIT-FLAG: _-
SERIALNO: 55001-
? 07002-61423 O-RING 1
SN: 55001-
KIT-FLAG: _-
SERIALNO: 55001-
? 425-43-38640 TEE 1
SN: 55001-
KIT-FLAG: _-
SERIALNO: 55001-
? 07002-62034 O-RING 1
SN: 55001-
KIT-FLAG: _-
SERIALNO: 55001-
? 02896-61009 O-RING 2
SN: 55001-
KIT-FLAG: _-
SERIALNO: 55001-
? 418-43-37681 SWITCH 1
SN: 55001-
KIT-FLAG: _-
SERIALNO: 55001-
? 07002-61423 O-RING 1
SN: 55001-
KIT-FLAG: _-
SERIALNO: 55001-
? 02753-00318 HOSE 1
SN: 55001-
KIT-FLAG: _-
SERIALNO: 55001-
? 02755-003A5 HOSE 1
SN: 55001-
KIT-FLAG: _-
SERIALNO: 55001-
? 07002-61423 O-RING 1
SN: 55001-
KIT-FLAG: _-
SERIALNO: 55001-
? 02754-00216 HOSE 1
SN: 55001-
KIT-FLAG: _-
SERIALNO: 55001-
? 582-35-11920 BRACKET 2
SN: 55001-
KIT-FLAG: _-
SERIALNO: 55001-
? 04434-52511 CLIP 2
SN: 55001-
KIT-FLAG: _-
SERIALNO: 55001-
? 07095-20318 CUSHION 2
SN: 55001-
KIT-FLAG: _-
SERIALNO: 55001-
? 04434-51910 CLIP 2
SN: 55001-
KIT-FLAG: _-
SERIALNO: 55001-
? 07095-20213 CUSHION 2
SN: 55001-
KIT-FLAG: _-
SERIALNO: 55001-
? 01010-81025 BOLT 2
SN: 55001-
KIT-FLAG: _-
SERIALNO: 55001-
? 01643-31032 WASHER 2
SN: 55001-
KIT-FLAG: _-
SERIALNO: 55001-
? 01010-81240 BOLT 2
SN: 55001-
KIT-FLAG: _-
SERIALNO: 55001-
? 01643-31232 WASHER 2
SN: 55001-
KIT-FLAG: _-
SERIALNO: 55001-

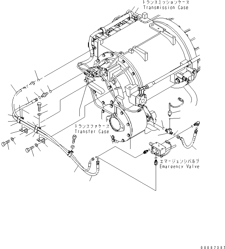
Wheel Dozers Komatsu / WD600-6 S/N 55001-55003(wd600-6c) / TORQUE CONVERTER AND TRANSMISSION (EMERGENCY VALVE PIPING)(#55001-)(150090 : F4310-07A0)
?
?
?
?
?
?
?
?
?
?
?
?
?
?
?
?
?
?
?
?
?
?
?
?
?
?
?
?
?
?