k-part
Номер на схеме Каталожный номер Название Количество Детали
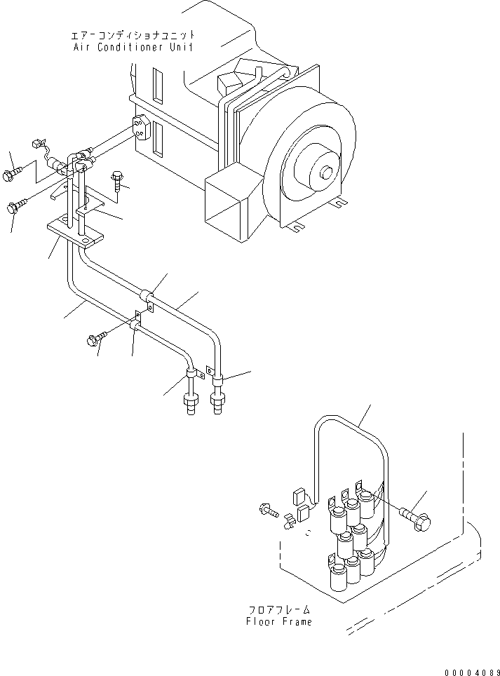
? 427-S62-2171 TUBE 1
SN: 51001-
KIT-FLAG: _-
SERIALNO: 51001-
? 20Y-979-3150 • O-RING 1
SN: 51001-
KIT-FLAG: _-
SERIALNO: 51001-
? 421-07-21810 • SWITCH,PRESSURE 1
SN: 51001-
KIT-FLAG: _-
SERIALNO: 51001-
? 421-07-21820 • WIRING HARNESS 1
SN: 51001-
KIT-FLAG: _-
SERIALNO: 51001-
? 427-S62-2160 TUBE 1
SN: 51001-
KIT-FLAG: _-
SERIALNO: 51001-
? 20Y-979-3130 • O-RING 1
SN: 51001-
KIT-FLAG: _-
SERIALNO: 51001-
? 04434-50810 CLIP 2
SN: 51001-
KIT-FLAG: _-
SERIALNO: 51001-
? 04434-51610 CLIP 2
SN: 51001-
KIT-FLAG: _-
SERIALNO: 51001-
? 01435-01016 BOLT 2
SN: 51001-
KIT-FLAG: _-
SERIALNO: 51001-
? 01435-00630 BOLT 1
SN: 51001-
KIT-FLAG: _-
SERIALNO: 51001-
? 01435-00630 BOLT 1
SN: 51001-
KIT-FLAG: _-
SERIALNO: 51001-
? 421-07-23950 PLATE 1
SN: 51001-
KIT-FLAG: _-
SERIALNO: 51001-
? 421-07-23980 SHEET 1
SN: 51001-
KIT-FLAG: _-
SERIALNO: 51001-
? 01435-00610 BOLT 2
SN: 51001-
KIT-FLAG: _-
SERIALNO: 51001-
? 425-S61-2121 WIRING HARNESS 1
SN: 51001-
KIT-FLAG: _-
SERIALNO: 51001-
? 01435-00612 BOLT 8
SN: 51001-
KIT-FLAG: _-
SERIALNO: 51001-

Wheel Loaders Komatsu / WA700-3 S/N 50001-UP(wa700-3c) / FLOOR (AIR CONDITIONER PIPING AND ELECTRICAL SYSTEM)(#51001-51074)(241700 : K4010-17A0)
?
?
?
?
?
?
?
?
?
?
?
?
?
?