| Номер на схеме | Каталожный номер | Название | Количество | Детали | |||
|---|---|---|---|---|---|---|---|
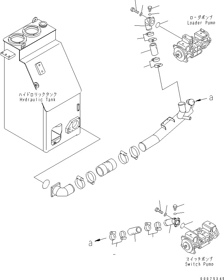
| ? | 07260-08728 | HOSE | 2 | SN: 51075- KIT-FLAG: _- SERIALNO: 51075- |
|||
| ? | 07289-00105 | CLAMP | 6 | SN: 51075- KIT-FLAG: _- SERIALNO: 51075- |
|||
| ? | 428-62-13851 | TUBE | 1 | SN: 51075- KIT-FLAG: _- SERIALNO: 51075- |
|||
| ? | 428-62-13870 | TUBE | 1 | SN: 51075- KIT-FLAG: _- SERIALNO: 51075- |
|||
| ? | 07000-12080 | O-RING | 2 | SN: 51075- KIT-FLAG: _- SERIALNO: 51075- |
|||
| ? | 01643-51232 | WASHER | 8 | SN: 51075- KIT-FLAG: _- SERIALNO: 51075- |
|||
| ? | 07372-21240 | BOLT | 8 | SN: 51075- KIT-FLAG: _- SERIALNO: 51075- |
|||
| ? | 07040-11812 | PLUG | 2 | SN: 51075- KIT-FLAG: _- SERIALNO: 51075- |
|||
| ? | 07002-11823 | O-RING | 2 | SN: 51075- KIT-FLAG: _- SERIALNO: 51075- |