| Номер на схеме | Каталожный номер | Название | Количество | Детали | |||
|---|---|---|---|---|---|---|---|
| ? | (425-15-31001) | TRANSMISSION ASS'Y | 1 | SN: 60005- KIT-FLAG: _- SERIALNO: 60005- |
|||
| ? | (□425-15-31000) | TRANSMISSION ASS'Y | 1 | SN: 60001-60004 KIT-FLAG: _- SERIALNO: 60001-60004 |
|||
| ? | (425-15-31011) | TRANSMISSION ASS'Y,(WITH LOCK-UP) | 1 | SN: 60005- KIT-FLAG: _- SERIALNO: 60005- |
|||
| ? | (□425-15-31010) | TRANSMISSION ASS'Y,(WITH LOCK-UP) | 1 | SN: 60001-60004 KIT-FLAG: _- SERIALNO: 60001-60004 |
|||
| ? | THESE ASSEMBLIES CONSIST OF ALL PARTS SHOWN IN FIGS.F4320-51A0 TO F4320-68A0. | SERIALNO: |
|||||
| ? | (425-15-35001) | • VALVE A. | 1 | SN: 60001- KIT-FLAG: _- SERIALNO: 60001- |
|||
| ? | (☒425-15-35000) | • VALVE A. | 1 | SN: (60001-60004) KIT-FLAG: _- SERIALNO: (60001-60004) |
|||
| ? | THESE ASSEMBLIES CONSISTS OF ALL PARTS SHOWN IN FIGS.F4320-64A0 TO F4320-66A0. | SERIALNO: |
|||||
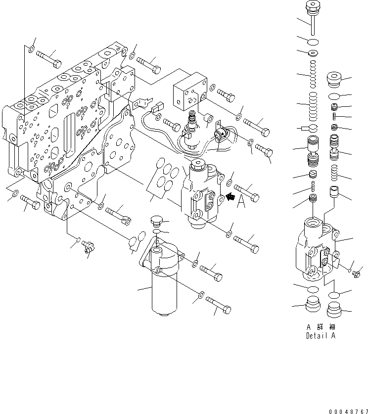
| ? | 425-15-36101 | • • VALVE ASS'Y | 1 | SN: 60001- KIT-FLAG: _- SERIALNO: 60001- |
|||
| ? | 714-24-26130 | • • • VALVE BODY | 1 | SN: 60001- KIT-FLAG: _- SERIALNO: 60001- |
|||
| ? | 708-8E-16150 | • • • PLUG | 2 | SN: 60001- KIT-FLAG: _- SERIALNO: 60001- |
|||
| ? | 07002-61023 | • • • O-RING (K3) | 2 | SN: 60001- KIT-FLAG: _- SERIALNO: 60001- |
|||
| ? | 14X-15-15850 | • • • PLUG | 1 | SN: 60001- KIT-FLAG: _- SERIALNO: 60001- |
|||
| ? | 07002-63034 | • • • O-RING (K3) | 1 | SN: 60001- KIT-FLAG: _- SERIALNO: 60001- |
|||
| ? | 426-15-45230 | • • • VALVE | 1 | SN: 60001- KIT-FLAG: _- SERIALNO: 60001- |
|||
| ? | 426-15-15490 | • • • VALVE | 1 | SN: 60001- KIT-FLAG: _- SERIALNO: 60001- |
|||
| ? | 562-15-16110 | • • • SPRING | 1 | SN: 60001- KIT-FLAG: _- SERIALNO: 60001- |
|||
| ? | 426-15-15480 | • • • VALVE | 1 | SN: 60001- KIT-FLAG: _- SERIALNO: 60001- |
|||
| ? | 56B-15-16660 | • • • SHIM, 0.50MM | 7 | SN: 60001- KIT-FLAG: _- SERIALNO: 60001- |
|||
| ? | 41E-15-16251 | • • • SPRING, (L=128.0) | 1 | SN: 60001- KIT-FLAG: _- SERIALNO: 60001- |
|||
| ? | 426-15-16261 | • • • SPRING, (L=108.0) | 1 | SN: 60001- KIT-FLAG: _- SERIALNO: 60001- |
|||
| ? | 22W-43-17330 | • • • WASHER | 1 | SN: 60001- KIT-FLAG: _- SERIALNO: 60001- |
|||
| ? | 426-15-15810 | • • • PLUG | 1 | SN: 60001- KIT-FLAG: _- SERIALNO: 60001- |
|||
| ? | 07002-63034 | • • • O-RING (K3) | 1 | SN: 60001- KIT-FLAG: _- SERIALNO: 60001- |
|||
| ? | 12H-15-14130 | • • • SPOOL | 1 | SN: 60001- KIT-FLAG: _- SERIALNO: 60001- |
|||
| ? | 104-15-25490 | • • • VALVE | 1 | SN: 60001- KIT-FLAG: _- SERIALNO: 60001- |
|||
| ? | 125-15-15290 | • • • SPRING | 1 | SN: 60001- KIT-FLAG: _- SERIALNO: 60001- |
|||
| ? | 104-15-25480 | • • • VALVE | 1 | SN: 60001- KIT-FLAG: _- SERIALNO: 60001- |
|||
| ? | 14X-15-16210 | • • • SPRING | 1 | SN: 60001- KIT-FLAG: _- SERIALNO: 60001- |
|||
| ? | 12H-15-14140 | • • • GUIDE | 1 | SN: 60001- KIT-FLAG: _- SERIALNO: 60001- |
|||
| ? | 14X-15-15850 | • • • PLUG | 2 | SN: 60001- KIT-FLAG: _- SERIALNO: 60001- |
|||
| ? | 07002-63034 | • • • O-RING (K3) | 2 | SN: 60001- KIT-FLAG: _- SERIALNO: 60001- |
|||
| ? | 07000-73030 | • • O-RING (K3) | 5 | SN: 60001- KIT-FLAG: _- SERIALNO: 60001- |
|||
| ? | 01010-81065 | • • BOLT | 3 | SN: 60001- KIT-FLAG: _- SERIALNO: 60001- |
|||
| ? | 01643-31032 | • • WASHER | 3 | SN: 60001- KIT-FLAG: _- SERIALNO: 60001- |
|||
| ? | 569-15-51721 | • • FILTER ASS'Y | 1 | SN: (101982)- KIT-FLAG: _- SERIALNO: (101982)- |
|||
| ? | 569-15-51720 | • • FILTER ASS'Y | 1 | SN: 60001-(101981) KIT-FLAG: _- SERIALNO: 60001-(101981) |
|||
| ? | 569-15-51731 | • • • ELEMENT ASS'Y | 1 | SN: 60005- KIT-FLAG: _- SERIALNO: 60005- |
|||
| ? | ♦569-15-51730 | • • • ELEMENT ASS'Y | 1 | SN: 60001-60004 KIT-FLAG: _- SERIALNO: 60001-60004 |
|||
| ? | 07000-02060 | • • • O-RING | 1 | SN: 60001- KIT-FLAG: _- SERIALNO: 60001- |
|||
| ? | 07040-11812 | • • PLUG | 1 | SN: 60001- KIT-FLAG: _- SERIALNO: 60001- |
|||
| ? | 07002-61823 | • • O-RING (K3) | 1 | SN: 60001- KIT-FLAG: _- SERIALNO: 60001- |
|||
| ? | 01010-81080 | • • BOLT | 2 | SN: 60001- KIT-FLAG: _- SERIALNO: 60001- |
|||
| ? | 01643-31032 | • • WASHER | 2 | SN: 60001- KIT-FLAG: _- SERIALNO: 60001- |
|||
| ? | 07000-73022 | • • O-RING (K3) | 2 | SN: 60001- KIT-FLAG: _- SERIALNO: 60001- |
|||
| ? | 04434-51710 | • • CLIP | 1 | SN: 60001- KIT-FLAG: _- SERIALNO: 60001- |
|||
| ? | 07095-20211 | • • CUSHION | 1 | SN: 60001- KIT-FLAG: _- SERIALNO: 60001- |
|||
| ? | 01010-81030 | • • BOLT | 1 | SN: 60001- KIT-FLAG: _- SERIALNO: 60001- |
|||
| ? | 01643-31032 | • • WASHER | 1 | SN: 60001- KIT-FLAG: _- SERIALNO: 60001- |
|||
| ? | 195-03-41520 | • • COLLAR | 1 | SN: 60001- KIT-FLAG: _- SERIALNO: 60001- |
|||
| ? | 02782-1062A | • • ELBOW | 1 | SN: 60001- KIT-FLAG: _- SERIALNO: 60001- |
|||
| ? | 07002-62434 | • • O-RING (K3) | 1 | SN: 60001- KIT-FLAG: _- SERIALNO: 60001- |
|||
| ? | 01010-81045 | • BOLT | 1 | SN: 60001- KIT-FLAG: _- SERIALNO: 60001- |
|||
| ? | 01643-31032 | • WASHER | 1 | SN: 60001- KIT-FLAG: _- SERIALNO: 60001- |
|||
| ? | 01010-81055 | • BOLT | 1 | SN: 60001- KIT-FLAG: _- SERIALNO: 60001- |
|||
| ? | 01643-31032 | • WASHER | 1 | SN: 60001- KIT-FLAG: _- SERIALNO: 60001- |
|||
| ? | 01010-81075 | • BOLT | 8 | SN: 60001- KIT-FLAG: _- SERIALNO: 60001- |
|||
| ? | 01643-31032 | • WASHER | 8 | SN: 60001- KIT-FLAG: _- SERIALNO: 60001- |
|||
| ? | 01252-71080 | • BOLT | 1 | SN: 60001- KIT-FLAG: _- SERIALNO: 60001- |
|||
| ? | 01643-31032 | • WASHER | 1 | SN: 60001- KIT-FLAG: _- SERIALNO: 60001- |
|||
| ? | 01010-81095 | • BOLT | 1 | SN: 60001- KIT-FLAG: _- SERIALNO: 60001- |
|||
| ? | 01643-31032 | • WASHER | 1 | SN: 60001- KIT-FLAG: _- SERIALNO: 60001- |
|||
| ? | 01011-81020 | • BOLT | 1 | SN: 60001- KIT-FLAG: _- SERIALNO: 60001- |
|||
| ? | 01643-31032 | • WASHER | 1 | SN: 60001- KIT-FLAG: _- SERIALNO: 60001- |
|||
| ? | 01011-81030 | • BOLT | 1 | SN: 60001- KIT-FLAG: _- SERIALNO: 60001- |
|||
| ? | 01643-31032 | • WASHER | 1 | SN: 60001- KIT-FLAG: _- SERIALNO: 60001- |