| Номер на схеме | Каталожный номер | Название | Количество | Детали | |||
|---|---|---|---|---|---|---|---|
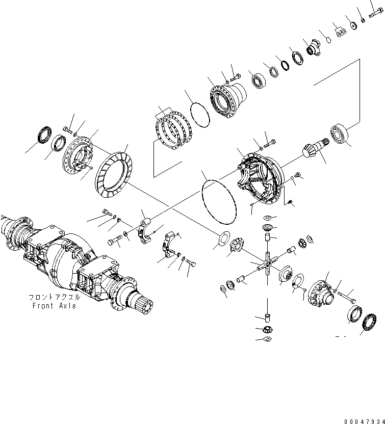
| ? | (425-22-30010) | FRONT AXLE ASS'Y | 1 | SN: 60001-60009 KIT-FLAG: _- SERIALNO: 60001-60009 |
|||
| ? | THIS ASSEMBLY CONSISTS OF ALL PARTS SHOWN IN FIGS.F4400-01A0 TO F4400-07A0. | SERIALNO: |
|||||
| ? | 425-22-31010 | • DIFFERENTIAL ASS'Y | 1 | SN: 60001-60009 KIT-FLAG: _- SERIALNO: 60001-60009 |
|||
| ? | 425-22-31102 | • • CARRIER | 1 | SN: 60001-60009 KIT-FLAG: _- SERIALNO: 60001-60009 |
|||
| ? | ☆ | • • • CARRIER | 1 | SN: 60001-60009 KIT-FLAG: _- SERIALNO: 60001-60009 |
|||
| ? | ☆ | • • • CAP | 2 | SN: 60001-@ KIT-FLAG: _- SERIALNO: 60001-@ |
|||
| ? | 175-21-12180 | • • • PIN | 4 | SN: 60001-@ KIT-FLAG: _- SERIALNO: 60001-@ |
|||
| ? | 01011-63040 | • • • BOLT | 4 | SN: 60001-@ KIT-FLAG: _- SERIALNO: 60001-@ |
|||
| ? | 01643-33080 | • • • WASHER | 4 | SN: 60001-@ KIT-FLAG: _- SERIALNO: 60001-@ |
|||
| ? | 425-22-31140 | • • NUT | 2 | SN: 60001-@ KIT-FLAG: _- SERIALNO: 60001-@ |
|||
| ? | 425-22-31150 | • • PLATE | 2 | SN: 60001-@ KIT-FLAG: _- SERIALNO: 60001-@ |
|||
| ? | 01010-60820 | • • BOLT | 4 | SN: 60001-@ KIT-FLAG: _- SERIALNO: 60001-@ |
|||
| ? | 01643-30823 | • • WASHER | 4 | SN: 60001-@ KIT-FLAG: _- SERIALNO: 60001-@ |
|||
| ? | 425-22-31370 | • • SHIM,1.0MM | 2 | SN: 60001-@ KIT-FLAG: _- SERIALNO: 60001-@ |
|||
| ? | 425-22-31380 | • • SHIM,0.3MM | 2 | SN: 60001-@ KIT-FLAG: _- SERIALNO: 60001-@ |
|||
| ? | 425-22-31390 | • • SHIM,0.2MM | 4 | SN: 60001-@ KIT-FLAG: _- SERIALNO: 60001-@ |
|||
| ? | 425-22-31360 | • • SHIM,0.05MM | 6 | SN: 60001-@ KIT-FLAG: _- SERIALNO: 60001-@ |
|||
| ? | 01010-61655 | • • BOLT | 18 | SN: 60001-@ KIT-FLAG: _- SERIALNO: 60001-@ |
|||
| ? | 01643-31645 | • • WASHER | 18 | SN: 60001-@ KIT-FLAG: _- SERIALNO: 60001-@ |
|||
| ? | 01010-62055 | • • BOLT | 20 | SN: 60001-@ KIT-FLAG: _- SERIALNO: 60001-@ |
|||
| ? | 01643-32060 | • • WASHER | 20 | SN: 60001-@ KIT-FLAG: _- SERIALNO: 60001-@ |
|||
| ? | 425-22-31410 | • • SHAFT | 1 | SN: 60001-@ KIT-FLAG: _- SERIALNO: 60001-@ |
|||
| ? | 425-22-31450 | • • PINION | 4 | SN: 60001-@ KIT-FLAG: _- SERIALNO: 60001-@ |
|||
| ? | 425-22-31431 | • • GEAR | 2 | SN: 60001-@ KIT-FLAG: _- SERIALNO: 60001-@ |
|||
| ? | 425-22-31680 | • • BUSHING | 4 | SN: 60001-@ KIT-FLAG: _- SERIALNO: 60001-@ |
|||
| ? | 425-22-31691 | • • WASHER | 4 | SN: 60001-@ KIT-FLAG: _- SERIALNO: 60001-@ |
|||
| ? | 425-22-31530 | • • WASHER | 2 | SN: 60001-@ KIT-FLAG: _- SERIALNO: 60001-@ |
|||
| ? | 425-22-31501 | • • CASE ASS'Y | 1 | SN: 60001-@ KIT-FLAG: _- SERIALNO: 60001-@ |
|||
| ? | ☆ | • • CASE | 1 | SN: 60001-@ KIT-FLAG: _- SERIALNO: 60001-@ |
|||
| ? | ☆ | • • CASE | 1 | SN: 60001-@ KIT-FLAG: _- SERIALNO: 60001-@ |
|||
| ? | 01011-62040 | • • BOLT | 8 | SN: 60001-@ KIT-FLAG: _- SERIALNO: 60001-@ |
|||
| ? | 01643-32060 | • • WASHER | 8 | SN: 60001-@ KIT-FLAG: _- SERIALNO: 60001-@ |
|||
| ? | 175-21-12180 | • • PIN | 4 | SN: 60001-@ KIT-FLAG: _- SERIALNO: 60001-@ |
|||
| ? | 425-22-31850 | • • BEARING | 2 | SN: 60001-@ KIT-FLAG: _- SERIALNO: 60001-@ |
|||
| ? | 425-22-31201 | • • GEAR ASS'Y | 1 | SN: 60001-@ KIT-FLAG: _- SERIALNO: 60001-@ |
|||
| ? | ☆ | • • • PINION | 1 | SN: 60001-@ KIT-FLAG: _- SERIALNO: 60001-@ |
|||
| ? | ☆ | • • • GEAR | 1 | SN: 60001-@ KIT-FLAG: _- SERIALNO: 60001-@ |
|||
| ? | 425-22-31130 | • • CAGE | 1 | SN: 60001-60009 KIT-FLAG: _- SERIALNO: 60001-60009 |
|||
| ? | 426-22-31820 | • • BEARING | 1 | SN: 60001-@ KIT-FLAG: _- SERIALNO: 60001-@ |
|||
| ? | 421-22-31820 | • • BEARING | 1 | SN: 60001-@ KIT-FLAG: _- SERIALNO: 60001-@ |
|||
| ? | 07000-15310 | • • O-RING | 1 | SN: 60001-@ KIT-FLAG: _- SERIALNO: 60001-@ |
|||
| ? | 421-22-31771 | • • SEAL | 1 | SN: 60001-@ KIT-FLAG: _- SERIALNO: 60001-@ |
|||
| ? | 421-22-31761 | • • SEAL | 1 | SN: 60001-@ KIT-FLAG: _- SERIALNO: 60001-@ |
|||
| ? | 425-22-31230 | • • COUPLING | 1 | SN: 60001-@ KIT-FLAG: _- SERIALNO: 60001-@ |
|||
| ? | 421-22-31310 | • • PROTECTOR | 1 | SN: 60001-@ KIT-FLAG: _- SERIALNO: 60001-@ |
|||
| ? | 07000-15065 | • • O-RING | 1 | SN: 60001-@ KIT-FLAG: _- SERIALNO: 60001-@ |
|||
| ? | 425-22-31240 | • • HOLDER | 1 | SN: 60001-@ KIT-FLAG: _- SERIALNO: 60001-@ |
|||
| ? | 01051-62445 | • • BOLT | 1 | SN: 60001-@ KIT-FLAG: _- SERIALNO: 60001-@ |
|||
| ? | 01643-32460 | • • WASHER | 1 | SN: 60001-@ KIT-FLAG: _- SERIALNO: 60001-@ |
|||
| ? | 425-22-31570 | • • SHIM,0.05MM | 3 | SN: 60001-@ KIT-FLAG: _- SERIALNO: 60001-@ |
|||
| ? | 425-22-31580 | • • SHIM,0.2MM | 2 | SN: 60001-@ KIT-FLAG: _- SERIALNO: 60001-@ |
|||
| ? | 425-22-31590 | • • SHIM,0.5MM | 2 | SN: 60001-@ KIT-FLAG: _- SERIALNO: 60001-@ |
|||
| ? | 07040-13316 | • • PLUG | 1 | SN: 60001-@ KIT-FLAG: _- SERIALNO: 60001-@ |
|||
| ? | 07002-13334 | • • O-RING | 1 | SN: 60001-@ KIT-FLAG: _- SERIALNO: 60001-@ |
|||
| ? | 287-35-11470 | • • PLUG | 1 | SN: 60001-@ KIT-FLAG: _- SERIALNO: 60001-@ |
|||
| ? | 01010-62050 | • • BOLT | 18 | SN: 60001-@ KIT-FLAG: _- SERIALNO: 60001-@ |
|||
| ? | 01643-32060 | • • WASHER | 18 | SN: 60001-@ KIT-FLAG: _- SERIALNO: 60001-@ |
|||
| ? | 14X-27-11170 | • • O-RING | 1 | SN: 60001-@ KIT-FLAG: _- SERIALNO: 60001-@ |
|||
| ? | 04020-01638 | • • PIN | 1 | SN: 60001-@ KIT-FLAG: _- SERIALNO: 60001-@ |