| Номер на схеме | Каталожный номер | Название | Количество | Детали | |||
|---|---|---|---|---|---|---|---|
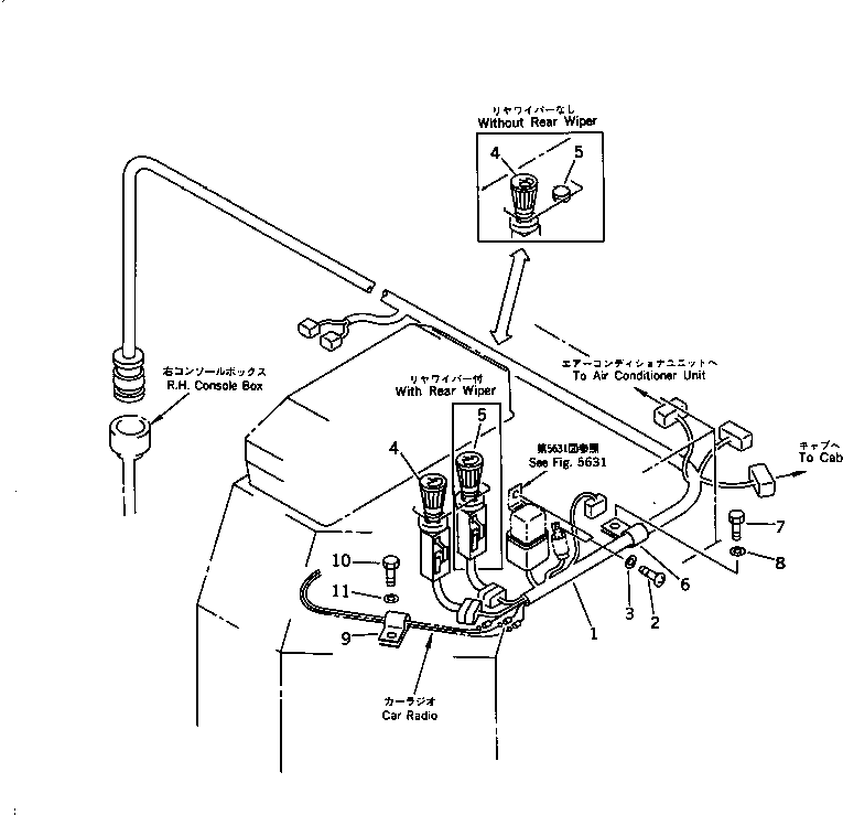
| ? | 421-06-12581 | WIRE ASS'Y | 1 | SN: 11061- KIT-FLAG: _- SERIALNO: 11061- |
|||
| ? | 425-963-1511 | WIRE ASS'Y | 1 | SN: 10360-11060 KIT-FLAG: _- SERIALNO: 10360-11060 |
|||
| ? | 01220-40610 | SCREW | 2 | SN: 10360- KIT-FLAG: _- SERIALNO: 10360- |
|||
| ? | 01641-20608 | WASHER | 2 | SN: 10360- KIT-FLAG: _- SERIALNO: 10360- |
|||
| ? | 421-06-16141 | SWITCH,WIPER, FRONT | 1 | SN: 10001- KIT-FLAG: _- SERIALNO: 10001- |
|||
| ? | 421-06-16150 | SWITCH,WIPER, REAR (WITH REAR WIPER) | 1 | SN: 10001- KIT-FLAG: _- SERIALNO: 10001- |
|||
| ? | 09415-00506 | CAP,(WITHOUT REAR WIPER) | 1 | SN: 10001- KIT-FLAG: _- SERIALNO: 10001- |
|||
| ? | 08036-01814 | CLIP | 1 | SN: 10001- KIT-FLAG: _- SERIALNO: 10001- |
|||
| ? | 01010-51020 | BOLT | 1 | SN: 10001- KIT-FLAG: _- SERIALNO: 10001- |
|||
| ? | 01643-31032 | WASHER | 1 | SN: 10001- KIT-FLAG: _- SERIALNO: 10001- |
|||
| ? | 08036-10814 | CLIP | 1 | SN: 10001- KIT-FLAG: _- SERIALNO: 10001- |
|||
| ? | 01010-51020 | BOLT | 1 | SN: 10001- KIT-FLAG: _- SERIALNO: 10001- |
|||
| ? | 01643-31032 | WASHER | 1 | SN: 10001- KIT-FLAG: _- SERIALNO: 10001- |
