| Номер на схеме | Каталожный номер | Название | Количество | Детали | |||
|---|---|---|---|---|---|---|---|
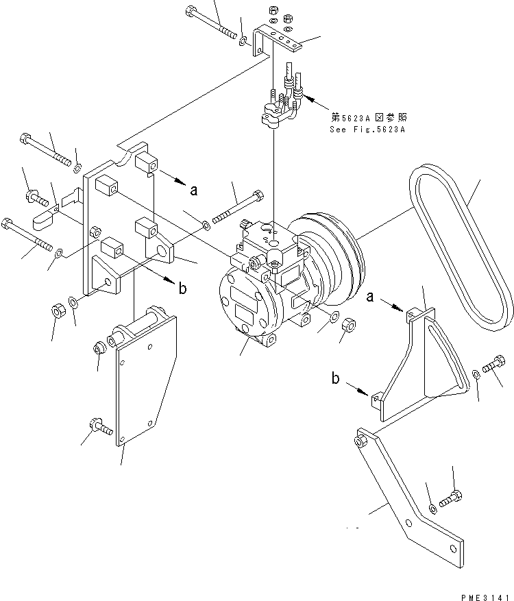
| ? | (425-07-21180) | AIR COMPRESSOR A. | 1 | SN: 11541- KIT-FLAG: _- SERIALNO: 11541- |
|||
| ? | (□20Y-979-3110) | AIR COMPRESSOR A. | 1 | SN: 10881-11540 KIT-FLAG: _- SERIALNO: 10881-11540 |
|||
| ? | 426-S62-1191 | BRACKET | 1 | SN: 10881- KIT-FLAG: _- SERIALNO: 10881- |
|||
| ? | 6204-81-6810 | BOLT | 4 | SN: 10881- KIT-FLAG: _- SERIALNO: 10881- |
|||
| ? | 01643-30823 | WASHER | 5 | SN: 10881- KIT-FLAG: _- SERIALNO: 10881- |
|||
| ? | 01580-10806 | NUT | 1 | SN: 10881- KIT-FLAG: _- SERIALNO: 10881- |
|||
| ? | 426-963-1121 | BRACKET | 1 | SN: 10881- KIT-FLAG: _- SERIALNO: 10881- |
|||
| ? | 01435-01020 | BOLT | 4 | SN: 10881- KIT-FLAG: _- SERIALNO: 10881- |
|||
| ? | 6206-81-6920 | BOLT | 1 | SN: 11342- KIT-FLAG: _- SERIALNO: 11342- |
|||
| ? | 01643-31232 | WASHER | 2 | SN: 10881- KIT-FLAG: _- SERIALNO: 10881- |
|||
| ? | 419-07-11761 | COLLAR | 1 | SN: 11342- KIT-FLAG: _- SERIALNO: 11342- |
|||
| ? | 01580-11210 | NUT | 1 | SN: 10881- KIT-FLAG: _- SERIALNO: 10881- |
|||
| ? | 428-S62-1330 | BRACKET,ADJUST | 1 | SN: 11342- KIT-FLAG: _- SERIALNO: 11342- |
|||
| ? | 426-T46-1211 | PLATE | 1 | SN: 11342- KIT-FLAG: _- SERIALNO: 11342- |
|||
| ? | 01010-81035 | BOLT | 1 | SN: 11342- KIT-FLAG: _- SERIALNO: 11342- |
|||
| ? | 01643-31032 | WASHER | 1 | SN: 10881- KIT-FLAG: _- SERIALNO: 10881- |
|||
| ? | 01010-81295 | BOLT | 2 | SN: 10881- KIT-FLAG: _- SERIALNO: 10881- |
|||
| ? | 01643-51232 | WASHER | 2 | SN: 10881- KIT-FLAG: _- SERIALNO: 10881- |
|||
| ? | 04120-21738 | V-BELT | 1 | SN: 11342- KIT-FLAG: _- SERIALNO: 11342- |
|||
| ? | 04435-51410 | CLIP | 1 | SN: 11342- KIT-FLAG: _- SERIALNO: 11342- |
|||
| ? | 01435-51020 | BOLT | 1 | SN: 11342- KIT-FLAG: _- SERIALNO: 11342- |
|||
| ? | 426-S62-1230 | PLATE | 1 | SN: 11342- KIT-FLAG: _- SERIALNO: 11342- |