| Номер на схеме | Каталожный номер | Название | Количество | Детали | |||
|---|---|---|---|---|---|---|---|
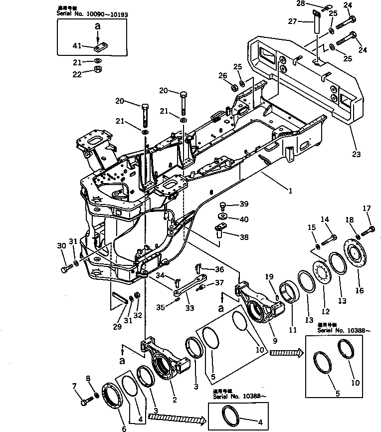
| ? | 426-46-12526 | FRAME,REAR | 1 | SN: 11061- KIT-FLAG: _- SERIALNO: 11061- |
|||
| ? | 426-46-12525 | FRAME,REAR | 1 | SN: 10403-11060 KIT-FLAG: _- SERIALNO: 10403-11060 |
|||
| ? | 426-46-12524 | FRAME,REAR | 1 | SN: 10382-10402 KIT-FLAG: _- SERIALNO: 10382-10402 |
|||
| ? | □426-46-12523 | FRAME,REAR | 1 | SN: 10360-10381 KIT-FLAG: _- SERIALNO: 10360-10381 |
|||
| ? | □426-46-12522 | FRAME,REAR | 1 | SN: 10185-10359 KIT-FLAG: _- SERIALNO: 10185-10359 |
|||
| ? | 426-46-12521 | FRAME,REAR | 1 | SN: .-10184 KIT-FLAG: _- SERIALNO: .-10184 |
|||
| ? | □426-46-12112 | FRAME,REAR | 1 | SN: 10001-. KIT-FLAG: _- SERIALNO: 10001-. |
|||
| ? | 426-S33-1530 | FRAME,REAR (FOR JOY STICK STEERING) | 1 | SN: 11061- KIT-FLAG: _- SERIALNO: 11061- |
|||
| ? | 426-Z02-1210 | FRAME,REAR (FOR WATER SEPARATOR) | 1 | SN: 10001- KIT-FLAG: _- SERIALNO: 10001- |
|||
| ? | 426-46-12166 | SUPPORT,FRONT | 1 | SN: 10831- KIT-FLAG: _- SERIALNO: 10831- |
|||
| ? | 426-46-12165 | SUPPORT,FRONT | 1 | SN: 10279-10830 KIT-FLAG: _- SERIALNO: 10279-10830 |
|||
| ? | □426-46-12164 | SUPPORT,FRONT | 1 | SN: 10223-10278 KIT-FLAG: _- SERIALNO: 10223-10278 |
|||
| ? | □426-46-12163 | SUPPORT,FRONT | 1 | SN: 10001-10222 KIT-FLAG: _- SERIALNO: 10001-10222 |
|||
| ? | 426-46-12231 | BUSHING | 2 | SN: 10001- KIT-FLAG: _- SERIALNO: 10001- |
|||
| ? | 426-46-12341 | PACKING | 1 | SN: 10400- KIT-FLAG: _- SERIALNO: 10400- |
|||
| ? | □426-46-12340 | O-RING | 1 | SN: 10001-10339 KIT-FLAG: _- SERIALNO: 10001-10339 |
|||
| ? | 426-46-12351 | PACKING | 1 | SN: 10400- KIT-FLAG: _- SERIALNO: 10400- |
|||
| ? | □426-46-12350 | O-RING | 1 | SN: 10001-10399 KIT-FLAG: _- SERIALNO: 10001-10399 |
|||
| ? | 426-46-12141 | RETAINER | 1 | SN: 10001- KIT-FLAG: _- SERIALNO: 10001- |
|||
| ? | 01010-81245 | BOLT | 12 | SN: 10001- KIT-FLAG: _- SERIALNO: 10001- |
|||
| ? | 01643-31232 | WASHER | 12 | SN: 10001- KIT-FLAG: _- SERIALNO: 10001- |
|||
| ? | 426-46-12173 | SUPPORT,REAR | 1 | SN: 10223- KIT-FLAG: _- SERIALNO: 10223- |
|||
| ? | □426-46-12172 | SUPPORT,REAR | 1 | SN: 10001-10222 KIT-FLAG: _- SERIALNO: 10001-10222 |
|||
| ? | 425-46-12251 | PACKING | 1 | SN: 10400- KIT-FLAG: _- SERIALNO: 10400- |
|||
| ? | □425-46-12250 | SEAL | 1 | SN: 10001-10399 KIT-FLAG: _- SERIALNO: 10001-10399 |
|||
| ? | 426-46-12221 | BUSHING | 1 | SN: 10001- KIT-FLAG: _- SERIALNO: 10001- |
|||
| ? | 426-46-12190 | PLATE,THRUST | 1 | SN: 10001- KIT-FLAG: _- SERIALNO: 10001- |
|||
| ? | 426-46-12211 | WASHER,THRUST | 2 | SN: 10759- KIT-FLAG: _- SERIALNO: 10759- |
|||
| ? | □426-46-12210 | WASHER,THRUST | 2 | SN: 10001-10758 KIT-FLAG: _- SERIALNO: 10001-10758 |
|||
| ? | 01010-61680 | BOLT | 12 | SN: 10001- KIT-FLAG: _- SERIALNO: 10001- |
|||
| ? | 01643-31645 | WASHER | 12 | SN: 10001- KIT-FLAG: _- SERIALNO: 10001- |
|||
| ? | 426-46-81670 | COVER | 1 | SN: 10001- KIT-FLAG: _- SERIALNO: 10001- |
|||
| ? | 01010-51670 | BOLT | 12 | SN: 10001- KIT-FLAG: _- SERIALNO: 10001- |
|||
| ? | 01643-31645 | WASHER | 12 | SN: 10001- KIT-FLAG: _- SERIALNO: 10001- |
|||
| ? | 04020-01842 | PIN,DOWEL | 1 | SN: 10001- KIT-FLAG: _- SERIALNO: 10001- |
|||
| ? | 426-46-12131 | BOLT | 8 | SN: 10222- KIT-FLAG: _- SERIALNO: 10222- |
|||
| ? | 426-46-12921 | BOLT | 8 | SN: 10185-10221 KIT-FLAG: _- SERIALNO: 10185-10221 |
|||
| ? | 426-46-12131 | BOLT | 8 | SN: 10001-10184 KIT-FLAG: _- SERIALNO: 10001-10184 |
|||
| ? | 426-46-11711 | WASHER | 16 | SN: 10001- KIT-FLAG: _- SERIALNO: 10001- |
|||
| ? | 01580-03629 | NUT | 8 | SN: 10064- KIT-FLAG: _- SERIALNO: 10064- |
|||
| ? | □426-46-11150 | NUT | 8 | SN: 10001-10063 KIT-FLAG: _- SERIALNO: 10001-10063 |
|||
| ? | 426-46-13115 | WEIGHT,2314KG,COUNTER | 1 | SN: 10577- KIT-FLAG: _- SERIALNO: 10577- |
|||
| ? | 426-46-13114 | WEIGHT,2314KG,COUNTER | 1 | SN: .-10576 KIT-FLAG: _- SERIALNO: .-10576 |
|||
| ? | □426-46-13113 | WEIGHT,2710KG,COUNTER | 1 | SN: 10001-. KIT-FLAG: _- SERIALNO: 10001-. |
|||
| ? | 01011-63690 | BOLT | 4 | SN: 10577- KIT-FLAG: _- SERIALNO: 10577- |
|||
| ? | 01011-63090 | BOLT | 4 | SN: 10001-10576 KIT-FLAG: _- SERIALNO: 10001-10576 |
|||
| ? | 01643-33690 | WASHER | 6 | SN: 10577- KIT-FLAG: _- SERIALNO: 10577- |
|||
| ? | 01643-33080 | WASHER | 6 | SN: 10001-10576 KIT-FLAG: _- SERIALNO: 10001-10576 |
|||
| ? | 01596-03629 | NUT,LOCK | 2 | SN: 10577- KIT-FLAG: _- SERIALNO: 10577- |
|||
| ? | 426-46-13130 | NUT,LOCK | 2 | SN: 10001-10576 KIT-FLAG: _- SERIALNO: 10001-10576 |
|||
| ? | 426-46-13210 | PIN | 1 | SN: 10001- KIT-FLAG: _- SERIALNO: 10001- |
|||
| ? | 425-46-13130 | PIN,LINCH | 1 | SN: 10001- KIT-FLAG: _- SERIALNO: 10001- |
|||
| ? | 426-46-12360 | PLATE | 1 | SN: 10001- KIT-FLAG: _- SERIALNO: 10001- |
|||
| ? | 01010-81245 | BOLT | 2 | SN: 10001- KIT-FLAG: _- SERIALNO: 10001- |
|||
| ? | 01643-31232 | WASHER | 4 | SN: 10001- KIT-FLAG: _- SERIALNO: 10001- |
|||
| ? | 01596-01211 | NUT,LOCK | 2 | SN: 10001- KIT-FLAG: _- SERIALNO: 10001- |
|||
| ? | 426-46-12411 | BAR,LOCK | 1 | SN: 10001- KIT-FLAG: _- SERIALNO: 10001- |
|||
| ? | 426-46-12330 | PIN | 1 | SN: 10001- KIT-FLAG: _- SERIALNO: 10001- |
|||
| ? | 04050-10070 | • PIN,SPRING | 1 | SN: 10333- KIT-FLAG: _- SERIALNO: 10333- |
|||
| ? | 04050-10060 | • PIN,SPRING | 1 | SN: 10001-10332 KIT-FLAG: _- SERIALNO: 10001-10332 |
|||
| ? | 426-46-12420 | PIN | 1 | SN: 10001- KIT-FLAG: _- SERIALNO: 10001- |
|||
| ? | 426-46-12290 | LINCH PIN ASS'Y,LINCH | 1 | SN: 10001- KIT-FLAG: _- SERIALNO: 10001- |
|||
| ? | 426-46-12120 | PIN | 2 | SN: 10001- KIT-FLAG: _- SERIALNO: 10001- |
|||
| ? | 01010-31625 | BOLT | 2 | SN: 10001- KIT-FLAG: _- SERIALNO: 10001- |
|||
| ? | 421-70-11280 | WASHER | 2 | SN: 10001- KIT-FLAG: _- SERIALNO: 10001- |
|||
| ? | 426-46-12910 | PLATE | 4 | SN: 10185-10221 KIT-FLAG: _- SERIALNO: 10185-10221 |
