| Номер на схеме | Каталожный номер | Название | Количество | Детали | |||
|---|---|---|---|---|---|---|---|
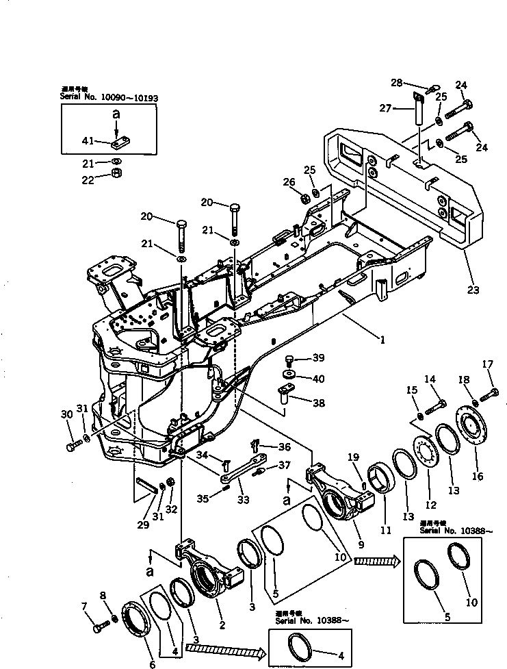
| ? | 426-46-12612 | FRAME,REAR | 1 | SN: 11491- KIT-FLAG: _- SERIALNO: 11491- |
|||
| ? | 426-46-12611 | FRAME,REAR | 1 | SN: 11193-11490 KIT-FLAG: _- SERIALNO: 11193-11490 |
|||
| ? | 426-46-12610 | FRAME,REAR | 1 | SN: 10881-11192 KIT-FLAG: _- SERIALNO: 10881-11192 |
|||
| ? | 426-46-12119 | FRAME,REAR | 1 | SN: 10577-10880 KIT-FLAG: _- SERIALNO: 10577-10880 |
|||
| ? | 426-46-12118 | FRAME,REAR | 1 | SN: 10458-10576 KIT-FLAG: _- SERIALNO: 10458-10576 |
|||
| ? | 426-46-12117 | FRAME,REAR | 1 | SN: 10382-10457 KIT-FLAG: _- SERIALNO: 10382-10457 |
|||
| ? | □426-46-12116 | FRAME,REAR | 1 | SN: 10352-10381 KIT-FLAG: _- SERIALNO: 10352-10381 |
|||
| ? | □426-46-12114 | FRAME,REAR | 1 | SN: 10104-10351 KIT-FLAG: _- SERIALNO: 10104-10351 |
|||
| ? | 426-46-12113 | FRAME,REAR | 1 | SN: .-10103 KIT-FLAG: _- SERIALNO: .-10103 |
|||
| ? | □426-46-12112 | FRAME,REAR | 1 | SN: 10001-. KIT-FLAG: _- SERIALNO: 10001-. |
|||
| ? | 426-974-1130 | FRAME,REAR (FOR LOG) | 1 | SN: 10001- KIT-FLAG: _- SERIALNO: 10001- |
|||
| ? | 426-U68-1112 | FRAME,REAR (FOR LOG) (FOR SHORT ARM) | 1 | SN: 11502- KIT-FLAG: _- SERIALNO: 11502- |
|||
| ? | 426-U68-1111 | FRAME,REAR (FOR LOG) (FOR SHORT ARM) | 1 | SN: 10001-11501 KIT-FLAG: _- SERIALNO: 10001-11501 |
|||
| ? | 426-Z84-1390 | FRAME,REAR (FOR NOISE ABETMENT) | 1 | SN: 10001- KIT-FLAG: _- SERIALNO: 10001- |
|||
| ? | 426-S33-1530 | FRAME,REAR (FOR JOY STICK STEERING) | 1 | SN: 10881- KIT-FLAG: _- SERIALNO: 10881- |
|||
| ? | 426-Z02-1210 | FRAME,REAR (FOR WATER SEPARATOR) | 1 | SN: 10001- KIT-FLAG: _- SERIALNO: 10001- |
|||
| ? | 426-46-12166 | SUPPORT,FRONT | 1 | SN: 11048- KIT-FLAG: _- SERIALNO: 11048- |
|||
| ? | 426-46-12165 | SUPPORT,FRONT | 1 | SN: 10280-11047 KIT-FLAG: _- SERIALNO: 10280-11047 |
|||
| ? | □426-46-12164 | SUPPORT,FRONT | 1 | SN: 10151-10279 KIT-FLAG: _- SERIALNO: 10151-10279 |
|||
| ? | □426-46-12163 | SUPPORT,FRONT | 1 | SN: 10001-10150 KIT-FLAG: _- SERIALNO: 10001-10150 |
|||
| ? | 426-46-12231 | BUSHING | 2 | SN: 10001- KIT-FLAG: _- SERIALNO: 10001- |
|||
| ? | 426-46-12341 | PACKING | 1 | SN: 10388- KIT-FLAG: _- SERIALNO: 10388- |
|||
| ? | □426-46-12340 | O-RING | 1 | SN: 10001-10387 KIT-FLAG: _- SERIALNO: 10001-10387 |
|||
| ? | 426-46-12351 | PACKING | 1 | SN: 10388- KIT-FLAG: _- SERIALNO: 10388- |
|||
| ? | □426-46-12350 | O-RING | 1 | SN: 10001-10387 KIT-FLAG: _- SERIALNO: 10001-10387 |
|||
| ? | 426-46-12141 | RETAINER | 1 | SN: 10001- KIT-FLAG: _- SERIALNO: 10001- |
|||
| ? | 01010-81245 | BOLT | 12 | SN: 10001- KIT-FLAG: _- SERIALNO: 10001- |
|||
| ? | 01643-31232 | WASHER | 12 | SN: 10001- KIT-FLAG: _- SERIALNO: 10001- |
|||
| ? | 426-46-12173 | SUPPORT,REAR | 1 | SN: 10149- KIT-FLAG: _- SERIALNO: 10149- |
|||
| ? | □426-46-12172 | SUPPORT,REAR | 1 | SN: 10001-10148 KIT-FLAG: _- SERIALNO: 10001-10148 |
|||
| ? | 426-46-12251 | PACKING | 1 | SN: 10388- KIT-FLAG: _- SERIALNO: 10388- |
|||
| ? | □426-46-12250 | O-RING | 1 | SN: 10001-10387 KIT-FLAG: _- SERIALNO: 10001-10387 |
|||
| ? | 426-46-12221 | BUSHING | 1 | SN: 10001- KIT-FLAG: _- SERIALNO: 10001- |
|||
| ? | 426-46-12190 | PLATE,THRUST | 1 | SN: 10001- KIT-FLAG: _- SERIALNO: 10001- |
|||
| ? | 426-46-12211 | WASHER,THRUST | 2 | SN: 10759- KIT-FLAG: _- SERIALNO: 10759- |
|||
| ? | □426-46-12210 | WASHER,THRUST | 2 | SN: 10001-10758 KIT-FLAG: _- SERIALNO: 10001-10758 |
|||
| ? | 01010-61680 | BOLT | 12 | SN: 10001- KIT-FLAG: _- SERIALNO: 10001- |
|||
| ? | 01643-31645 | WASHER | 12 | SN: 10001- KIT-FLAG: _- SERIALNO: 10001- |
|||
| ? | 426-46-81670 | COVER | 1 | SN: 10001- KIT-FLAG: _- SERIALNO: 10001- |
|||
| ? | 01010-51670 | BOLT | 12 | SN: 10001- KIT-FLAG: _- SERIALNO: 10001- |
|||
| ? | 01643-31645 | WASHER | 12 | SN: 10001- KIT-FLAG: _- SERIALNO: 10001- |
|||
| ? | 04020-01842 | PIN,DOWEL | 1 | SN: 10001- KIT-FLAG: _- SERIALNO: 10001- |
|||
| ? | 426-46-12131 | BOLT | 8 | SN: 10194- KIT-FLAG: _- SERIALNO: 10194- |
|||
| ? | 426-46-12920 | BOLT | 8 | SN: 10090-10193 KIT-FLAG: _- SERIALNO: 10090-10193 |
|||
| ? | 426-46-12131 | BOLT | 8 | SN: 10001-10089 KIT-FLAG: _- SERIALNO: 10001-10089 |
|||
| ? | 426-46-11711 | WASHER | 16 | SN: 10001- KIT-FLAG: _- SERIALNO: 10001- |
|||
| ? | 01580-03629 | NUT | 8 | SN: 10020- KIT-FLAG: _- SERIALNO: 10020- |
|||
| ? | □426-46-11150 | NUT | 8 | SN: 10001-10019 KIT-FLAG: _- SERIALNO: 10001-10019 |
|||
| ? | 426-46-13115 | WEIGHT,2314KG,COUNTER | 1 | SN: 10577- KIT-FLAG: _- SERIALNO: 10577- |
|||
| ? | 426-46-13114 | WEIGHT,2314KG,COUNTER | 1 | SN: .-10576 KIT-FLAG: _- SERIALNO: .-10576 |
|||
| ? | □426-46-13113 | WEIGHT,2710KG,COUNTER | 1 | SN: 10001-. KIT-FLAG: _- SERIALNO: 10001-. |
|||
| ? | 01011-63690 | BOLT | 4 | SN: 10577- KIT-FLAG: _- SERIALNO: 10577- |
|||
| ? | 01011-63090 | BOLT | 4 | SN: 10001-10576 KIT-FLAG: _- SERIALNO: 10001-10576 |
|||
| ? | 01643-33690 | WASHER | 6 | SN: 10577- KIT-FLAG: _- SERIALNO: 10577- |
|||
| ? | 01643-33080 | WASHER | 6 | SN: 10001-10576 KIT-FLAG: _- SERIALNO: 10001-10576 |
|||
| ? | 01596-03629 | NUT,LOCK | 2 | SN: 10577- KIT-FLAG: _- SERIALNO: 10577- |
|||
| ? | 426-46-13130 | NUT,LOCK | 2 | SN: 10001-10576 KIT-FLAG: _- SERIALNO: 10001-10576 |
|||
| ? | 426-46-13121 | PIN | 1 | SN: 10001- KIT-FLAG: _- SERIALNO: 10001- |
|||
| ? | 425-46-13130 | PIN,LINCH | 1 | SN: 10001- KIT-FLAG: _- SERIALNO: 10001- |
|||
| ? | 426-46-12360 | PLATE | 1 | SN: 10001- KIT-FLAG: _- SERIALNO: 10001- |
|||
| ? | 01010-81245 | BOLT | 2 | SN: 10001- KIT-FLAG: _- SERIALNO: 10001- |
|||
| ? | 01643-31232 | WASHER | 4 | SN: 10001- KIT-FLAG: _- SERIALNO: 10001- |
|||
| ? | 01596-01211 | NUT,LOCK | 2 | SN: 10001- KIT-FLAG: _- SERIALNO: 10001- |
|||
| ? | 426-46-12271 | BAR,LOCK | 1 | SN: 10001- KIT-FLAG: _- SERIALNO: 10001- |
|||
| ? | 426-46-12330 | PIN | 1 | SN: 10001- KIT-FLAG: _- SERIALNO: 10001- |
|||
| ? | 04050-10070 | • PIN,SPRING | 1 | SN: 10082- KIT-FLAG: _- SERIALNO: 10082- |
|||
| ? | 04050-10060 | • PIN,SPRING | 1 | SN: 10001-10081 KIT-FLAG: _- SERIALNO: 10001-10081 |
|||
| ? | 426-46-12311 | PIN | 1 | SN: 10001- KIT-FLAG: _- SERIALNO: 10001- |
|||
| ? | 426-46-12280 | PIN,LINCH | 1 | SN: 10001- KIT-FLAG: _- SERIALNO: 10001- |
|||
| ? | 426-46-12120 | PIN | 2 | SN: 10001- KIT-FLAG: _- SERIALNO: 10001- |
|||
| ? | 01010-31625 | BOLT | 2 | SN: 10001- KIT-FLAG: _- SERIALNO: 10001- |
|||
| ? | 421-70-11280 | WASHER | 2 | SN: 10001- KIT-FLAG: _- SERIALNO: 10001- |
|||
| ? | 426-46-12910 | PLATE | 4 | SN: 10090-10193 KIT-FLAG: _- SERIALNO: 10090-10193 |
