| Номер на схеме | Каталожный номер | Название | Количество | Детали | |||
|---|---|---|---|---|---|---|---|
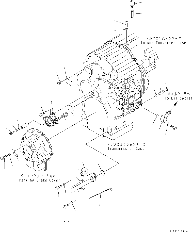
| ? | (714-17-10041) | TRANSMISSION ASS'Y,(FOR EMERGENCY STEERING) | 1 | SN: 64001- |
|||
| ? | (714-17-10040) | TRANSMISSION ASS'Y,(FOR EMERGENCY STEERING) | 1 | SN: 63001-64000 |
|||
| ? | THESE ASSEMBLIES CONSISTS OF ALL PARTS SHOWN IN FIGS.F4350-51A1 TO F4350-69A1. | ||||||
| ? | 07030-00252 | • BREATHER | 1 | SN: 63001- |
|||
| ? | 566-22-13170 | • JOINT | 1 | SN: 63001- |
|||
| ? | 419-15-18241 | • PLUG | 1 | SN: 63001- |
|||
| ? | 07002-02434 | • O-RING (K1) | 1 | SN: 63001- |
|||
| ? | 419-15-18251 | • RING,SNAP | 1 | SN: 63001- |
|||
| ? | 09608-05080 | • PLATE¤ NAME,(LIMITED SUPPLY) | 1 | SN: 63001- |
|||
| ? | 04418-13060 | • SCREW | 4 | SN: 63001- |
|||
| ? | 419-15-18220 | • PLUG | 1 | SN: 63001- |
|||
| ? | 07005-02216 | • GASKET (K1) | 1 | SN: 63001- |
|||
| ? | 714-11-11340 | • COVER | 1 | SN: 63001- |
|||
| ? | 07040-12414 | • PLUG | 1 | SN: 63001- |
|||
| ? | 07002-02434 | • O-RING (K1) | 1 | SN: 63001- |
|||
| ? | 07000-02085 | • O-RING (K1) | 1 | SN: 63001- |
|||
| ? | 01010-81230 | • BOLT | 3 | SN: 63001- |
|||
| ? | 714-07-18450 | • CONNECTION | 1 | SN: 63001- |
|||
| ? | 01252-30816 | • BOLT | 1 | SN: 63001- |
|||
| ? | 01643-30823 | • WASHER | 1 | SN: 63001- |
|||
| ? | 04065-01910 | • RING,SNAP | 1 | SN: 63001- |
|||
| ? | 01010-81240 | • BOLT | 1 | SN: 63001- |
|||
| ? | 01643-31232 | • WASHER | 1 | SN: 63001- |
|||
| ? | 08053-01512 | • CLIP | 1 | SN: 63001- |
|||
| ? | 714-07-14511 | • TUBE,FILLER | 1 | SN: 63001- |
|||
| ? | 714-07-14611 | • GAUGE,LEVEL | 1 | SN: 63001- |
|||
| ? | 6136-21-7120 | • CAP ASS'Y | 1 | SN: 63001- |
|||
| ? | 07000-73048 | • O-RING (K1) | 1 | SN: 63001- |
|||
| ? | 01010-81240 | • BOLT | 3 | SN: 63001- |
|||
| ? | 01643-31232 | • WASHER | 3 | SN: 63001- |
|||
| ? | 6136-21-7190 | • CHAIN | 1 | SN: 63001- |
|||
| ? | 714-07-18380 | • TUBE | 1 | SN: 63001- |
|||
| ? | 01011-81085 | • BOLT | 2 | SN: 63001- |
|||
| ? | 01643-31032 | • WASHER | 2 | SN: 63001- |
|||
| ? | 07000-73028 | • O-RING (K3) | 1 | SN: 63001- |