| Номер на схеме | Каталожный номер | Название | Количество | Детали | |||
|---|---|---|---|---|---|---|---|
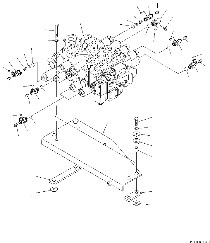
| ? | (709-94-11900) | CONTROL VALVE | 1 | SN: 60001- |
|||
| ? | 424-S35-3190 | BRACKET | 1 | SN: 60001- |
|||
| ? | 01010-81295 | BOLT | 3 | SN: 60001- |
|||
| ? | 01643-31232 | WASHER | 3 | SN: 60001- |
|||
| ? | 419-43-17930 | CUSHION | 4 | SN: 60001- |
|||
| ? | 417-54-13470 | SPACER | 4 | SN: 60001- |
|||
| ? | 419-43-17920 | WASHER | 8 | SN: 60001- |
|||
| ? | 01010-81255 | BOLT | 4 | SN: 60001- |
|||
| ? | 01643-31232 | WASHER | 4 | SN: 60001- |
|||
| ? | 424-64-23120 | CUSHION | 1 | SN: 60001- |
|||
| ? | 424-64-23130 | CUSHION | 1 | SN: 60001- |
|||
| ? | 424-62-33610 | VALVE ASS'Y | 3 | SN: 60001- |
|||
| ? | 424-62-33620 | • ELBOW | 1 | SN: 60001- |
|||
| ? | 423-62-23890 | • VALVE | 1 | SN: 60001- |
|||
| ? | 423-62-23910 | • VALVE | 1 | SN: 60001- |
|||
| ? | 421-62-33560 | ELBOW | 1 | SN: 60001- |
|||
| ? | 07002-12034 | O-RING | 4 | SN: 60001- |
|||
| ? | 07042-30108 | PLUG | 4 | SN: 60001- |
|||
| ? | 02896-11009 | O-RING | 4 | SN: 60001- |
|||
| ? | 19M-61-35150 | ELBOW | 4 | SN: 60001- |
|||
| ? | 07042-30108 | PLUG | 4 | SN: 60001- |
|||
| ? | 07002-12034 | O-RING | 4 | SN: 60001- |
|||
| ? | 02896-11009 | O-RING | 4 | SN: 60001- |