| Номер на схеме | Каталожный номер | Название | Количество | Детали | |||
|---|---|---|---|---|---|---|---|
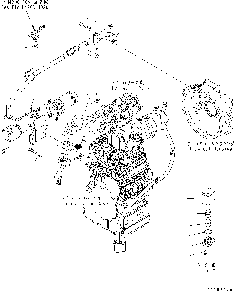
| ? | 424-62-42133 | BRACKET | 1 | SN: 65001- KIT-FLAG: _- SERIALNO: 65001- |
|||
| ? | 01010-81230 | BOLT | 2 | SN: 65001- KIT-FLAG: _- SERIALNO: 65001- |
|||
| ? | 01643-31232 | WASHER | 2 | SN: 65001- KIT-FLAG: _- SERIALNO: 65001- |
|||
| ? | 424-62-42112 | BRACKET | 1 | SN: 65001- KIT-FLAG: _- SERIALNO: 65001- |
|||
| ? | 01010-81640 | BOLT | 2 | SN: 65001- KIT-FLAG: _- SERIALNO: 65001- |
|||
| ? | 01643-31645 | WASHER | 2 | SN: 65001- KIT-FLAG: _- SERIALNO: 65001- |
|||
| ? | 07040-12012 | PLUG | 1 | SN: 65001- KIT-FLAG: _- SERIALNO: 65001- |
|||
| ? | 07002-12034 | O-RING | 1 | SN: 65001- KIT-FLAG: _- SERIALNO: 65001- |
|||
| ? | 07000-13035 | O-RING | 1 | SN: 65001- KIT-FLAG: _- SERIALNO: 65001- |
|||
| ? | 421-62-32351 | CHECK VALVE ASS'Y | 1 | SN: 65001- KIT-FLAG: _- SERIALNO: 65001- |
|||
| ? | 421-62-32360 | • SPRING | 1 | SN: 65001- KIT-FLAG: _- SERIALNO: 65001- |
|||
| ? | 702-13-22911 | • BODY | 1 | SN: 65001- KIT-FLAG: _- SERIALNO: 65001- |
|||
| ? | 702-13-22921 | • POPPET | 1 | SN: 65001- KIT-FLAG: _- SERIALNO: 65001- |
|||
| ? | 702-13-22931 | • PLATE | 1 | SN: 65001- KIT-FLAG: _- SERIALNO: 65001- |
|||
| ? | 708-25-12380 | • BOLT | 1 | SN: 65001- KIT-FLAG: _- SERIALNO: 65001- |
|||
| ? | 07000-23035 | • O-RING | 1 | SN: 65001- KIT-FLAG: _- SERIALNO: 65001- |
|||
| ? | 07000-13035 | O-RING | 1 | SN: 65001- KIT-FLAG: _- SERIALNO: 65001- |
|||
| ? | 02781-0021D | UNION | 1 | SN: 65254- KIT-FLAG: _- SERIALNO: 65254- |
|||
| ? | 07040-11409 | PLUG | 1 | SN: 65001-65253 KIT-FLAG: _- SERIALNO: 65001-65253 |
|||
| ? | 07002-11423 | O-RING | 1 | SN: 65001- KIT-FLAG: _- SERIALNO: 65001- |
|||
| ? | 02789-10210 | PLUG | 1 | SN: 65001- KIT-FLAG: _- SERIALNO: 65001- |