| Номер на схеме | Каталожный номер | Название | Количество | Детали | |||
|---|---|---|---|---|---|---|---|
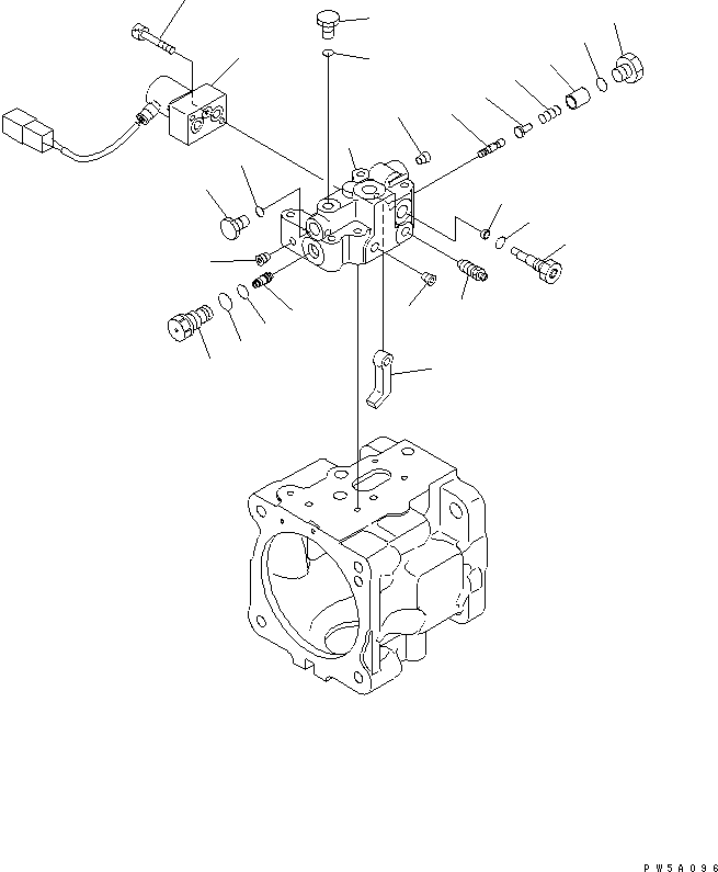
| ? | (708-1S-00940) | PUMP ASS'Y | 1 | SN: 65001- KIT-FLAG: _- SERIALNO: 65001- |
|||
| ? | THIS ASSEMBLY CONSISTS OF ALL PARTS SHOWN IN FIGS.Y1600-01A0 T0 Y1600-05A0. | SERIALNO: |
|||||
| ? | (708-1S-01940) | • PUMP SUB ASS'Y | 1 | SN: 65001- KIT-FLAG: _- SERIALNO: 65001- |
|||
| ? | (★708-1S-03340) | • • VALVE ASS'Y | 1 | SN: 65001- KIT-FLAG: _- SERIALNO: 65001- |
|||
| ? | (★708-1S-03920) | • • • BODY SUB ASS'Y | 1 | SN: 65001- KIT-FLAG: _- SERIALNO: 65001- |
|||
| ? | ☆ | • • • • BODY | 1 | SN: 65001- KIT-FLAG: _- SERIALNO: 65001- |
|||
| ? | ☆ | • • • • PLUG | 3 | SN: 65001- KIT-FLAG: _- SERIALNO: 65001- |
|||
| ? | (★708-1S-15420) | • • • PISTON | 1 | SN: 65001- KIT-FLAG: _- SERIALNO: 65001- |
|||
| ? | (★708-1S-15430) | • • • SLEEVE | 1 | SN: 65001- KIT-FLAG: _- SERIALNO: 65001- |
|||
| ? | 07002-21623 | • • • O-RING | 1 | SN: 65001- KIT-FLAG: _- SERIALNO: 65001- |
|||
| ? | 07000-B1010 | • • • O-RING | 1 | SN: 65001- KIT-FLAG: _- SERIALNO: 65001- |
|||
| ? | (★708-1S-15230) | • • • SPOOL | 1 | SN: 65001- KIT-FLAG: _- SERIALNO: 65001- |
|||
| ? | (★708-1S-15240) | • • • SEAT | 1 | SN: 65001- KIT-FLAG: _- SERIALNO: 65001- |
|||
| ? | (★708-1S-15440) | • • • SPRING | 1 | SN: 65001- KIT-FLAG: _- SERIALNO: 65001- |
|||
| ? | (★723-56-31630) | • • • PLUG | 1 | SN: 65001- KIT-FLAG: _- SERIALNO: 65001- |
|||
| ? | 07002-21623 | • • • O-RING | 1 | SN: 65001- KIT-FLAG: _- SERIALNO: 65001- |
|||
| ? | (★708-1S-15270) | • • • LEVER | 1 | SN: 65001- KIT-FLAG: _- SERIALNO: 65001- |
|||
| ? | (★708-1S-15250) | • • • RETAINER | 1 | SN: 65001- KIT-FLAG: _- SERIALNO: 65001- |
|||
| ? | (★708-1S-15280) | • • • SPACER | 1 | SN: 65001- KIT-FLAG: _- SERIALNO: 65001- |
|||
| ? | (★708-1S-15260) | • • • PLUG | 1 | SN: 65001- KIT-FLAG: _- SERIALNO: 65001- |
|||
| ? | 07002-21023 | • • • O-RING | 1 | SN: 65001- KIT-FLAG: _- SERIALNO: 65001- |
|||
| ? | 20B-27-11210 | • • • BLEEDER | 1 | SN: 65001- KIT-FLAG: _- SERIALNO: 65001- |
|||
| ? | 07040-11007 | • • • PLUG | 2 | SN: 65001- KIT-FLAG: _- SERIALNO: 65001- |
|||
| ? | 07002-21023 | • • • O-RING | 2 | SN: 65001- KIT-FLAG: _- SERIALNO: 65001- |
|||
| ? | 01252-60635 | • • • BOLT | 2 | SN: 65001- KIT-FLAG: _- SERIALNO: 65001- |
|||
| ? | (★702-21-57700) | • • • PILOT VALVE | 1 | SN: 65001- KIT-FLAG: _- SERIALNO: 65001- |