k-part
Номер на схеме Каталожный номер Название Количество Детали
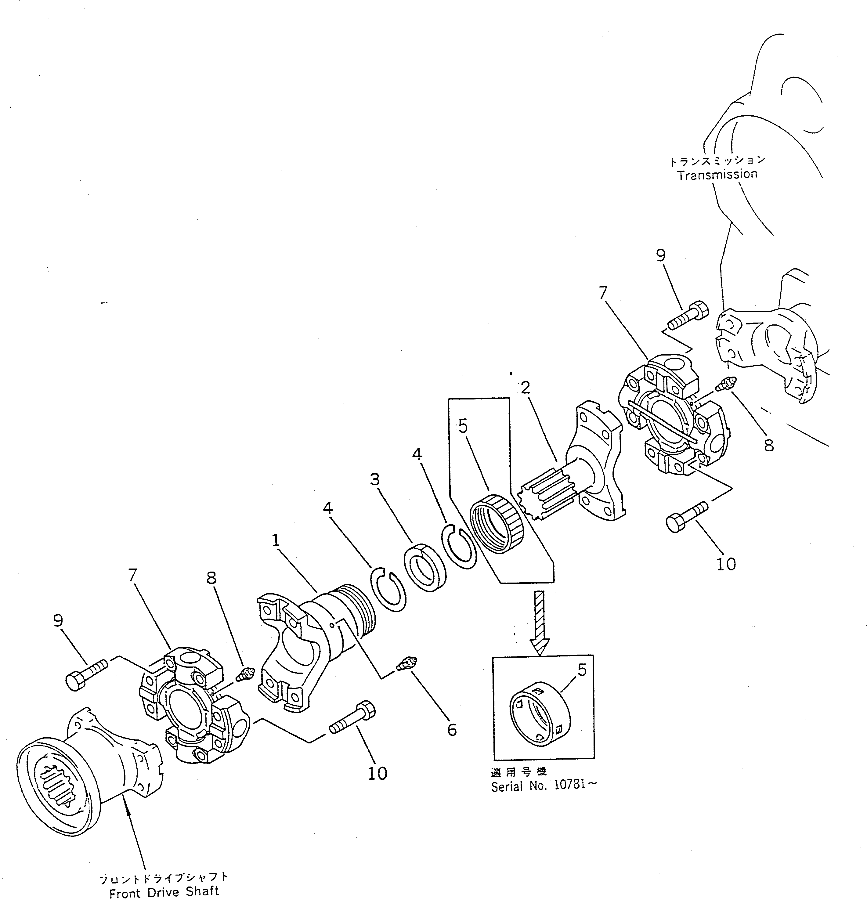
? 421-20-12110 DRIVE SHAFT ASS'Y 1
SN: 10001-
KIT-FLAG: _-
SERIALNO: 10001-
? 421-20-12650 • SHAFT ASS'Y 1
SN: 10001-
KIT-FLAG: _-
SERIALNO: 10001-
? • • YOKE 1
SN: 10781-
KIT-FLAG: _-
SERIALNO: 10781-
? • • YOKE 1
SN: 10001-10780
KIT-FLAG: _-
SERIALNO: 10001-10780
? • • SHAFT 1
SN: 10001-
KIT-FLAG: _-
SERIALNO: 10001-
? 421-20-12660 • • SEAL,OIL 1
SN: 10001-
KIT-FLAG: _-
SERIALNO: 10001-
? 421-20-12670 • • RETAINER 2
SN: 10001-
KIT-FLAG: _-
SERIALNO: 10001-
? 421-20-12681 • • COVER 1
SN: 10781-
KIT-FLAG: _-
SERIALNO: 10781-
? 421-20-12680 • • COVER 1
SN: 10001-10780
KIT-FLAG: _-
SERIALNO: 10001-10780
? 419-20-12630 • • FITTING,GREASE 1
SN: 10001-
KIT-FLAG: _-
SERIALNO: 10001-
? 421-20-12620 • SPIDER ASS'Y 2
SN: 10001-
KIT-FLAG: _-
SERIALNO: 10001-
? 419-20-12630 • FITTING,GREASE 2
SN: 10001-
KIT-FLAG: _-
SERIALNO: 10001-
? 421-20-12690 • BOLT 8
SN: 10001-
KIT-FLAG: _-
SERIALNO: 10001-
? 01050-61260 BOLT 8
SN: 10001-
KIT-FLAG: _-
SERIALNO: 10001-

Wheel Loaders Komatsu / WA450-1 S/N 10001-UP (Overseas Version)(wa450-1c) / DRIVE SHAFT (CENTER)(090020 : 3011)