| Номер на схеме | Каталожный номер | Название | Количество | Детали | |||
|---|---|---|---|---|---|---|---|
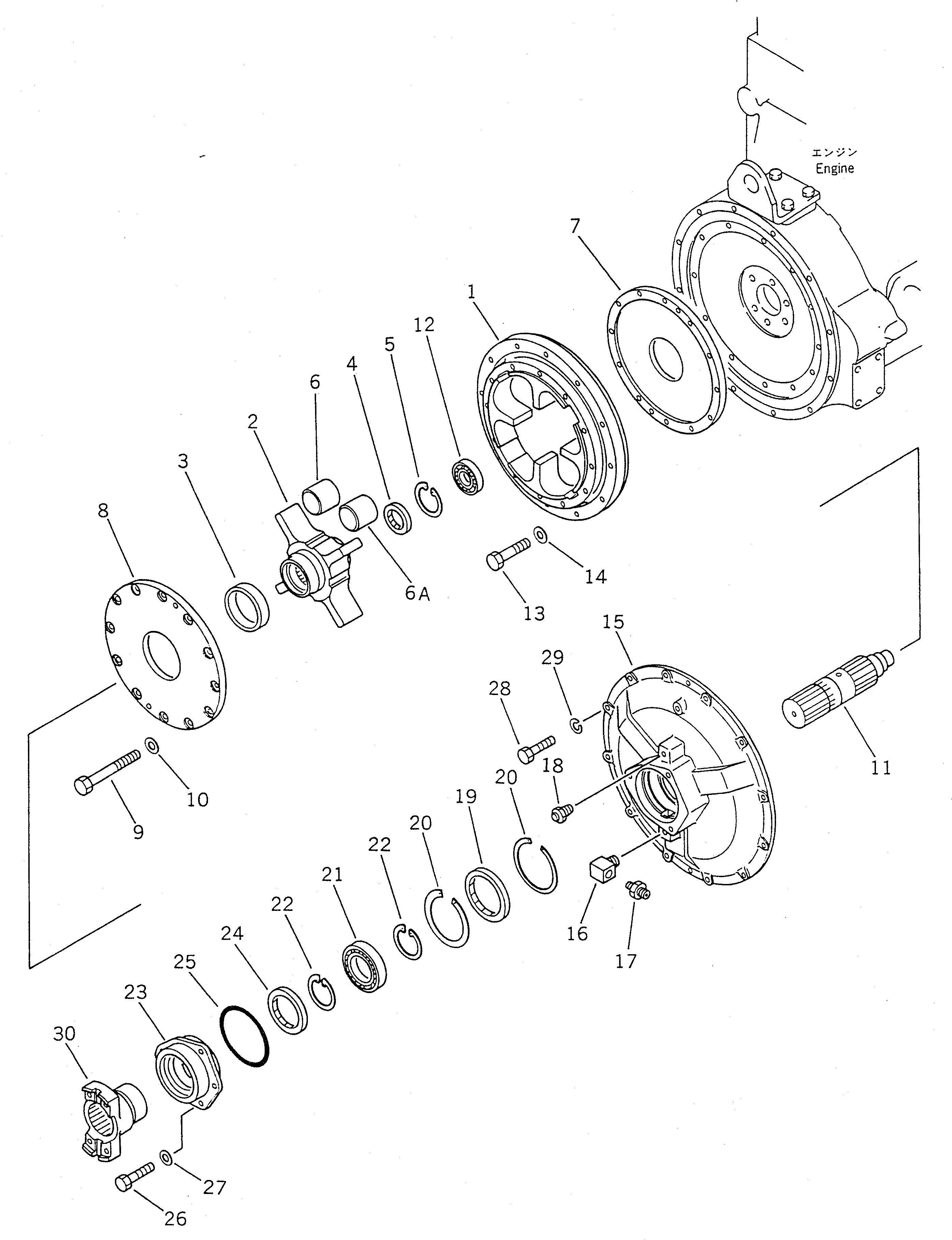
| ? | 421-12-12005 | DAMPER ASS'Y | 1 | SN: 10001-19999 KIT-FLAG: _- SERIALNO: 10001-19999 |
|||
| ? | (☒421-12-12002) | DAMPER ASS'Y | 1 | SN: (10873-10992) KIT-FLAG: _- SERIALNO: (10873-10992) |
|||
| ? | (☒421-12-12001) | DAMPER ASS'Y | 1 | SN: (10001-10872) KIT-FLAG: _- SERIALNO: (10001-10872) |
|||
| ? | 421-12-12993 | • BODY | 1 | SN: 10001-19999 KIT-FLAG: _- SERIALNO: 10001-19999 |
|||
| ? | 421-12-12213 | • BODY ASS'Y | 1 | SN: 10001-19999 KIT-FLAG: _- SERIALNO: 10001-19999 |
|||
| ? | (☒421-12-12210) | • BODY ASS'Y | 1 | SN: (10001-10749) KIT-FLAG: _- SERIALNO: (10001-10749) |
|||
| ? | 421-12-12183 | • • BODY,INNER | 1 | SN: 10001-19999 KIT-FLAG: _- SERIALNO: 10001-19999 |
|||
| ? | 421-12-12191 | • • SPACER | 1 | SN: 10001-19999 KIT-FLAG: _- SERIALNO: 10001-19999 |
|||
| ? | (☒421-12-12190) | • • SPACER | 1 | SN: (10001-10749) KIT-FLAG: _- SERIALNO: (10001-10749) |
|||
| ? | 07011-00045 | • SEAL,OIL | 1 | SN: 10001-19999 KIT-FLAG: _- SERIALNO: 10001-19999 |
|||
| ? | 04065-06825 | • RING,SNAP | 1 | SN: 10001-19999 KIT-FLAG: _- SERIALNO: 10001-19999 |
|||
| ? | 421-12-12270 | • RUBBER | 4 | SN: 10993-19999 KIT-FLAG: _- SERIALNO: 10993-19999 |
|||
| ? | ▩421-12-12170 | • RUBBER | 4 | SN: 10001-10992 KIT-FLAG: _- SERIALNO: 10001-10992 |
|||
| ? | (421-12-12270(4),421-12-12370(4)) | SERIALNO: |
|||||
| ? | 421-12-12370 | • RUBBER | 4 | SN: 10993-19999 KIT-FLAG: _- SERIALNO: 10993-19999 |
|||
| ? | ▩421-12-12170 | • RUBBER | 4 | SN: 10001-10992 KIT-FLAG: _- SERIALNO: 10001-10992 |
|||
| ? | (421-12-12370(4),421-12-12270(4)) | SERIALNO: |
|||||
| ? | 421-12-12150 | • FLANGE | 1 | SN: 10001-19999 KIT-FLAG: _- SERIALNO: 10001-19999 |
|||
| ? | 421-12-12160 | • FLANGE | 1 | SN: 10001-19999 KIT-FLAG: _- SERIALNO: 10001-19999 |
|||
| ? | 01010-31070 | • BOLT | 12 | SN: 10001-19999 KIT-FLAG: _- SERIALNO: 10001-19999 |
|||
| ? | 01643-31032 | • WASHER | 12 | SN: 10001-19999 KIT-FLAG: _- SERIALNO: 10001-19999 |
|||
| ? | 421-12-12142 | • SHAFT | 1 | SN: 10849-19999 KIT-FLAG: _- SERIALNO: 10849-19999 |
|||
| ? | □421-12-12141 | • SHAFT | 1 | SN: 10001-10848 KIT-FLAG: _- SERIALNO: 10001-10848 |
|||
| ? | 06034-06207 | • BEARING | 1 | SN: 10001-19999 KIT-FLAG: _- SERIALNO: 10001-19999 |
|||
| ? | (☒06004-06207) | • BEARING | 1 | SN: (10001-10872) KIT-FLAG: _- SERIALNO: (10001-10872) |
|||
| ? | 01010-51040 | • BOLT | 12 | SN: 10001-19999 KIT-FLAG: _- SERIALNO: 10001-19999 |
|||
| ? | 01643-31032 | • WASHER | 12 | SN: 10001-19999 KIT-FLAG: _- SERIALNO: 10001-19999 |
|||
| ? | 421-12-12112 | • COVER | 1 | SN: 10001-19999 KIT-FLAG: _- SERIALNO: 10001-19999 |
|||
| ? | 425-12-11510 | • ELBOW | 1 | SN: 10001-19999 KIT-FLAG: _- SERIALNO: 10001-19999 |
|||
| ? | 21T-72-17690 | • ADAPTER | 1 | SN: 10001-19999 KIT-FLAG: _- SERIALNO: 10001-19999 |
|||
| ? | 07029-00000 | • VALVE,RELIEF | 1 | SN: 10001-19999 KIT-FLAG: _- SERIALNO: 10001-19999 |
|||
| ? | 07011-00095 | • SEAL,OIL | 1 | SN: 10001-19999 KIT-FLAG: _- SERIALNO: 10001-19999 |
|||
| ? | 04077-00120 | • RING,SNAP | 2 | SN: 10001-19999 KIT-FLAG: _- SERIALNO: 10001-19999 |
|||
| ? | 06000-06213 | • BEARING | 1 | SN: 10001-19999 KIT-FLAG: _- SERIALNO: 10001-19999 |
|||
| ? | 04064-06525 | • RING,SNAP | 2 | SN: 10001-19999 KIT-FLAG: _- SERIALNO: 10001-19999 |
|||
| ? | 421-12-12122 | • COVER | 1 | SN: 10001-19999 KIT-FLAG: _- SERIALNO: 10001-19999 |
|||
| ? | 07011-00080 | • SEAL,OIL | 1 | SN: 10001-19999 KIT-FLAG: _- SERIALNO: 10001-19999 |
|||
| ? | 07000-02120 | • O-RING | 1 | SN: 10001-19999 KIT-FLAG: _- SERIALNO: 10001-19999 |
|||
| ? | 01010-51030 | • BOLT | 3 | SN: 10001-19999 KIT-FLAG: _- SERIALNO: 10001-19999 |
|||
| ? | 01643-31032 | • WASHER | 3 | SN: 10001-19999 KIT-FLAG: _- SERIALNO: 10001-19999 |
|||
| ? | 01010-51030 | • BOLT | 12 | SN: 10001-19999 KIT-FLAG: _- SERIALNO: 10001-19999 |
|||
| ? | 01602-21030 | • WASHER,SPRING | 12 | SN: 10001-19999 KIT-FLAG: _- SERIALNO: 10001-19999 |
|||
| ? | 421-12-12132 | • COUPLING | 1 | SN: 10001-19999 KIT-FLAG: _- SERIALNO: 10001-19999 |
