| Номер на схеме | Каталожный номер | Название | Количество | Детали | |||
|---|---|---|---|---|---|---|---|
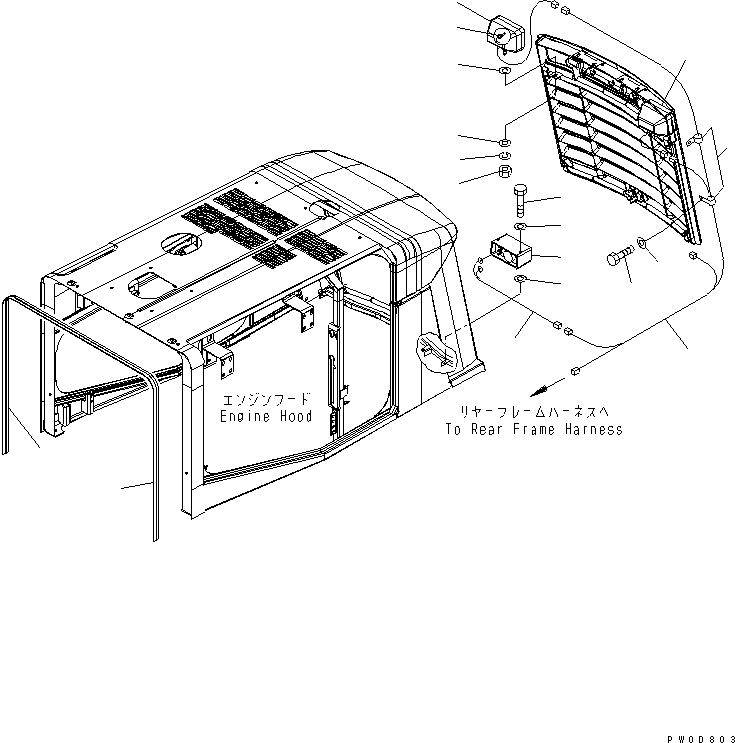
| ? | 421-06-32194 | WIRING HARNESS | 1 | SN: 60001- |
|||
| ? | 14X-06-11130 | ALARM | 1 | SN: 60001- |
|||
| ? | 01010-80895 | BOLT | 2 | SN: 60001- |
|||
| ? | 01643-70823 | WASHER | 4 | SN: 60001- |
|||
| ? | 14X-06-24430 | WIRING HARNESS | 1 | SN: 60001- |
|||
| ? | 421-06-23310 | LAMP ASS'Y,REAR WORK | 2 | SN: 60001- |
|||
| ? | 421-06-23340 | • LENS | 1 | SN: 60001- |
|||
| ? | 421-06-23330 | • BULB ? 70W | 1 | SN: 60001- |
|||
| ? | 01582-11411 | • NUT | 1 | SN: 60001- |
|||
| ? | 01602-21442 | • WASHER | 1 | SN: 60001- |
|||
| ? | 01643-31445 | • WASHER | 2 | SN: 60001- |
|||
| ? | 01010-D1020 | BOLT | 2 | SN: 60001- |
|||
| ? | 01643-71032 | WASHER | 2 | SN: 60001- |
|||
| ? | 08053-01510 | CLIP | 2 | SN: 60001- |
|||
| ? | 424-54-31511 | SEAL | 2 | SN: 60001- |