k-part
Номер на схеме Каталожный номер Название Количество Детали
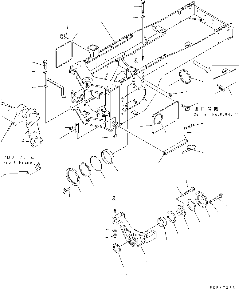
? 424-46-22501 FRAME,REAR 1
SN: 60046-
? 424-46-22100 FRAME,REAR 1
SN: 60001-60045
? 424-46-12162 BUSHING,FRONT 1
SN: 60001-
? 421-46-15121 PACKING 1
SN: 60001-
? 424-46-12310 RETAINER 1
SN: 60001-
? 421-46-15112 PACKING 1
SN: 60001-
? 07000-15305 O-RING 1
SN: 60001-
? 01435-01235 BOLT 6
SN: 60001-
? 424-46-12156 SUPPORT,REAR 1
SN: 60001-
? 424-46-12172 BUSHING 1
SN: 60001-
? 421-46-15132 PACKING 1
SN: 60001-
? 424-46-12221 PLATE,THRUST 1
SN: 60001-
? 424-46-12182 WASHER,THRUST 2
SN: 60001-
? 01010-61665 BOLT 8
SN: 60001-
? 01643-31645 WASHER 8
SN: 60001-
? 424-46-12191 COVER 1
SN: 60001-
? 01010-61665 BOLT 8
SN: 60001-
? 01643-31645 WASHER 8
SN: 60001-
? 01011-62790 BOLT 4
SN: 60001-
? 01643-32780 WASHER 8
SN: 60001-
? 01580-02722 NUT 4
SN: 60001-
? 424-46-24110 COVER,L.H. 1
SN: 60001-
? 421-46-24110 • FINISHER 1
SN: 60001-
? 423-46-24120 COVER,R.H. 1
SN: 60001-
? 01435-01220 BOLT 4
SN: 60001-
? 421-46-12920 BAR,LOCK 1
SN: 60001-
? 421-46-12721 PIN 2
SN: 60001-
? 04025-01065 • PIN,SPRING 1
SN: 60001-
? 04025-01065 PIN,SPRING 1
SN: 60001-
? 421-46-12740 PIN,LINCH 1
SN: 60001-
? 421-46-22860 GUARD 1
SN: 60001-
? 01010-81635 BOLT 2
SN: 60001-
? 01643-31645 WASHER 2
SN: 60001-
? 07049-03342 PLUG 8
SN: 60001-

Wheel Loaders Komatsu / WA400-3-X S/N 60001-62999(wa400-0r) / REAR FRAME(#60001-)(150070 : 5021)
?
?
?
?
?
?
?
?
?
?
?
?
?
?
?
?
?
?
?
?
?
?
?
?
?
?
?
?
?
?
?
?
?
?
?
?
?
?
?