| Номер на схеме | Каталожный номер | Название | Количество | Детали | |||
|---|---|---|---|---|---|---|---|
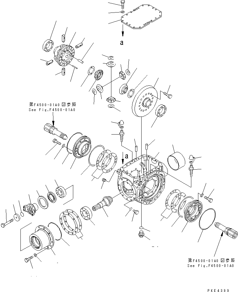
| ? | (419-23-20011) | AXLE ASS'Y,REAR | 1 | SN: 50001-54114 KIT-FLAG: _- SERIALNO: 50001-54114 |
|||
| ? | THIS ASSEMBLY CONSISTS OF ALL PARTS SHOWN IN FIGS.F4500-01A0 TO F4500-04A0. | SERIALNO: |
|||||
| ? | 419-22-21230 | • COUPLING | 1 | SN: 50001-@ KIT-FLAG: _- SERIALNO: 50001-@ |
|||
| ? | 418-22-21310 | • PROTECTOR | 1 | SN: 50001-@ KIT-FLAG: _- SERIALNO: 50001-@ |
|||
| ? | 419-22-21601 | • PINION ASS'Y | 1 | SN: 50001-54114 KIT-FLAG: _- SERIALNO: 50001-54114 |
|||
| ? | ☆ | • • PINION | 1 | SN: 50001-@ KIT-FLAG: _- SERIALNO: 50001-@ |
|||
| ? | ☆ | • • PINION,BEVEL | 1 | SN: 50001-54114 KIT-FLAG: _- SERIALNO: 50001-54114 |
|||
| ? | 419-22-11810 | • BEARING | 1 | SN: 50001-@ KIT-FLAG: _- SERIALNO: 50001-@ |
|||
| ? | 419-23-21631 | • CAGE,BEARING | 1 | SN: 50001-@ KIT-FLAG: _- SERIALNO: 50001-@ |
|||
| ? | 419-22-11820 | • BEARING | 1 | SN: 50001-@ KIT-FLAG: _- SERIALNO: 50001-@ |
|||
| ? | 418-22-21330 | • SEAL,OIL | 1 | SN: 50001-@ KIT-FLAG: _- SERIALNO: 50001-@ |
|||
| ? | 423-22-11240 | • HOLDER | 1 | SN: 50001-@ KIT-FLAG: _- SERIALNO: 50001-@ |
|||
| ? | 01011-61615 | • BOLT | 1 | SN: 50001-@ KIT-FLAG: _- SERIALNO: 50001-@ |
|||
| ? | 07000-13042 | • O-RING | 1 | SN: 50001-@ KIT-FLAG: _- SERIALNO: 50001-@ |
|||
| ? | 07000-15180 | • O-RING | 1 | SN: 50001-@ KIT-FLAG: _- SERIALNO: 50001-@ |
|||
| ? | 419-22-11361 | • SHIM, 0.05MM | 2 | SN: 50001-@ KIT-FLAG: _- SERIALNO: 50001-@ |
|||
| ? | 419-22-11371 | • SHIM, 0.2MM | 2 | SN: 50001-@ KIT-FLAG: _- SERIALNO: 50001-@ |
|||
| ? | 419-22-11381 | • SHIM, 0.3MM | 2 | SN: 50001-@ KIT-FLAG: _- SERIALNO: 50001-@ |
|||
| ? | 419-22-11391 | • SHIM, 0.8MM | 1 | SN: 50001-@ KIT-FLAG: _- SERIALNO: 50001-@ |
|||
| ? | 01010-31440 | • BOLT | 10 | SN: .-@ KIT-FLAG: _- SERIALNO: .-@ |
|||
| ? | □01010-61440 | • BOLT | 10 | SN: 50001-. KIT-FLAG: _- SERIALNO: 50001-. |
|||
| ? | 01643-31445 | • WASHER | 10 | SN: 50001-@ KIT-FLAG: _- SERIALNO: 50001-@ |
|||
| ? | ☆ | • CARRIER | 1 | SN: .-54114 KIT-FLAG: _- SERIALNO: .-54114 |
|||
| ? | ☆ | • CARRIER | 1 | SN: 50001-. KIT-FLAG: _- SERIALNO: 50001-. |
|||
| ? | 419-22-11432 | • GEAR | 2 | SN: 50001-@ KIT-FLAG: _- SERIALNO: 50001-@ |
|||
| ? | 419-22-11421 | • PINION | 4 | SN: 50001-@ KIT-FLAG: _- SERIALNO: 50001-@ |
|||
| ? | 419-22-21740 | • SHAFT | 4 | SN: 50001-54114 KIT-FLAG: _- SERIALNO: 50001-54114 |
|||
| ? | 419-22-11631 | • WASHER | 2 | SN: 50001-@ KIT-FLAG: _- SERIALNO: 50001-@ |
|||
| ? | 419-22-21751 | • WASHER | 4 | SN: 50001-54114 KIT-FLAG: _- SERIALNO: 50001-54114 |
|||
| ? | 175-21-12180 | • PIN | 4 | SN: 50001-54114 KIT-FLAG: _- SERIALNO: 50001-54114 |
|||
| ? | 418-22-11440 | • PIN | 4 | SN: 50001-54114 KIT-FLAG: _- SERIALNO: 50001-54114 |
|||
| ? | 01010-31650 | • BOLT | 16 | SN: .-54114 KIT-FLAG: _- SERIALNO: .-54114 |
|||
| ? | □01010-61650 | • BOLT | 16 | SN: 50001-. KIT-FLAG: _- SERIALNO: 50001-. |
|||
| ? | 418-22-12850 | • BEARING | 2 | SN: 50001-54114 KIT-FLAG: _- SERIALNO: 50001-54114 |
|||
| ? | ☆ | • HOUSING | 1 | SN: 50001-@ KIT-FLAG: _- SERIALNO: 50001-@ |
|||
| ? | 423-23-23170 | • SLEEVE | 1 | SN: 50001-@ KIT-FLAG: _- SERIALNO: 50001-@ |
|||
| ? | 07044-13620 | • PLUG | 1 | SN: 50001-@ KIT-FLAG: _- SERIALNO: 50001-@ |
|||
| ? | 07002-13634 | • O-RING | 1 | SN: 50001-@ KIT-FLAG: _- SERIALNO: 50001-@ |
|||
| ? | 07043-70211 | • PLUG | 2 | SN: 50001-@ KIT-FLAG: _- SERIALNO: 50001-@ |
|||
| ? | 419-33-11460 | • BLEEDER | 2 | SN: 50001-@ KIT-FLAG: _- SERIALNO: 50001-@ |
|||
| ? | 566-32-11620 | • CAP | 2 | SN: 50001-@ KIT-FLAG: _- SERIALNO: 50001-@ |
|||
| ? | 07040-12012 | • PLUG,(FOR SHIPPING) | 2 | SN: 50001-@ KIT-FLAG: _- SERIALNO: 50001-@ |
|||
| ? | 07002-12034 | • O-RING,(FOR SHIPPING) | 2 | SN: 50001-@ KIT-FLAG: _- SERIALNO: 50001-@ |
|||
| ? | 419-22-23620 | • COVER | 1 | SN: 50001-@ KIT-FLAG: _- SERIALNO: 50001-@ |
|||
| ? | 04020-01228 | • PIN,DOWEL | 2 | SN: 50001-@ KIT-FLAG: _- SERIALNO: 50001-@ |
|||
| ? | 01010-61240 | • BOLT | 20 | SN: 50001-@ KIT-FLAG: _- SERIALNO: 50001-@ |
|||
| ? | 01643-31232 | • WASHER | 20 | SN: 50001-@ KIT-FLAG: _- SERIALNO: 50001-@ |
|||
| ? | 419-22-21660 | • CARRIER | 2 | SN: 50001-54114 KIT-FLAG: _- SERIALNO: 50001-54114 |
|||
| ? | 419-22-21760 | • SHIM, 0.05MM | 6 | SN: 50001-@ KIT-FLAG: _- SERIALNO: 50001-@ |
|||
| ? | 419-22-21770 | • SHIM, 0.2MM | 3 | SN: 50001-@ KIT-FLAG: _- SERIALNO: 50001-@ |
|||
| ? | 419-22-21780 | • SHIM, 0.3MM | 3 | SN: 50001-@ KIT-FLAG: _- SERIALNO: 50001-@ |
|||
| ? | 419-22-21790 | • SHIM, 0.8MM | 2 | SN: 50001-@ KIT-FLAG: _- SERIALNO: 50001-@ |
|||
| ? | 418-33-21430 | • RING | 2 | SN: 50001-@ KIT-FLAG: _- SERIALNO: 50001-@ |
|||
| ? | 01010-31240 | • BOLT | 16 | SN: .-@ KIT-FLAG: _- SERIALNO: .-@ |
|||
| ? | □01010-61240 | • BOLT | 16 | SN: 50001-. KIT-FLAG: _- SERIALNO: 50001-. |
|||
| ? | 01643-31232 | • WASHER | 16 | SN: 50001-@ KIT-FLAG: _- SERIALNO: 50001-@ |
|||
| ? | 419-33-21710 | • SEAL | 2 | SN: 50001-@ KIT-FLAG: _- SERIALNO: 50001-@ |