| Номер на схеме | Каталожный номер | Название | Количество | Детали | |||
|---|---|---|---|---|---|---|---|
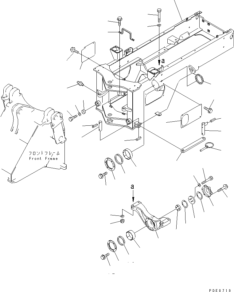
| ? | 419-46-22500 | FRAME,REAR | 1 | SN: 50001- KIT-FLAG: _- SERIALNO: 50001- |
|||
| ? | 07020-00000 | FITTING,GREASE | 2 | SN: 50001- KIT-FLAG: _- SERIALNO: 50001- |
|||
| ? | 423-46-27220 | BUSHING | 1 | SN: 50001- KIT-FLAG: _- SERIALNO: 50001- |
|||
| ? | 419-46-12480 | PACKING | 1 | SN: 50001- KIT-FLAG: _- SERIALNO: 50001- |
|||
| ? | 423-46-27190 | SEAL,DUST | 1 | SN: 50001- KIT-FLAG: _- SERIALNO: 50001- |
|||
| ? | 423-46-27170 | RETAINER | 1 | SN: 50001- KIT-FLAG: _- SERIALNO: 50001- |
|||
| ? | 01435-01235 | BOLT | 6 | SN: 50001- KIT-FLAG: _- SERIALNO: 50001- |
|||
| ? | 419-46-27310 | SUPPORT | 1 | SN: 50001- KIT-FLAG: _- SERIALNO: 50001- |
|||
| ? | 424-46-12172 | BUSHING,REAR | 1 | SN: 50001- KIT-FLAG: _- SERIALNO: 50001- |
|||
| ? | 421-46-15132 | PACKING | 1 | SN: 50001- KIT-FLAG: _- SERIALNO: 50001- |
|||
| ? | 423-46-27180 | RETAINER | 1 | SN: 50001- KIT-FLAG: _- SERIALNO: 50001- |
|||
| ? | 01435-01235 | BOLT | 6 | SN: 50001- KIT-FLAG: _- SERIALNO: 50001- |
|||
| ? | 423-46-27130 | PLATE | 1 | SN: 50001- KIT-FLAG: _- SERIALNO: 50001- |
|||
| ? | 423-46-27140 | PLATE,THRUST | 1 | SN: 50001- KIT-FLAG: _- SERIALNO: 50001- |
|||
| ? | 423-46-27120 | WASHER,THRUST | 2 | SN: 50001- KIT-FLAG: _- SERIALNO: 50001- |
|||
| ? | 01010-32090 | BOLT | 4 | SN: 50001- KIT-FLAG: _- SERIALNO: 50001- |
|||
| ? | 01643-32060 | WASHER | 4 | SN: 50001- KIT-FLAG: _- SERIALNO: 50001- |
|||
| ? | 423-46-27150 | COVER | 1 | SN: 50001- KIT-FLAG: _- SERIALNO: 50001- |
|||
| ? | 01435-01260 | BOLT | 6 | SN: 50001- KIT-FLAG: _- SERIALNO: 50001- |
|||
| ? | 01011-32450 | BOLT | 4 | SN: 50001- KIT-FLAG: _- SERIALNO: 50001- |
|||
| ? | 01643-32460 | WASHER | 8 | SN: 50001- KIT-FLAG: _- SERIALNO: 50001- |
|||
| ? | 01580-02419 | NUT | 4 | SN: 50001- KIT-FLAG: _- SERIALNO: 50001- |
|||
| ? | 416-46-11210 | BUMPER | 2 | SN: 50001- KIT-FLAG: _- SERIALNO: 50001- |
|||
| ? | 01010-81225 | BOLT | 2 | SN: 50001- KIT-FLAG: _- SERIALNO: 50001- |
|||
| ? | 01643-31232 | WASHER | 2 | SN: 50001- KIT-FLAG: _- SERIALNO: 50001- |
|||
| ? | 419-46-24110 | COVER,L.H. | 1 | SN: 50001- KIT-FLAG: _- SERIALNO: 50001- |
|||
| ? | 419-46-24150 | COVER,R.H. | 1 | SN: 50001- KIT-FLAG: _- SERIALNO: 50001- |
|||
| ? | 01435-01225 | BOLT | 7 | SN: 50001- KIT-FLAG: _- SERIALNO: 50001- |
|||
| ? | 421-46-12920 | BAR,LOCK | 1 | SN: 50001- KIT-FLAG: _- SERIALNO: 50001- |
|||
| ? | 421-46-12721 | PIN | 1 | SN: 50001- KIT-FLAG: _- SERIALNO: 50001- |
|||
| ? | 04025-01065 | • PIN,SPRING | 1 | SN: 50001- KIT-FLAG: _- SERIALNO: 50001- |
|||
| ? | 04025-01065 | PIN,SPRING | 1 | SN: 50001- KIT-FLAG: _- SERIALNO: 50001- |
|||
| ? | 421-46-12731 | PIN | 1 | SN: 50001- KIT-FLAG: _- SERIALNO: 50001- |
|||
| ? | 04025-01065 | • PIN,SPRING | 2 | SN: 50001- KIT-FLAG: _- SERIALNO: 50001- |
|||
| ? | 421-46-12740 | PIN,LINCH | 1 | SN: 50001- KIT-FLAG: _- SERIALNO: 50001- |
|||
| ? | 419-46-22140 | PLATE | 1 | SN: 50001- KIT-FLAG: _- SERIALNO: 50001- |
|||
| ? | 01435-01225 | BOLT | 4 | SN: 50001- KIT-FLAG: _- SERIALNO: 50001- |