| Номер на схеме | Каталожный номер | Название | Количество | Детали | |||
|---|---|---|---|---|---|---|---|
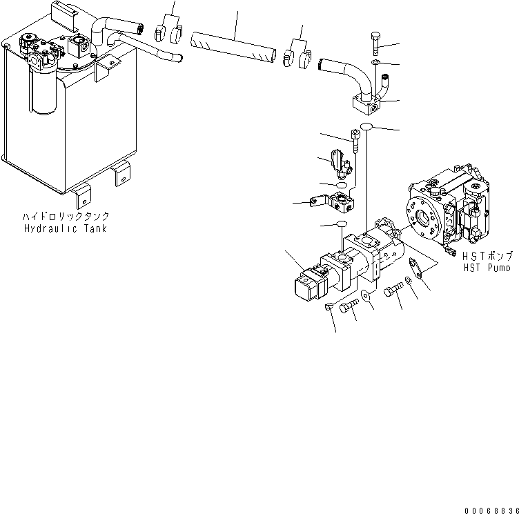
| ? | (705-56-36051) | PUMP ASS'Y | 1 | SN: 70268- KIT-FLAG: _- SERIALNO: 70268- |
|||
| ? | (705-56-36050) | PUMP ASS'Y | 1 | SN: 70001-70267 KIT-FLAG: _- SERIALNO: 70001-70267 |
|||
| ? | 01010-81240 | BOLT | 4 | SN: 70001- KIT-FLAG: _- SERIALNO: 70001- |
|||
| ? | 01010-81650 | BOLT | 1 | SN: 70001- KIT-FLAG: _- SERIALNO: 70001- |
|||
| ? | 01643-31645 | WASHER | 1 | SN: 70001- KIT-FLAG: _- SERIALNO: 70001- |
|||
| ? | 175-54-34170 | WASHER | 4 | SN: 70001- KIT-FLAG: _- SERIALNO: 70001- |
|||
| ? | 419-62-33950 | PLATE | 1 | SN: 70001- KIT-FLAG: _- SERIALNO: 70001- |
|||
| ? | 07049-02025 | PLUG | 1 | SN: 70001- KIT-FLAG: _- SERIALNO: 70001- |
|||
| ? | 419-62-48361 | HOSE, 300MM | 1 | SN: 70001- KIT-FLAG: _- SERIALNO: 70001- |
|||
| ? | 07289-00070 | CLAMP | 4 | SN: 70001- KIT-FLAG: _- SERIALNO: 70001- |
|||
| ? | 419-62-48351 | TUBE | 1 | SN: 70001- KIT-FLAG: _- SERIALNO: 70001- |
|||
| ? | 07000-12060 | O-RING | 1 | SN: 70001- KIT-FLAG: _- SERIALNO: 70001- |
|||
| ? | 01010-81270 | BOLT | 4 | SN: 70001- KIT-FLAG: _- SERIALNO: 70001- |
|||
| ? | 01643-31232 | WASHER | 4 | SN: 70001- KIT-FLAG: _- SERIALNO: 70001- |
|||
| ? | 419-62-34291 | BLOCK | 1 | SN: 70001- KIT-FLAG: _- SERIALNO: 70001- |
|||
| ? | 07000-13048 | O-RING | 1 | SN: 70001- KIT-FLAG: _- SERIALNO: 70001- |
|||
| ? | 01252-81255 | BOLT | 4 | SN: 70001- KIT-FLAG: _- SERIALNO: 70001- |
|||
| ? | 419-62-48432 | TEE | 1 | SN: 70001- KIT-FLAG: _- SERIALNO: 70001- |
|||
| ? | 07002-13334 | O-RING | 1 | SN: 70001- KIT-FLAG: _- SERIALNO: 70001- |