k-part
Номер на схеме Каталожный номер Название Количество Детали
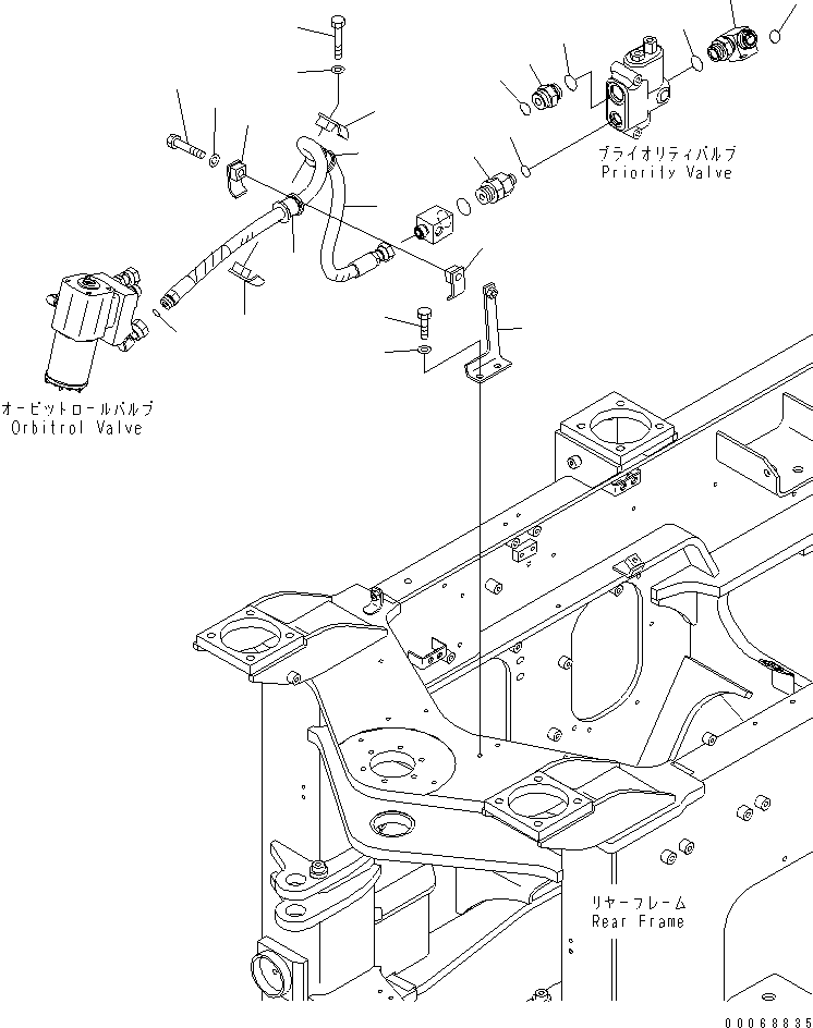
? 418-62-32172 NIPPLE 1
SN: 70001-
KIT-FLAG: _-
SERIALNO: 70001-
? 418-62-11630 O-RING 2
SN: 70001-
KIT-FLAG: _-
SERIALNO: 70001-
? 419-62-31542 ELBOW 1
SN: 70001-
KIT-FLAG: _-
SERIALNO: 70001-
? 11Y-62-11980 O-RING 2
SN: 70001-
KIT-FLAG: _-
SERIALNO: 70001-
? 419-62-48312 HOSE, 1610MM 1
SN: 70001-
KIT-FLAG: _-
SERIALNO: 70001-
? 02896-11015 • O-RING 1
SN: 70001-
KIT-FLAG: _-
SERIALNO: 70001-
? 419-62-31840 VALVE 1
SN: 70001-
KIT-FLAG: _-
SERIALNO: 70001-
? 418-62-11620 O-RING 1
SN: 70001-
KIT-FLAG: _-
SERIALNO: 70001-
? 07094-10518 CLAMP 4
SN: 70001-
KIT-FLAG: _-
SERIALNO: 70001-
? 07095-00523 CUSHION 2
SN: 70001-
KIT-FLAG: _-
SERIALNO: 70001-
? 01010-81270 BOLT 2
SN: 70001-
KIT-FLAG: _-
SERIALNO: 70001-
? 01643-31232 WASHER 2
SN: 70001-
KIT-FLAG: _-
SERIALNO: 70001-
? 419-62-41170 BRACKET 1
SN: 70001-
KIT-FLAG: _-
SERIALNO: 70001-
? 01010-81025 BOLT 2
SN: 70001-
KIT-FLAG: _-
SERIALNO: 70001-
? 01643-31032 WASHER 2
SN: 70001-
KIT-FLAG: _-
SERIALNO: 70001-

Wheel Loaders Komatsu / WA320PZ-6 S/N 70001-70451 (For EU)(wa320pzc) / STEERING VALVE (UNION AND PRIORITY VALVE LINE) (FOR EMERGENCY STEERING)(#70001-)(180130 : H0122-03A1)
?
?
?
?
?
?
?
?
?
?
?
?
?
?
?
?
?
?
?
?
?
?
?