| Номер на схеме | Каталожный номер | Название | Количество | Детали | |||
|---|---|---|---|---|---|---|---|
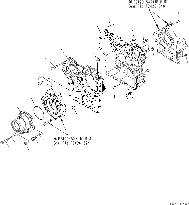
| ? | 417-17-35000 | TRANSFER ASS'Y | 1 | SN: 65001- |
|||
| ? | THIS ASSEMBLY CONSISTS OF ALL PARTS SHOWN IN FIGS.F2420-51A0 TO F2420-54A0. | ||||||
| ? | 417-17-31101 | • CASE ASS'Y | 1 | SN: 65001- |
|||
| ? | 417-17-31111 | • • CASE,FRONT | 1 | SN: 65001- |
|||
| ? | 418-17-31122 | • • CASE,REAR | 1 | SN: 65001- |
|||
| ? | 01010-81235 | • BOLT | 20 | SN: 65001- |
|||
| ? | 04020-01228 | • PIN | 2 | SN: 65001- |
|||
| ? | 07043-A0211 | • PLUG | 2 | SN: 65001- |
|||
| ? | 07044-12412 | • PLUG | 1 | SN: 65001- |
|||
| ? | 07002-12434 | • O-RING | 1 | SN: 65001- |
|||
| ? | 07030-00252 | • BREATHER | 1 | SN: 65001- |
|||
| ? | 417-17-35130 | • CAGE | 1 | SN: 65001- |
|||
| ? | 01010-81235 | • BOLT | 4 | SN: 65001- |
|||
| ? | 01643-31232 | • WASHER | 4 | SN: 65001- |
|||
| ? | 01011-81220 | • BOLT | 2 | SN: 65001- |
|||
| ? | 01643-31232 | • WASHER | 2 | SN: 65001- |
|||
| ? | 07000-75130 | • O-RING | 1 | SN: 65001- |
|||
| ? | 09608-05080 | • PLATE¤ NAME | 1 | SN: 65001- |
|||
| ? | 04418-13060 | • SCREW | 4 | SN: 65001- |
|||
| ? | 07049-01215 | • PLUG | 9 | SN: 65001- |
|||
| ? | 07049-01620 | • PLUG | 1 | SN: 65001- |