k-part
Номер на схеме Каталожный номер Название Количество Детали
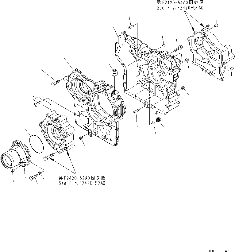
? 417-17-31000 TRANSFER ASS'Y 1
SN: 65001-
? THIS ASSEMBLY CONSISTS OF ALL PARTS SHOWN IN FIGS.F2420-51A0 TO F2420-54A0.
? 417-17-31101 • CASE ASS'Y 1
SN: 65001-
? 417-17-31111 • • CASE,FRONT 1
SN: 65001-
? 418-17-31122 • • CASE,REAR 1
SN: 65001-
? 01010-81235 • BOLT 20
SN: 65001-
? 04020-01228 • PIN 2
SN: 65001-
? 07043-A0211 • PLUG 2
SN: 65001-
? 07044-12412 • PLUG 1
SN: 65001-
? 07002-12434 • O-RING 1
SN: 65001-
? 07030-00252 • BREATHER 1
SN: 65001-
? 417-17-31131 • CAGE 1
SN: 65001-
? 01010-81235 • BOLT 6
SN: 65001-
? 01643-31232 • WASHER 6
SN: 65001-
? 07000-75130 • O-RING 1
SN: 65001-
? 09608-05080 • PLATE¤ NAME 1
SN: 65001-
? 04418-13060 • SCREW 4
SN: 65001-
? 07049-01215 • PLUG 9
SN: 65001-
? 07049-01620 • PLUG 1
SN: 65001-

Wheel Loaders Komatsu / WA200-5-SS S/N 65001-UP(wa200-7r) / TRANSFER (1/4) (CASE)(150020 : F2420-51A0)
?
?
?
?
?
?
?
?
?
?
?
?
?
?
?
?
?
?
?
?
?