k-part
Номер на схеме Каталожный номер Название Количество Детали
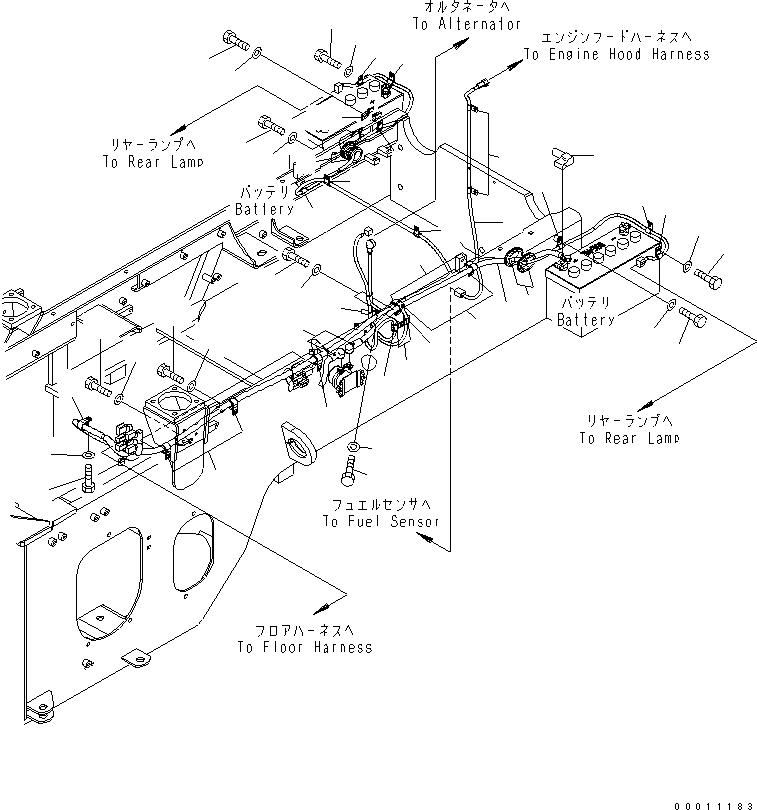
? 418-06-32346 WIRING HARNESS 1
SN: 65001-
? 08028-CC100 CABLE 1
SN: 65001-
? 08037-03620 GROMMET 2
SN: 65001-
? 426-09-11230 GROMMET 2
SN: 65001-
? 04434-52312 CLIP 3
SN: 65001-
? 04434-51912 CLIP 3
SN: 65001-
? 04434-51712 CLIP 2
SN: 65001-
? 04434-51012 CLIP 11
SN: 65001-
? 04434-51712 CLIP 2
SN: 65001-
? 07095-20211 CUSHION 2
SN: 65001-
? 04434-51012 CLIP 2
SN: 65001-
? 01010-81020 BOLT 17
SN: 65001-
? 01643-31032 WASHER 17
SN: 65001-
? 01010-81016 BOLT 2
SN: 65001-
? 01643-31032 WASHER 2
SN: 65001-
? 08193-21012 CLIP 1
SN: 65001-
? 14X-06-12280 COVER,L.H. 1
SN: 65001-
? 08038-06031 CAP 2
SN: 65001-

Wheel Loaders Komatsu / WA200-5-SS S/N 65001-UP(wa200-7r) / REAR HARNESS (1/4) (MAIN HARNESS)(120050 : E0202-01A0)
?
?
?
?
?
?
?
?
?
?
?
?
?
?
?
?
?
?
?
?
?
?
?
?
?
?
?
?
?
?
?
?
?
?
?
?
?
?
?
?
?
?
?
?
?
?