| Номер на схеме | Каталожный номер | Название | Количество | Детали | |||
|---|---|---|---|---|---|---|---|
| ? | (417-15-11003) | TRANSMISSION ASS'Y | 1 | SN: 30001- |
|||
| ? | (417-15-11002) | TRANSMISSION ASS'Y | 1 | SN: 20001-29999 |
|||
| ? | (417-15-11001) | TRANSMISSION ASS'Y | 1 | SN: 10001-19999 |
|||
| ? | THESE ASSEMBLIES CONSIST OF ALL PARTS SHOWN IN FIGS.2111 TO 2171. | ||||||
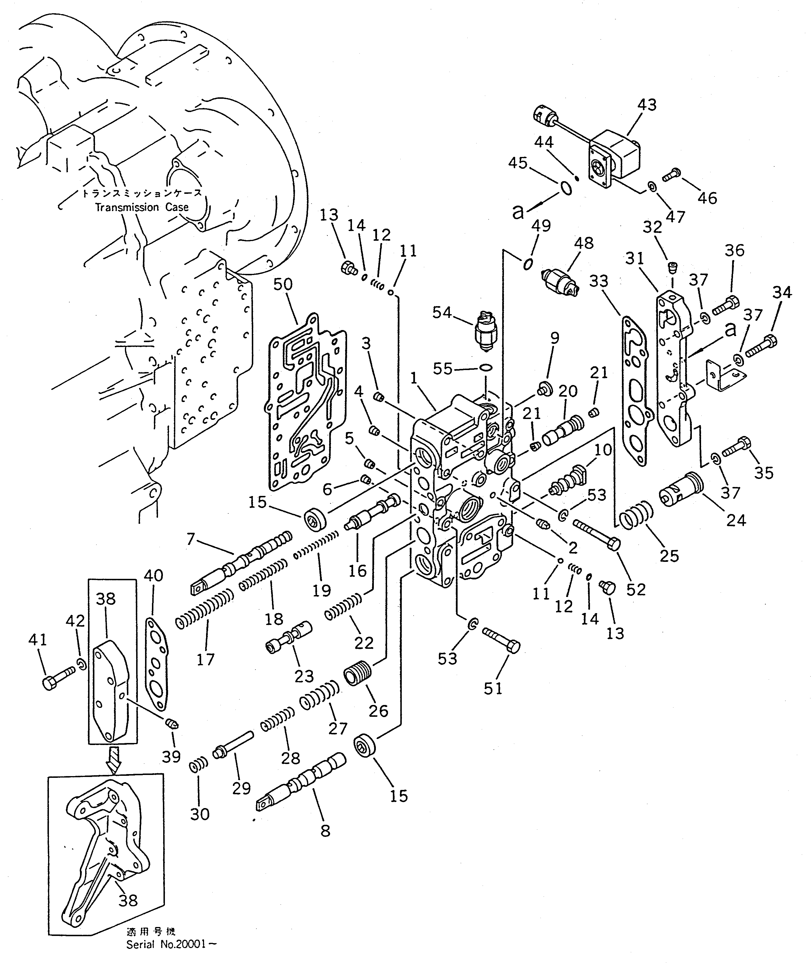
| ? | 417-15-15006 | • CONTROL VALVE ASS'Y | 1 | SN: 20001- |
|||
| ? | 417-15-15004 | • CONTROL VALVE ASS'Y | 1 | SN: 10408-19999 |
|||
| ? | □417-15-15003 | • CONTROL VALVE ASS'Y | 1 | SN: 10001-10407 |
|||
| ? | THESE ASSEMBLIES CONSIST OF ALL PARTS SHOWN IN FIGS.2141 AND 2142. | ||||||
| ? | 417-15-15111 | • • BODY | 1 | SN: 10001- |
|||
| ? | 07042-30108 | • • PLUG | 1 | SN: 10001- |
|||
| ? | 419-15-15420 | • • ORIFICE | 1 | SN: 10001- |
|||
| ? | 417-15-15842 | • • ORIFICE | 1 | SN: 10001- |
|||
| ? | 417-15-15530 | • • ORIFICE | 1 | SN: 20001- |
|||
| ? | 419-15-15420 | • • ORIFICE | 1 | SN: 10001-19999 |
|||
| ? | 419-15-15640 | • • PLUG | 1 | SN: 20001- |
|||
| ? | 415-15-15470 | • • PLUG | 1 | SN: 10001-19999 |
|||
| ? | 417-15-15550 | • • SPOOL,FORWARD AND REVERSE | 1 | SN: 10001- |
|||
| ? | 417-15-15482 | • • SPOOL,RANGE | 1 | SN: 20001- |
|||
| ? | 417-15-15481 | • • SPOOL,RANGE | 1 | SN: 10001-19999 |
|||
| ? | 417-15-15430 | • • PLUG | 1 | SN: 10001- |
|||
| ? | 417-15-15491 | • • PLUG | 1 | SN: ..- |
|||
| ? | □417-15-15490 | • • PLUG | 1 | SN: 10001-.. |
|||
| ? | 04260-00635 | • • BALL | 4 | SN: 10001- |
|||
| ? | 417-15-15720 | • • SPRING | 4 | SN: 10001- |
|||
| ? | 417-15-15410 | • • PLUG | 4 | SN: 10001- |
|||
| ? | 07002-01023 | • • O-RING (K2) | 4 | SN: 10001- |
|||
| ? | 417-15-15621 | • • SEAL,OIL (K2) | 2 | SN: 10001- |
|||
| ? | 415-15-15231 | • • VALVE | 1 | SN: 10001- |
|||
| ? | 417-15-15310 | • • SPRING | 1 | SN: 10001- |
|||
| ? | 417-15-15320 | • • SPRING | 1 | SN: 10001- |
|||
| ? | 417-15-15330 | • • SPRING | 1 | SN: 10001- |
|||
| ? | 417-15-15261 | • • VALVE,NEUTRAL | 1 | SN: 10001- |
|||
| ? | 419-15-15420 | • • ORIFICE | 2 | SN: 10001- |
|||
| ? | 417-15-15370 | • • SPRING | 1 | SN: 10001- |
|||
| ? | 415-15-15540 | • • VALVE,REGULATOR | 1 | SN: .- |
|||
| ? | □417-15-15271 | • • VALVE,REGULATOR | 1 | SN: 10001-. |
|||
| ? | 417-15-15241 | • • VALVE | 1 | SN: 10001- |
|||
| ? | 415-15-15750 | • • SPRING | 1 | SN: 10001- |
|||
| ? | 417-15-15251 | • • VALVE | 1 | SN: 10001- |
|||
| ? | 417-15-15860 | • • SPRING | 1 | SN: 10001- |
|||
| ? | 417-15-15880 | • • SPRING | 1 | SN: 10001- |
|||
| ? | 417-15-15890 | • • STOPPER | 1 | SN: 10001- |
|||
| ? | 417-15-15870 | • • SPRING | 1 | SN: 10001- |
|||
| ? | 415-15-15132 | • • COVER | 1 | SN: .- |
|||
| ? | □415-15-15131 | • • COVER | 1 | SN: 10001-. |
|||
| ? | 07043-00108 | • • PLUG | 1 | SN: 10001- |
|||
| ? | 415-15-15162 | • • GASKET (K2) | 1 | SN: 10115- |
|||
| ? | □415-15-15161 | • • GASKET (K2) | 1 | SN: 10001-10114 |
|||
| ? | 01010-31045 | • • BOLT,(FOR SHIPPING) | 1 | SN: 10001- |
|||
| ? | 01010-31035 | • • BOLT | 2 | SN: 10001- |
|||
| ? | 01010-31040 | • • BOLT | 3 | SN: 10001- |
|||
| ? | 01602-01030 | • • WASHER,SPRING | 6 | SN: 10001- |
|||
| ? | 417-15-15521 | • • COVER | 1 | SN: 20022- |
|||
| ? | □417-15-15520 | • • COVER | 1 | SN: 20001-20021 |
|||
| ? | 415-15-15122 | • • COVER | 1 | SN: 10001-19999 |
|||
| ? | 07042-30108 | • • PLUG | 1 | SN: 10001- |
|||
| ? | 415-15-15180 | • • GASKET (K2) | 1 | SN: 10001- |
|||
| ? | 01010-31045 | • • BOLT | 4 | SN: 10001- |
|||
| ? | 01602-01030 | • • WASHER,SPRING | 4 | SN: 10001- |
|||
| ? | 417-15-15510 | • • VALVE ASS'Y,SOLENOID | 1 | SN: 10001- |
|||
| ? | 421-06-16510 | • • • O-RING (K2) | 1 | SN: 10001- |
|||
| ? | 421-06-16520 | • • • O-RING (K2) | 1 | SN: 10001- |
|||
| ? | 01220-40416 | • • SCREW | 4 | SN: 10001- |
|||
| ? | 01601-20410 | • • WASHER,SPRING | 4 | SN: 10001- |
|||
| ? | 417-15-15610 | • • SWITCH,NEUTRAL | 1 | SN: 10001- |
|||
| ? | 07002-02034 | • • O-RING (K2) | 1 | SN: 10001- |
|||
| ? | 415-15-15151 | • GASKET (K2) | 1 | SN: 10001- |
|||
| ? | 01010-31075 | • BOLT | 6 | SN: 10001- |
|||
| ? | 01010-31085 | • BOLT | 1 | SN: 10001- |
|||
| ? | 01602-01030 | • WASHER,SPRING | 7 | SN: 10001- |
|||
| ? | 417-15-15610 | • SWITCH,BACK | 1 | SN: 10001- |
|||
| ? | 07002-02034 | • O-RING (K2) | 1 | SN: 10001- |
