| Номер на схеме | Каталожный номер | Название | Количество | Детали | |||
|---|---|---|---|---|---|---|---|
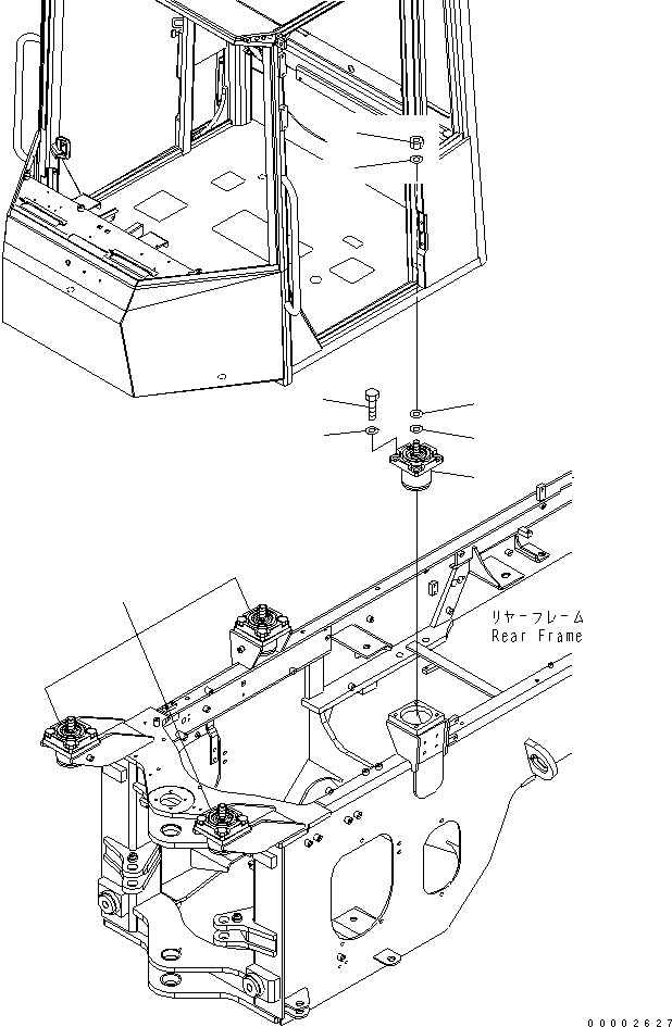
| ? | 416-54-33140 | VISCOUS MOUNT | 4 | SN: 65001- |
|||
| ? | 01643-32460 | WASHER | 8 | SN: 65001- |
|||
| ? | 01596-02419 | NUT | 4 | SN: 65001- |
|||
| ? | 01010-81845 | BOLT | 16 | SN: 65001- |
|||
| ? | 01643-31845 | WASHER | 16 | SN: 65001- |
|||
| ? | 561-40-41210 | SHIM¤ 1.2MM | 4 | SN: 65001- |