| Номер на схеме | Каталожный номер | Название | Количество | Детали | |||
|---|---|---|---|---|---|---|---|
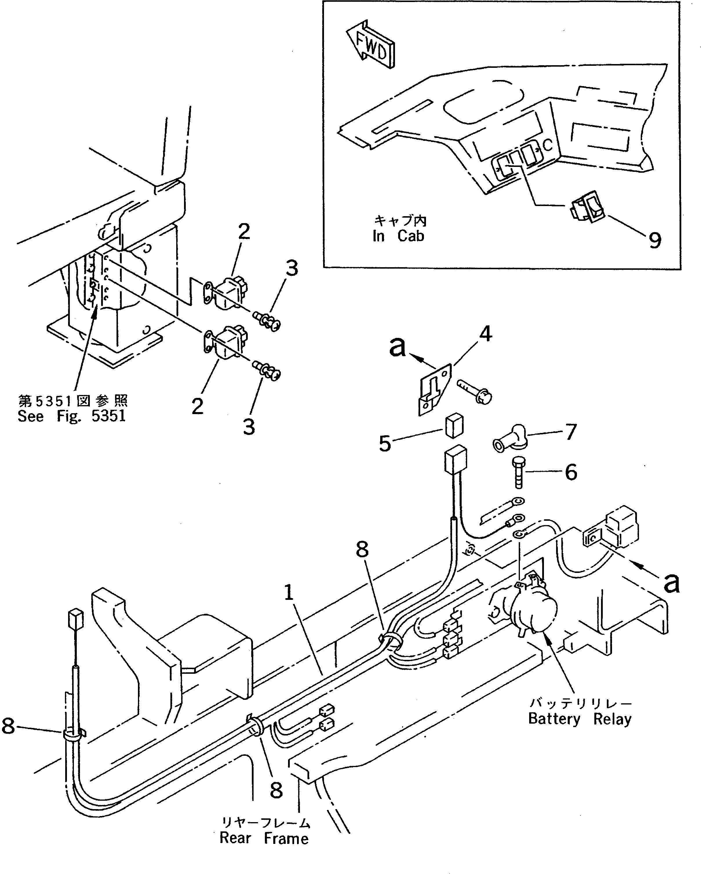
| ? | 418-959-2111 | WIRING HARNESS | 1 | SN: 60542- |
|||
| ? | 418-959-2110 | WIRING HARNESS | 1 | SN: 60001-60541 |
|||
| ? | 8216-07-1310 | RELAY | 2 | SN: 60001- |
|||
| ? | 421-09-21460 | SCREW | 4 | SN: 60001- |
|||
| ? | 416-959-2110 | BRACKET | 1 | SN: 60001- |
|||
| ? | 23S-06-25151 | FUSE¤ 65A,SLOW BLOW | 1 | SN: 60001- |
|||
| ? | 01010-50816 | BOLT | 1 | SN: 60001- |
|||
| ? | 08038-00035 | CAP | 1 | SN: 60001- |
|||
| ? | 08034-20536 | BAND | 3 | SN: 60001- |
|||
| ? | 423-959-2110 | SWITCH,DEFROSTER | 1 | SN: 60001- |
