| Номер на схеме | Каталожный номер | Название | Количество | Детали | |||
|---|---|---|---|---|---|---|---|
| ? | SERIAL NO. IN ( ) INDICATES TRANSMISSION SERIAL NO. | ||||||
| ? | (714-13-10012) | TORQFLOW ASS'Y | 1 | SN: 63473- |
|||
| ? | (714-13-10011) | TORQFLOW ASS'Y | 1 | SN: 63001-63472 |
|||
| ? | (714-13-10210) | TORQFLOW ASS'Y,(TACHOGRAPH & KAISOU) | 1 | SN: 64001- |
|||
| ? | THESE ASSEMBLIES CONSISTS OF ALL PARTS SHOWN IN FIGS.F4350-51A1 TO F4350-70A1. | ||||||
| ? | (714-13-15030) | • CONTROL VALVE ASS'Y | 1 | SN: (77721)- |
|||
| ? | (□714-13-15000) | • CONTROL VALVE ASS'Y | 1 | SN: 63001-(77720) |
|||
| ? | THESE ASSEMBLIES CONSISTS OF ALL PARTS SHOWN IN FIGS.F4350-61A1 TO F4350-63A1A. | ||||||
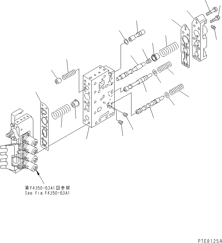
| ? | 714-11-16200 | • • VALVE ASS'Y,LOWER | 1 | SN: (77721)- |
|||
| ? | THIS ASSEMBLY CONSISTS OF ALL PARTS SHOWN IN FIGS.F4350-62A1 AND F4350-63A1A . | ||||||
| ? | □714-11-16101 | • • VALVE ASS'Y,LOWER | 1 | SN: (76923)-(77720) |
|||
| ? | □714-11-16100 | • • VALVE ASS'Y,LOWER | 1 | SN: 63001-(76922) |
|||
| ? | THESE ASSEMBLIES CONSIST OF ALL PARTS SHOWN IN FIGS.F4350-62A1 AND F4350-63A1. | ||||||
| ? | 419-15-16521 | • • • BODY,LOWER | 1 | SN: 63001- |
|||
| ? | 419-15-16530 | • • • COVER | 1 | SN: 63001- |
|||
| ? | 419-15-16541 | • • • GASKET (K2) | 1 | SN: 63001- |
|||
| ? | 419-15-16551 | • • • GASKET (K2) | 1 | SN: 63001- |
|||
| ? | 419-15-16560 | • • • VALVE,T/C REGULATOR SELECTOR | 1 | SN: 63001- |
|||
| ? | 714-11-15210 | • • • VALVE,FORWARD AND REVERSE SELECTOR | 1 | SN: 63001- |
|||
| ? | 714-11-15230 | • • • VALVE,H-L SELECTOR | 1 | SN: 63001- |
|||
| ? | 714-11-15220 | • • • VALVE,SPEED SELECTOR | 1 | SN: 63001- |
|||
| ? | 419-15-16610 | • • • SPRING,T/C REGULATOR SELECTOR | 1 | SN: 63001- |
|||
| ? | 419-15-16620 | • • • SPRING,RETURN | 2 | SN: 63001- |
|||
| ? | 419-15-16631 | • • • SPACER,SPRING | 2 | SN: 63001- |
|||
| ? | 02720-10104 | • • • PLUG | 1 | SN: 63001- |
|||
| ? | 419-15-16640 | • • • RETAINER,SPRING | 1 | SN: 63001- |
|||
| ? | 419-15-16650 | • • • SHIM¤ 1.0MM | 5 | SN: 63001- |
|||
| ? | 417-15-17191 | • • • SLEEVE | 2 | SN: (76923)- |
|||
| ? | □417-15-17190 | • • • SLEEVE | 2 | SN: 63001-(76922) |
|||
| ? | 417-15-17280 | • • • SPRING | 2 | SN: 63001- |
|||
| ? | 07042-80108 | • • • PLUG | 1 | SN: (77721)- |
|||
| ? | 07042-30108 | • • • PLUG | 1 | SN: 63001-(77720) |
|||
| ? | 01010-81030 | • • • BOLT | 2 | SN: 63001- |
|||
| ? | 01010-81055 | • • • BOLT | 7 | SN: 63001- |
|||
| ? | 419-15-15640 | • • • PLUG | 1 | SN: 63001- |
|||
| ? | 415-15-15430 | • • • PLUG | 1 | SN: 63001- |