| Номер на схеме | Каталожный номер | Название | Количество | Детали | |||
|---|---|---|---|---|---|---|---|
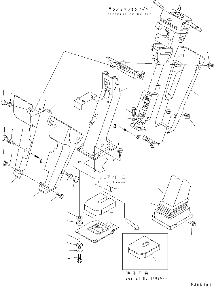
| ? | 418-40-22120 | BRACKET | 1 | SN: 63001- |
|||
| ? | 418-40-22132 | SEAL | 1 | SN: 64065- |
|||
| ? | 418-40-22131 | SEAL | 1 | SN: 63001-64064 |
|||
| ? | 01435-01250 | BOLT | 3 | SN: 63001- |
|||
| ? | 419-43-17920 | WASHER | 6 | SN: 63001- |
|||
| ? | 419-43-17930 | CUSHION | 3 | SN: 63001- |
|||
| ? | 417-62-13620 | CUSHION | 3 | SN: 63001- |
|||
| ? | 417-62-14130 | SPACER | 3 | SN: 63001- |
|||
| ? | 02010-70638 | BOLT | 4 | SN: 63001- |
|||
| ? | 01643-31032 | WASHER | 4 | SN: 63001- |
|||
| ? | 421-54-22210 | SUPPORT | 1 | SN: 63001- |
|||
| ? | 01435-01230 | BOLT | 4 | SN: 63001- |
|||
| ? | 421-54-22310 | COVER | 1 | SN: 63001- |
|||
| ? | 421-09-21410 | SCREW | 4 | SN: 63001- |
|||
| ? | 421-54-22321 | COVER,L.H. | 1 | SN: 63001- |
|||
| ? | 421-54-22331 | COVER,R.H. | 1 | SN: 63001- |
|||
| ? | 421-09-21410 | SCREW | 6 | SN: 63001- |
|||
| ? | 01642-40608 | WASHER | 2 | SN: 63001- |
|||
| ? | 421-09-21430 | SCREW | 2 | SN: 63001- |
|||
| ? | 01642-40608 | WASHER | 2 | SN: 63001- |
|||
| ? | 421-09-21340 | NUT | 2 | SN: 63001- |
|||
| ? | 421-54-22540 | PLUG | 4 | SN: 63001- |
|||
| ? | 421-54-22340 | BOOT | 1 | SN: 63001- |
|||
| ? | 421-09-21240 | PLUG | 6 | SN: 63001- |