| Номер на схеме | Каталожный номер | Название | Количество | Детали | |||
|---|---|---|---|---|---|---|---|
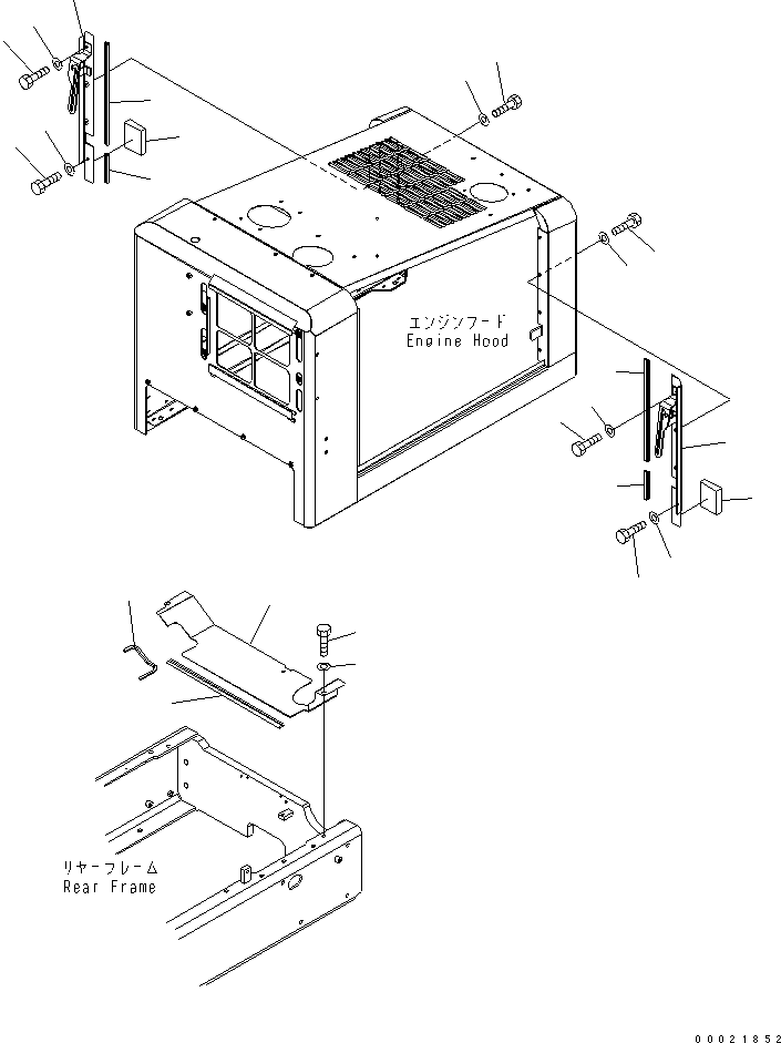
| ? | 416-54-31231 | SEAL | 2 | SN: 70001- |
|||
| ? | 416-54-31290 | SEAL | 2 | SN: 70001- |
|||
| ? | 416-54-34772 | BRACKET,L.H. | 1 | SN: 70001- |
|||
| ? | 416-54-34782 | BRACKET,R.H. | 1 | SN: 70001- |
|||
| ? | 416-54-31241 | SHEET | 2 | SN: 70001- |
|||
| ? | 01010-81020 | BOLT | 6 | SN: 70001- |
|||
| ? | 01643-31032 | WASHER | 6 | SN: 70001- |
|||
| ? | 01010-81025 | BOLT | 2 | SN: 70001- |
|||
| ? | 01643-31032 | WASHER | 2 | SN: 70001- |
|||
| ? | 416-54-31392 | PLATE | 1 | SN: 70001- |
|||
| ? | 01010-81020 | BOLT | 3 | SN: 70001- |
|||
| ? | 01643-31032 | WASHER | 3 | SN: 70001- |
|||
| ? | 416-54-33240 | FINISHER | 1 | SN: 70001- |
|||
| ? | 418-54-35440 | SEAL | 1 | SN: 70001- |