| Номер на схеме | Каталожный номер | Название | Количество | Детали | |||
|---|---|---|---|---|---|---|---|
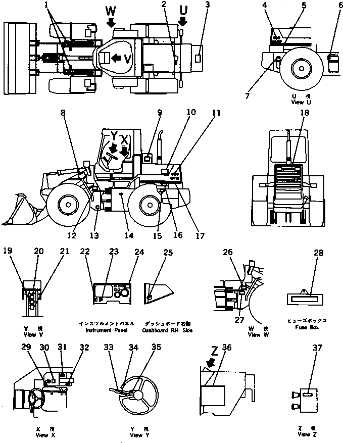
| ? | 419-93-11930 | PLATE, CAUTION | 2 | SN: 10001- KIT-FLAG: _- SERIALNO: 10001- |
|||
| ? | 09668-02000 | PLATE, SAFETY,RADIATOR CAP | 1 | SN: 10001- KIT-FLAG: _- SERIALNO: 10001- |
|||
| ? | 416-93-11450 | PLATE, CAUTION,BATTERY | 1 | SN: 10001- KIT-FLAG: _- SERIALNO: 10001- |
|||
| ? | 416-93-11720 | PLATE | SN: 10001- KIT-FLAG: _- SERIALNO: 10001- |
||||
| ? | 416-93-11430 | STRIPE | 1 | SN: 10001- KIT-FLAG: _- SERIALNO: 10001- |
|||
| ? | 09653-02000 | PLATE, SAFETY,HYDRAULIC | 1 | SN: 10001- KIT-FLAG: _- SERIALNO: 10001- |
|||
| ? | 09101-02000 | PLATE, CAUTION,FUEL | 1 | SN: 10001- KIT-FLAG: _- SERIALNO: 10001- |
|||
| ? | 419-93-11950 | PLATE, CAUTION,KEEP OUT | 2 | SN: 10001- KIT-FLAG: _- SERIALNO: 10001- |
|||
| ? | 09637-81161 | PLATE, INSTRUCTION | 1 | SN: 10001- KIT-FLAG: _- SERIALNO: 10001- |
|||
| ? | 419-93-11950 | PLATE, CAUTION,KEEP OUT | 2 | SN: 10001- KIT-FLAG: _- SERIALNO: 10001- |
|||
| ? | 416-93-11710 | PLATE | 1 | SN: 10001- KIT-FLAG: _- SERIALNO: 10001- |
|||
| ? | 362-98-11620 | PLATE, CAUTION,KEEP OUT | 1 | SN: 10001- KIT-FLAG: _- SERIALNO: 10001- |
|||
| ? | 362-98-11160 | PLATE, CAUTION,FRAME LOCK | 1 | SN: 10001- KIT-FLAG: _- SERIALNO: 10001- |
|||
| ? | 419-93-11541 | PLATE, CAUTION,OIL INSPECTION | 1 | SN: 10001- KIT-FLAG: _- SERIALNO: 10001- |
|||
| ? | 419-93-11930 | PLATE, CAUTION | 1 | SN: 10001- KIT-FLAG: _- SERIALNO: 10001- |
|||
| ? | 20T-98-22330 | PLATE, SAFETY,FAN BELT | 2 | SN: 10001- KIT-FLAG: _- SERIALNO: 10001- |
|||
| ? | 416-93-11430 | STRIPE | 1 | SN: 10001- KIT-FLAG: _- SERIALNO: 10001- |
|||
| ? | 09690-50400 | PLATE, MARK,KOMATSU | 1 | SN: 10001- KIT-FLAG: _- SERIALNO: 10001- |
|||
| ? | 419-93-11531 | PLATE, CAUTION,TRANSMISSION OIL TEMPERATURE | 1 | SN: 10001- KIT-FLAG: _- SERIALNO: 10001- |
|||
| ? | 419-93-11521 | PLATE, SAFETY | 1 | SN: 10001- KIT-FLAG: _- SERIALNO: 10001- |
|||
| ? | 362-98-11150 | PLATE, CAUTION,STARTING AND INSPECTION | 1 | SN: 10001- KIT-FLAG: _- SERIALNO: 10001- |
|||
| ? | 417-93-11540 | PLATE, OPERATING,PARKING LAMP SWITCH | 1 | SN: 10001- KIT-FLAG: _- SERIALNO: 10001- |
|||
| ? | 417-93-11550 | PLATE, OPERATING,WORKING LAMP SWITCH | 1 | SN: 10001- KIT-FLAG: _- SERIALNO: 10001- |
|||
| ? | 417-93-11531 | PLATE, OPERATING,LIGHT SWITCH | 1 | SN: 10001- KIT-FLAG: _- SERIALNO: 10001- |
|||
| ? | 09683-21050 | PLATE, OPERATING,STARTER SWITCH | 1 | SN: 10001- KIT-FLAG: _- SERIALNO: 10001- |
|||
| ? | 362-98-11620 | PLATE, CAUTION,KEEP OUT | 1 | SN: 10001- KIT-FLAG: _- SERIALNO: 10001- |
|||
| ? | 09602-25635 | PLATE, NAME,(LIMITED SUPPLY) | 1 | SN: 10001- KIT-FLAG: _- SERIALNO: 10001- |
|||
| ? | 04418-13060 | SCREW | 4 | SN: 10001- KIT-FLAG: _- SERIALNO: 10001- |
|||
| ? | 417-93-11523 | PLATE,FUSE BOX | 1 | SN: 10001- KIT-FLAG: _- SERIALNO: 10001- |
|||
| ? | 09685-00004 | PLATE, OPERATING,LOCK LEVER | 1 | SN: 10001- KIT-FLAG: _- SERIALNO: 10001- |
|||
| ? | 417-93-11121 | PLATE, OPERATING,LOADER CONTROL | 1 | SN: 10001- KIT-FLAG: _- SERIALNO: 10001- |
|||
| ? | 419-93-11571 | PLATE, CAUTION,BRAKE OIL | 1 | SN: 10001- KIT-FLAG: _- SERIALNO: 10001- |
|||
| ? | 416-93-11350 | PLATE,FUSE BOX | 1 | SN: 10001- KIT-FLAG: _- SERIALNO: 10001- |
|||
| ? | 417-93-11170 | PLATE | 1 | SN: 10001- KIT-FLAG: _- SERIALNO: 10001- |
|||
| ? | 417-93-11160 | PLATE | 1 | SN: 10001- KIT-FLAG: _- SERIALNO: 10001- |
|||
| ? | 417-93-11131 | PLATE, OPERATING,TRANSMISSION CONTROL | 1 | SN: 10001- KIT-FLAG: _- SERIALNO: 10001- |
|||
| ? | 416-93-11740 | CHART, OIL | 1 | SN: 10001- KIT-FLAG: _- SERIALNO: 10001- |
|||
| ? | 416-93-11520 | PLATE,FUSE BOX | 1 | SN: 10001- KIT-FLAG: _- SERIALNO: 10001- |
