| Номер на схеме | Каталожный номер | Название | Количество | Детали | |||
|---|---|---|---|---|---|---|---|
| ? | (415-23-10003) | REAR AXLE ASS'Y | 1 | SN: 12288- KIT-FLAG: _- SERIALNO: 12288- |
|||
| ? | (□415-23-10002) | REAR AXLE ASS'Y | 1 | SN: 12001-12287 KIT-FLAG: _- SERIALNO: 12001-12287 |
|||
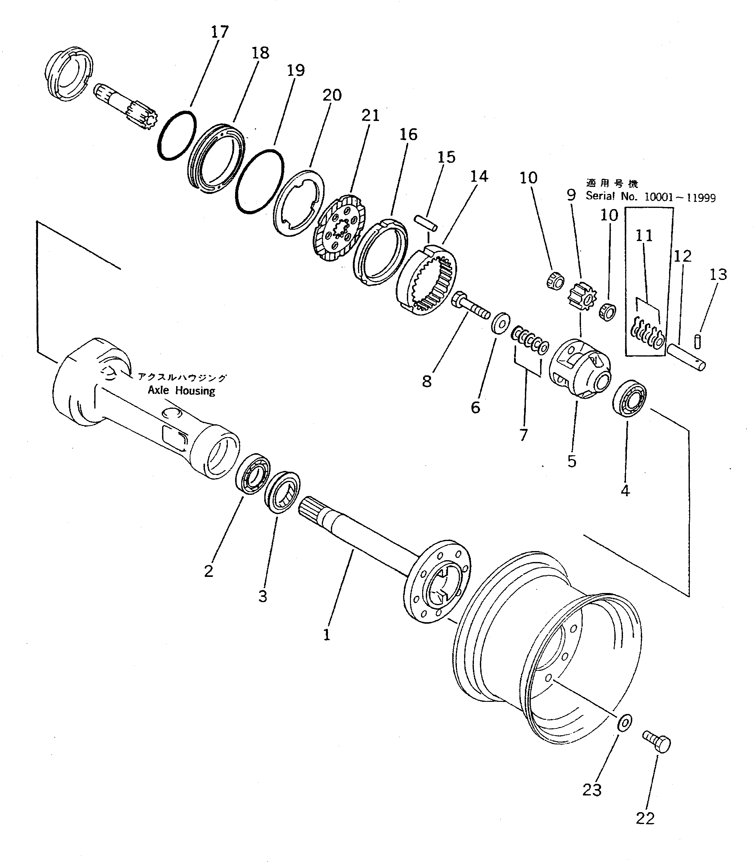
| ? | (415-23-10001) | REAR AXLE ASS'Y | 1 | SN: 10001-11999 KIT-FLAG: _- SERIALNO: 10001-11999 |
|||
| ? | THESE ASSEMBLIES CONSIST OF ALL PARTS SHOWN IN FIGS.3201 TO 3221. | SERIALNO: |
|||||
| ? | 415-22-12412 | • SHAFT | 2 | SN: 12001- KIT-FLAG: _- SERIALNO: 12001- |
|||
| ? | 415-22-12411 | • SHAFT | 2 | SN: 10001-11999 KIT-FLAG: _- SERIALNO: 10001-11999 |
|||
| ? | 415-22-12851 | • BEARING | 2 | SN: 12001- KIT-FLAG: _- SERIALNO: 12001- |
|||
| ? | 415-22-12850 | • BEARING | 2 | SN: 10001-11999 KIT-FLAG: _- SERIALNO: 10001-11999 |
|||
| ? | 415-22-12460 | • SEAL | 2 | SN: 10001- KIT-FLAG: _- SERIALNO: 10001- |
|||
| ? | 415-22-12840 | • BEARING | 2 | SN: 12001- KIT-FLAG: _- SERIALNO: 12001- |
|||
| ? | 06030-06211 | • BEARING | 2 | SN: 10001-11999 KIT-FLAG: _- SERIALNO: 10001-11999 |
|||
| ? | 415-22-12611 | • CARRIER | 2 | SN: 12001- KIT-FLAG: _- SERIALNO: 12001- |
|||
| ? | 415-22-12610 | • CARRIER | 2 | SN: 10001-11999 KIT-FLAG: _- SERIALNO: 10001-11999 |
|||
| ? | 415-22-12351 | • HOLDER | 2 | SN: 12001- KIT-FLAG: _- SERIALNO: 12001- |
|||
| ? | 415-22-12350 | • SPACER | 2 | SN: 10001-11999 KIT-FLAG: _- SERIALNO: 10001-11999 |
|||
| ? | 415-22-12360 | • SHIM, 0.05MM | 2 | SN: 10001- KIT-FLAG: _- SERIALNO: 10001- |
|||
| ? | 415-22-12370 | • SHIM, 0.2MM | 4 | SN: 10001- KIT-FLAG: _- SERIALNO: 10001- |
|||
| ? | 415-22-12380 | • SHIM, 0.3MM | 6 | SN: 10001- KIT-FLAG: _- SERIALNO: 10001- |
|||
| ? | 415-22-12390 | • SHIM, 0.8MM | 2 | SN: 10001- KIT-FLAG: _- SERIALNO: 10001- |
|||
| ? | 01010-61250 | • BOLT | 2 | SN: 10001- KIT-FLAG: _- SERIALNO: 10001- |
|||
| ? | 415-22-12531 | • GEAR | 6 | SN: 12001- KIT-FLAG: _- SERIALNO: 12001- |
|||
| ? | 415-22-12530 | • GEAR | 6 | SN: 10001-11999 KIT-FLAG: _- SERIALNO: 10001-11999 |
|||
| ? | 415-22-12811 | • BEARING | 12 | SN: 12001- KIT-FLAG: _- SERIALNO: 12001- |
|||
| ? | 415-22-12810 | • BEARING | 12 | SN: 10001-11999 KIT-FLAG: _- SERIALNO: 10001-11999 |
|||
| ? | 415-22-12260 | • SHIM, 0.2MM | 12 | SN: 10001-11999 KIT-FLAG: _- SERIALNO: 10001-11999 |
|||
| ? | 415-22-12270 | • SHIM, 0.3MM | 12 | SN: 10001-11999 KIT-FLAG: _- SERIALNO: 10001-11999 |
|||
| ? | 415-22-12280 | • SHIM, 0.5MM | 42 | SN: 10001-11999 KIT-FLAG: _- SERIALNO: 10001-11999 |
|||
| ? | 415-22-12512 | • SHAFT | 6 | SN: 12001- KIT-FLAG: _- SERIALNO: 12001- |
|||
| ? | 415-22-12511 | • SHAFT | 6 | SN: 10001-11999 KIT-FLAG: _- SERIALNO: 10001-11999 |
|||
| ? | 04025-00616 | • PIN,SPRING | 6 | SN: 10001- KIT-FLAG: _- SERIALNO: 10001- |
|||
| ? | 415-22-12540 | • GEAR | 2 | SN: 10001- KIT-FLAG: _- SERIALNO: 10001- |
|||
| ? | 415-22-12581 | • PIN | 6 | SN: 10001- KIT-FLAG: _- SERIALNO: 10001- |
|||
| ? | 415-33-11262 | • PLATE | 2 | SN: .- KIT-FLAG: _- SERIALNO: .- |
|||
| ? | □415-33-11261 | • PLATE | 2 | SN: 12001-. KIT-FLAG: _- SERIALNO: 12001-. |
|||
| ? | 415-33-11260 | • PLATE | 2 | SN: 10001-11999 KIT-FLAG: _- SERIALNO: 10001-11999 |
|||
| ? | 415-33-11420 | • O-RING | 2 | SN: 10001- KIT-FLAG: _- SERIALNO: 10001- |
|||
| ? | 415-33-11120 | • PISTON | 2 | SN: 10001- KIT-FLAG: _- SERIALNO: 10001- |
|||
| ? | 415-33-11410 | • O-RING | 2 | SN: 10001- KIT-FLAG: _- SERIALNO: 10001- |
|||
| ? | 415-33-11250 | • PLATE | 2 | SN: 10001- KIT-FLAG: _- SERIALNO: 10001- |
|||
| ? | 415-33-11241 | • DISC | 2 | SN: 12001- KIT-FLAG: _- SERIALNO: 12001- |
|||
| ? | 415-33-11240 | • DISC | 2 | SN: 10001-11999 KIT-FLAG: _- SERIALNO: 10001-11999 |
|||
| ? | 417-22-12910 | • BOLT | 16 | SN: 10001- KIT-FLAG: _- SERIALNO: 10001- |
|||
| ? | 01643-32460 | • WASHER | 16 | SN: 10001- KIT-FLAG: _- SERIALNO: 10001- |
