| Номер на схеме | Каталожный номер | Название | Количество | Детали | |||
|---|---|---|---|---|---|---|---|
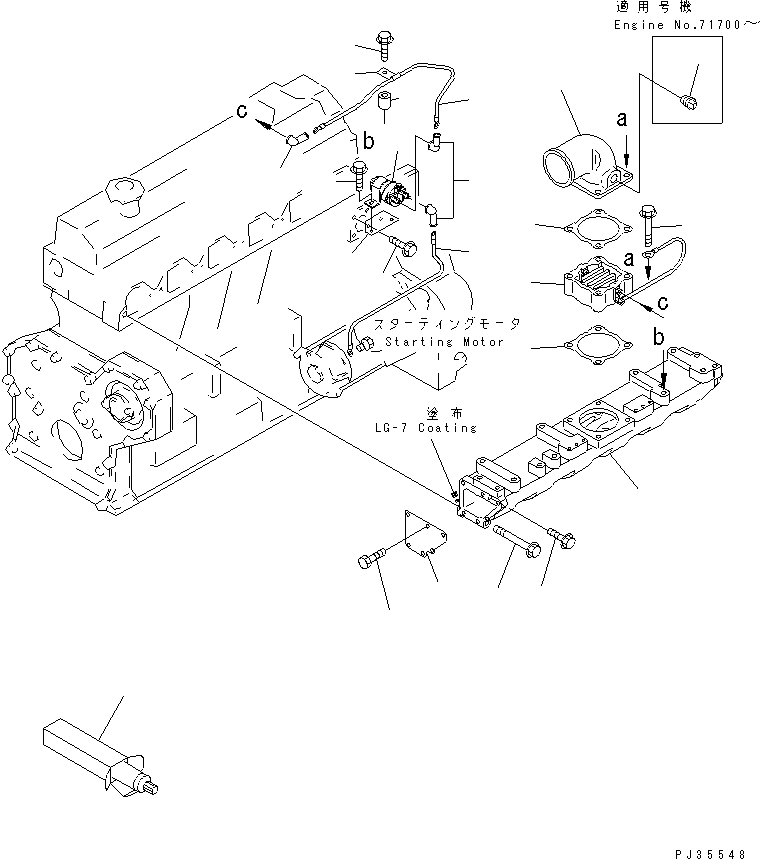
| ? | 6206-11-4170 | INTAKE MANIFOLD A. | 1 | SN: 41930- KIT-FLAG: _- SERIALNO: 41930- |
|||
| ? | 6206-11-4140 | • MANIFOLD,AIR INTAKE | 1 | SN: 41930- KIT-FLAG: _- SERIALNO: 41930- |
|||
| ? | 6206-11-4150 | • PLATE | 2 | SN: 41930- KIT-FLAG: _- SERIALNO: 41930- |
|||
| ? | 6206-11-4160 | • BOLT | 12 | SN: 41930- KIT-FLAG: _- SERIALNO: 41930- |
|||
| ? | 01435-21030 | BOLT | 10 | SN: 41930- KIT-FLAG: _- SERIALNO: 41930- |
|||
| ? | 01435-21085 | BOLT | 2 | SN: 41930- KIT-FLAG: _- SERIALNO: 41930- |
|||
| ? | 600-815-2341 | HEATER,RIBBON | 1 | SN: 10001- KIT-FLAG: _- SERIALNO: 10001- |
|||
| ? | 6206-11-4250 | CONNECTOR,AIR | 1 | SN: 71700- KIT-FLAG: _- SERIALNO: 71700- |
|||
| ? | ▩6206-11-4210 | CONNECTOR,AIR | 1 | SN: 10001-71699 KIT-FLAG: _- SERIALNO: 10001-71699 |
|||
| ? | (6206-11-4250,07042-70415) | SERIALNO: |
|||||
| ? | 07042-70415 | PLUG | 1 | SN: 71700- KIT-FLAG: _- SERIALNO: 71700- |
|||
| ? | 6136-11-4820 | GASKET (K1) | 2 | SN: 10001- KIT-FLAG: _- SERIALNO: 10001- |
|||
| ? | 01435-21070 | BOLT | 4 | SN: 10001- KIT-FLAG: _- SERIALNO: 10001- |
|||
| ? | 6206-81-5510 | BRACKET | 1 | SN: 10009- KIT-FLAG: _- SERIALNO: 10009- |
|||
| ? | 01435-21020 | BOLT | 2 | SN: 10009- KIT-FLAG: _- SERIALNO: 10009- |
|||
| ? | 01435-21025 | BOLT,(WITH CORROSION RESISTOR) | 2 | SN: 10009- KIT-FLAG: _- SERIALNO: 10009- |
|||
| ? | 600-815-2170 | SWITCH | 1 | SN: 10009- KIT-FLAG: _- SERIALNO: 10009- |
|||
| ? | 01435-20612 | BOLT | 2 | SN: 10009- KIT-FLAG: _- SERIALNO: 10009- |
|||
| ? | 6206-81-4720 | WIRE, 480MM | 1 | SN: 10009- KIT-FLAG: _- SERIALNO: 10009- |
|||
| ? | 6206-81-4730 | WIRE, 380MM | 1 | SN: 10009- KIT-FLAG: _- SERIALNO: 10009- |
|||
| ? | 08036-10814 | CLIP | 1 | SN: 10009- KIT-FLAG: _- SERIALNO: 10009- |
|||
| ? | 6131-12-5920 | SPACER | 1 | SN: 10009- KIT-FLAG: _- SERIALNO: 10009- |
|||
| ? | 01435-21025 | BOLT | 1 | SN: 10009- KIT-FLAG: _- SERIALNO: 10009- |
|||
| ? | 08038-00519 | CAP | 3 | SN: 10009- KIT-FLAG: _- SERIALNO: 10009- |
|||
| ? | 09920-00150 | LIQUID GASKET,LG-7, 150G | A/R | SN: 10001- KIT-FLAG: _- SERIALNO: 10001- |