k-part
Номер на схеме Каталожный номер Название Количество Детали
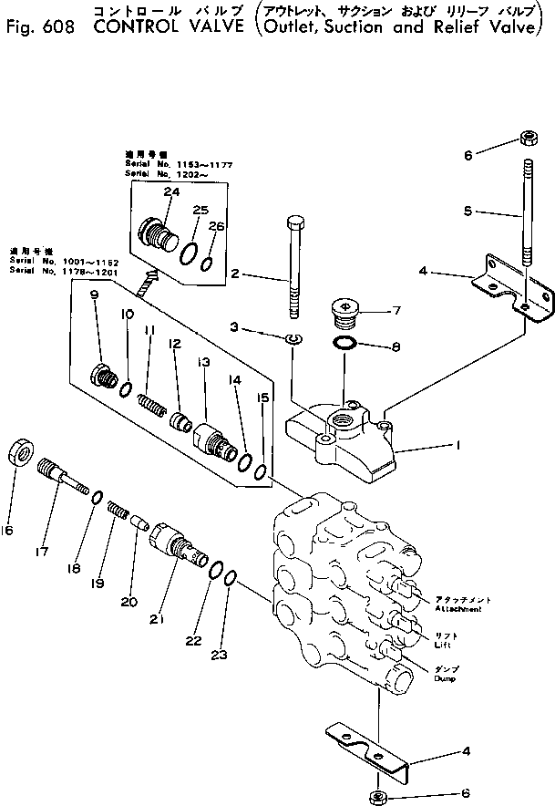
? (700-23-18001) CONTROL VALVE ASS'Y 1
SN: 1202-
? (700-23-18000) CONTROL VALVE ASS'Y 1
SN: 1178-1201
? (700-23-18001) CONTROL VALVE ASS'Y 1
SN: 1153-1177
? (700-23-18000) CONTROL VALVE ASS'Y 1
SN: 1001-1152
? • COVER 1
SN: 1001-
? 700-22-11731 • BOLT 1
SN: 1001-
? 01602-21030 • WASHER,SPRING 1
SN: 1001-
? 700-22-11220 • ANGLE 2
SN: 1001-
? 700-22-11211 • STUD 2
SN: 1001-
? 01580-10806 • NUT 4
SN: 1001-
? 07040-12414 • PLUG 1
SN: 1001-
? 07002-02434 • O-RING 1
SN: 1001-
? 700-20-61002 • VALVE ASS'Y 1
SN: 1178-1201
? 700-20-61002 • VALVE ASS'Y 1
SN: 1001-1152
? • • PLUG 1
SN: 1178-1201
? • • PLUG 1
SN: 1001-1152
? • • O-RING 1
SN: 1178-1201
? • • O-RING 1
SN: 1001-1152
? • • SPRING 1
SN: 1178-1201
? • • SPRING 1
SN: 1001-1152
? • • VALVE 1
SN: 1178-1201
? • • VALVE 1
SN: 1001-1152
? • • SLEEVE 1
SN: 1178-1201
? • • SLEEVE 1
SN: 1001-1152
? 07002-02434 • • O-RING 1
SN: 1178-1201
? 07002-02434 • • O-RING 1
SN: 1001-1152
? 07000-12014 • • O-RING 1
SN: 1178-1201
? 07000-12014 • • O-RING 1
SN: 1001-1152
? 700-21-55000 • RELIEF VALVE ASS'Y 1
SN: 1001-
? • • NUT 1
SN: 1001-
? • • PISTON 1
SN: 1001-
? • • O-RING 1
SN: 1001-
? • • SPRING 1
SN: 1001-
? • • POPPET 1
SN: 1001-
? • • SLEEVE 1
SN: 1001-
? 07002-02434 • • O-RING 1
SN: 1001-
? 07000-12014 • • O-RING 1
SN: 1001-
? 700-22-11360 • PLUG 1
SN: 1202-
? 700-22-11360 • PLUG 1
SN: 1153-1177
? 07002-02434 • O-RING 1
SN: 1202-
? 07002-02434 • O-RING 1
SN: 1153-1177
? 07000-12014 • O-RING 1
SN: 1202-
? 07000-12014 • O-RING 1
SN: 1153-1177

Skid Steer Loaders Komatsu / SK04-1 S/N 1001-UP(sk04-1r) / CONTROL VALVE (OUTLET ? SUCTION AND RELIEF VALVE)(180090 : 608)