k-part
Номер на схеме Каталожный номер Название Количество Детали
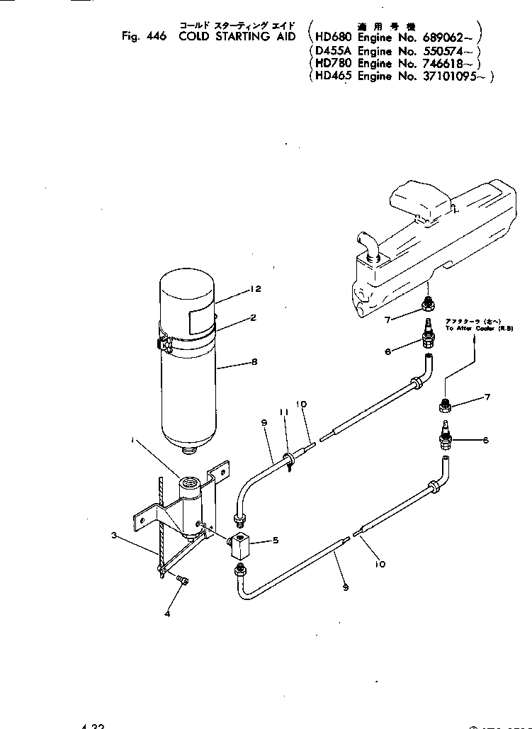
? CU259374 ETHER KIT 1
SN: 689062-
? • CLAMP 1
SN: 689062-
? CU3302696 • CABLE 1
SN: 689062-
? CU3302701 • SCREW 1
SN: 689062-
? CU259357 • FITTING 1
SN: 689062-
? CU259346 • ATOMIZER 2
SN: 689062-
? CUS-970-B • PLUG 2
SN: 689062-
? CU259345 CYLINDER 1
SN: 689062-
? 07823-00426 TUBE 2
SN: 689062-
? 6715-81-4450 TUBE 2
SN: 689062-
? 6715-81-1660 PLATE ? CAUTION,(SPANISH) 1
SN: 689062-
? 6715-81-1260 PLATE ? CAUTION,(FRENCH) 1
SN: 689062-
? 6715-81-1560 PLATE ? CAUTION,(GERMAN) 1
SN: 689062-

Engines Komatsu / VTA-1710-1D S/N 430077-UP(vta-173r) / COLD STARTING AID(#689062-)(120060 : 446)