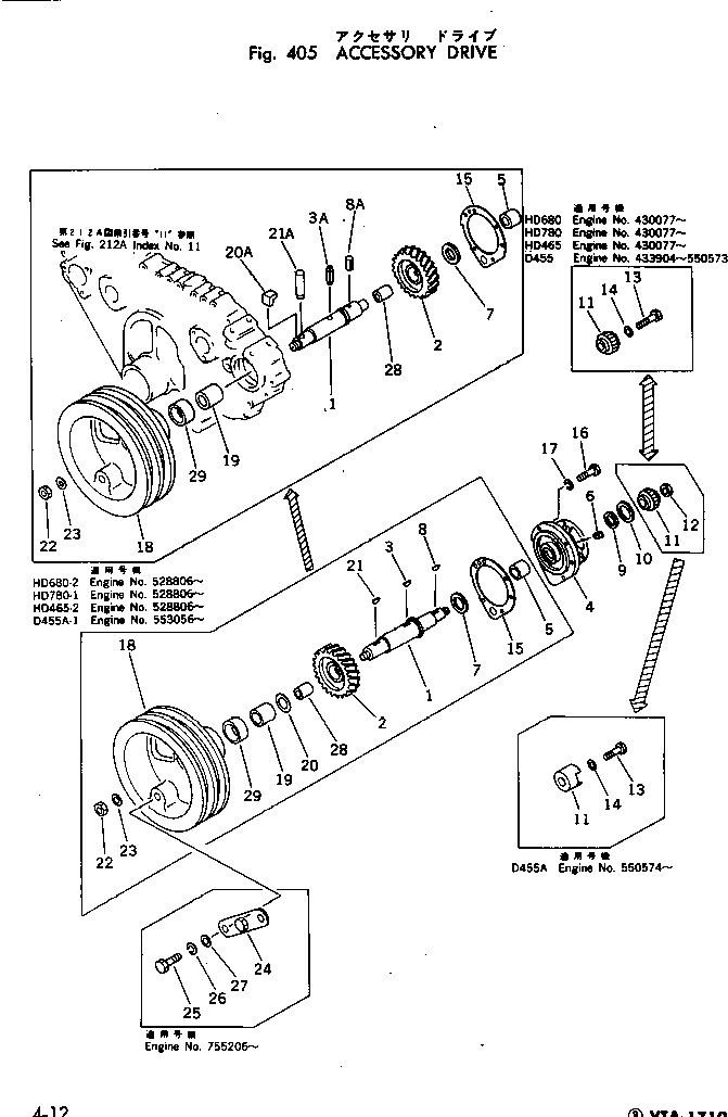
k-part
Номер на схеме Каталожный номер Название Количество Детали
? CU3005123 PUMP ASS'Y 1
SN: 430077-
? CU3003182 • SHAFT 1
SN: 430077-528805
? CU3000171 • SHAFT 1
SN: 528806-
? CU123128 • GEAR 1
SN: 430077-
? 02410-01025 • KEY 1
SN: 528806-
? CU3034438 • PIN 1
SN: 528806-
? CUAR-7556 • HOUSING ASS'Y 1
SN: 430077-
? CU3002173 • • HOUSING 1
SN: 430077-
? CU116391 • • BUSHING 1
SN: 430077-
? 02720-20204 • • PLUG 1
SN: 430077-
? CU3026556 • BEARING (STD) 1
SN: .-
? □CU116388 • WASHER (STD) 1
SN: 430077-.
? 02410-00619 • KEY 1
SN: 430077-553055
? □CU3010919 • PIN 1
SN: 553056-
? CU3026557 • WASHER (STD) 1
SN: .-
? □CU116389 • WASHER (STD) 1
SN: 430077-.
? CU116390 • WASHER 1
SN: 430077-553055
? CU3014103 • WASHER 1
SN: 553056-
? CU3000174 • HUB 1
SN: 430077-
? CU3000173 • BOLT 1
SN: 430077-
? CU170664 • WASHER 1
SN: 430077-
? CU200808 GASKET 1
SN: 430077-
? 02010-20732 BOLT 5
SN: 430077-
? 01602-01134 WASHER 5
SN: 430077-
? CUAR-5830 PULLEY ASS'Y 1
SN: 430077-528805
? CU3015113 PULLEY ASS'Y 1
SN: 528806-
? • PULLEY 1
SN: 430077-528805
? • PULLEY 1
SN: 528806-
? CU190397 • SLEEVE 1
SN: 430077-
? CU181236 SEAL 1
SN: 430077-528805
? CU3008947 SEAL 1
SN: 528806-
? 02410-01025 KEY 1
SN: 430077-528805
? CU70550 PIN 1
SN: 528806-
? CU194380 WASHER 1
SN: 430077-
? CU174448 PLATE 1
SN: 430077-
? CU103009 BOLT 2
SN: 430077-
? 01602-01134 WASHER 2
SN: 430077-
? 01640-21123 WASHER 2
SN: 430077-
? CU132770 BUSHING 1
SN: 430077-
? CU3000975 SEAL 1
SN: 430077-

Engines Komatsu / VTA-1710-1D S/N 430077-UP(vta-173r) / ACCESSORY DRIVE(#433904-)(120030 : 405)