| Номер на схеме | Каталожный номер | Название | Количество | Детали | |||
|---|---|---|---|---|---|---|---|
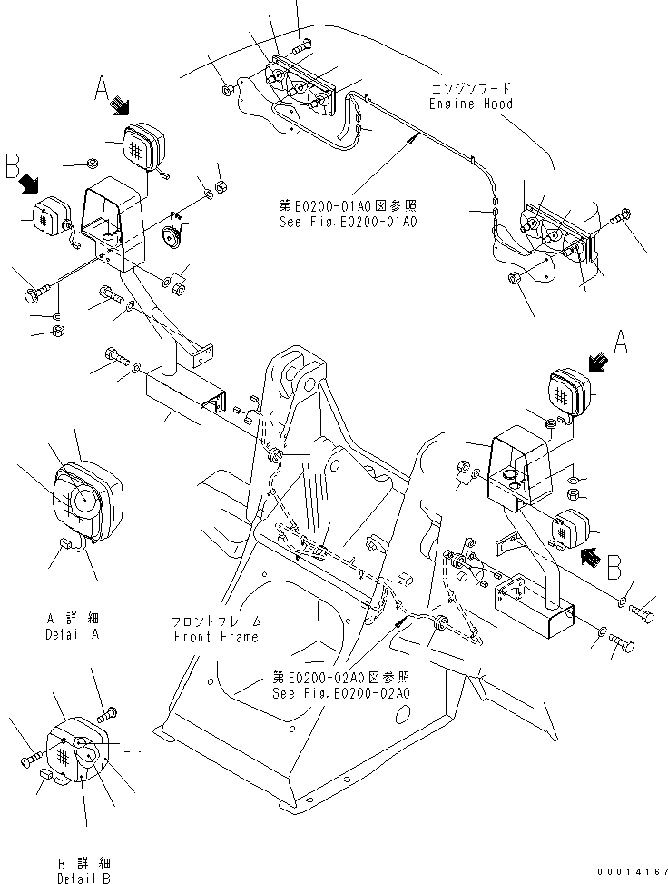
| ? | 363-U15-3122 | BRACKET,L.H. | 1 | SN: 26001- |
|||
| ? | 08037-02512 | GROMMET | 1 | SN: 26001- |
|||
| ? | 418-06-12430 | GROMMET | 2 | SN: 26001- |
|||
| ? | 01010-80816 | BOLT | 3 | SN: 26001- |
|||
| ? | 01643-30823 | WASHER | 3 | SN: 26001- |
|||
| ? | 363-U15-3132 | BRACKET,R.H. | 1 | SN: 26001- |
|||
| ? | 08037-02512 | GROMMET | 1 | SN: 26001- |
|||
| ? | 418-06-12430 | GROMMET | 2 | SN: 26001- |
|||
| ? | 01010-80816 | BOLT | 3 | SN: 26001- |
|||
| ? | 01643-30823 | WASHER | 3 | SN: 26001- |
|||
| ? | 01010-81235 | BOLT | 2 | SN: 26001- |
|||
| ? | 01643-31232 | WASHER | 2 | SN: 26001- |
|||
| ? | 01580-10806 | NUT | 2 | SN: 26001- |
|||
| ? | 01643-30823 | WASHER | 2 | SN: 26001- |
|||
| ? | 363-06-36210 | LAMP,HEAD | 2 | SN: 26001- |
|||
| ? | 363-06-33170 | • LENS | 1 | SN: 26001- |
|||
| ? | 363-06-33120 | • BULB¤ 35W | 1 | SN: 26001- |
|||
| ? | 01580-10806 | • NUT | 1 | SN: 26001- |
|||
| ? | 08192-22830 | • CONNECTOR | 1 | SN: 26001- |
|||
| ? | 08023-06020 | • TUBE | 1 | SN: 26001- |
|||
| ? | 363-06-37520 | LAMP,INDICATOR | 2 | SN: 26001- |
|||
| ? | 41G-06-13210 | • LENS,FRONT | 1 | SN: 26001- |
|||
| ? | 41G-06-13220 | • LENS,REAR | 1 | SN: 26001- |
|||
| ? | 08105-11220 | • BULB¤ 27W | 1 | SN: 26001- |
|||
| ? | 08055-00282 | • CONNECTOR | 1 | SN: 26001- |
|||
| ? | 42A-06-13140 | • BULB¤ 5W | 1 | SN: 26001- |
|||
| ? | 01220-40425 | • SCREW | 4 | SN: 26001- |
|||
| ? | 363-06-33150 | LAMP ASS'Y,REAR L.H. | 1 | SN: 26001- |
|||
| ? | 01220-40535 | • SCREW | 4 | SN: 26001- |
|||
| ? | 42A-06-13160 | • NUT | 4 | SN: 26001- |
|||
| ? | 42A-06-13150 | • LENS | 1 | SN: 26001- |
|||
| ? | 08056-00671 | • CONNECTOR | 1 | SN: 26001- |
|||
| ? | 08104-11220 | • BULB¤ 27/8W | 1 | SN: 26001- |
|||
| ? | 08105-11220 | • BULB¤ 27W | 2 | SN: 26001- |
|||
| ? | 363-06-33160 | LAMP ASS'Y,REAR R.H. | 1 | SN: 26001- |
|||
| ? | 01220-40535 | • SCREW | 4 | SN: 26001- |
|||
| ? | 42A-06-13160 | • NUT | 4 | SN: 26001- |
|||
| ? | 42A-06-13180 | • LENS | 1 | SN: 26001- |
|||
| ? | 08056-00671 | • CONNECTOR | 1 | SN: 26001- |
|||
| ? | 08104-11220 | • BULB¤ 27/8W | 1 | SN: 26001- |
|||
| ? | 08105-11220 | • BULB¤ 27W | 2 | SN: 26001- |
|||
| ? | 08160-71200 | HORN | 1 | SN: 26001- |
|||
| ? | 01435-00816 | BOLT | 2 | SN: 26001- |