k-part
Номер на схеме Каталожный номер Название Количество Детали
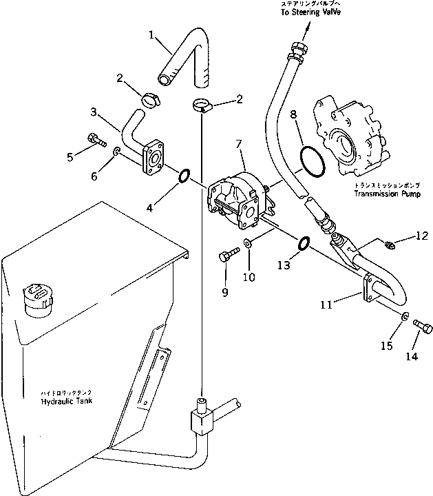
? 363-62-15170 HOSE 1
SN: 1001-
? 07281-00489 CLAMP 2
SN: 1001-
? 363-62-15110 TUBE 1
SN: 1001-
? 07000-13032 O-RING 1
SN: 1001-
? 01010-51030 BOLT 4
SN: 1001-
? 01602-21030 WASHER,SPRING 4
SN: 1001-
? (705-62-22010) STEERING PUMP ASS'Y 1
SN: 1001-
? 07000-02085 O-RING 1
SN: 1001-
? 01010-51035 BOLT 2
SN: 1001-
? 01643-31032 WASHER 2
SN: 1001-
? 363-62-15120 TUBE 1
SN: 1001-
? 07042-20108 PLUG 1
SN: 1001-
? 07000-13022 O-RING 1
SN: 1001-
? 01010-50830 BOLT 4
SN: 1001-
? 01602-20825 WASHER,SPRING 4
SN: 1001-

Wheel Loaders Komatsu / WA40-1 S/N 1001-UP(wa40-1r) / STEERING PIPING (1/2)(120030 : 4101)