| Номер на схеме | Каталожный номер | Название | Количество | Детали | |||
|---|---|---|---|---|---|---|---|
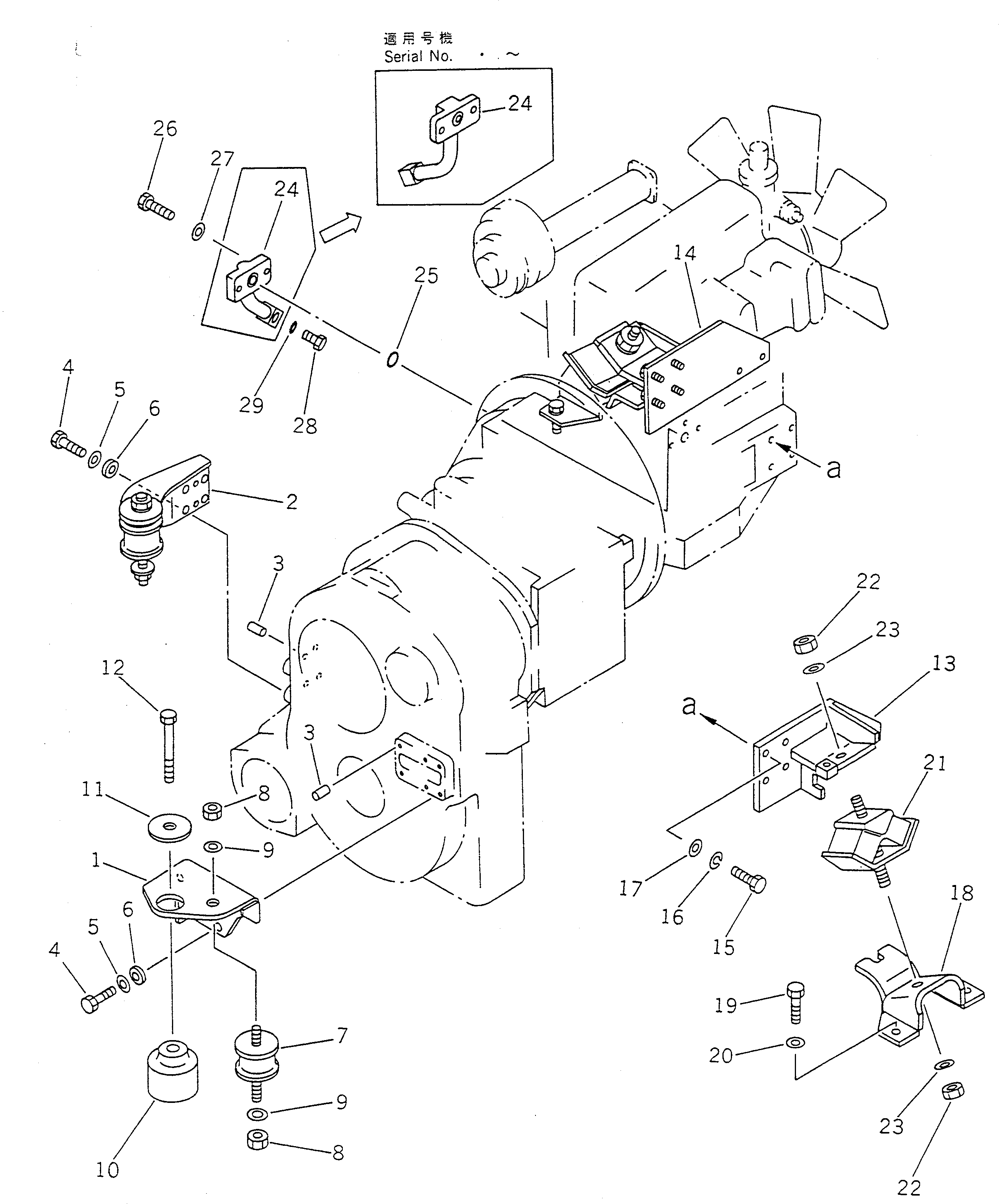
| ? | 363-01-22111 | BRACKET,FRONT¤ L.H. | 1 | SN: 3001- |
|||
| ? | 363-01-22121 | BRACKET,FRONT¤ R.H. | 1 | SN: 3001- |
|||
| ? | 04020-01024 | PIN,DOWEL | 3 | SN: 3001- |
|||
| ? | 01010-51245 | BOLT | 8 | SN: 3001- |
|||
| ? | 01643-31232 | WASHER | 8 | SN: 3001- |
|||
| ? | 363-01-22170 | SPACER | 8 | SN: 3001- |
|||
| ? | 362-01-32160 | CUSHION | 2 | SN: 3001- |
|||
| ? | 01580-11613 | NUT | 4 | SN: 3001- |
|||
| ? | 01643-31645 | WASHER | 4 | SN: 3001- |
|||
| ? | 363-01-22160 | STOPPER | 1 | SN: 3001- |
|||
| ? | 566-14-41170 | WASHER | 1 | SN: 3001- |
|||
| ? | 01011-51610 | BOLT | 1 | SN: 3001- |
|||
| ? | 363-01-22142 | BRACKET,REAR¤ L.H. | 1 | SN: 3001- |
|||
| ? | 363-01-22131 | BRACKET,REAR¤ R.H. | 1 | SN: 3001- |
|||
| ? | 01010-51030 | BOLT | 8 | SN: 3001- |
|||
| ? | 01602-21030 | WASHER,SPRING | 8 | SN: 3001- |
|||
| ? | 01643-31032 | WASHER | 8 | SN: 3001- |
|||
| ? | 363-01-22151 | BRACKET,REAR | 2 | SN: 3001- |
|||
| ? | 01010-51230 | BOLT | 4 | SN: 3001- |
|||
| ? | 01643-31232 | WASHER | 4 | SN: 3001- |
|||
| ? | 362-01-32150 | CUSHION | 2 | SN: 3001- |
|||
| ? | 01580-11613 | NUT | 4 | SN: 3001- |
|||
| ? | 01643-31645 | WASHER | 4 | SN: 3001- |
|||
| ? | 363-01-24112 | TUBE,OIL DRAIN | 1 | SN: .- |
|||
| ? | □363-01-24111 | TUBE,OIL DRAIN | 1 | SN: 3001-. |
|||
| ? | 07000-02018 | O-RING | 1 | SN: 3001- |
|||
| ? | 01010-50835 | BOLT | 2 | SN: 3001- |
|||
| ? | 01643-30823 | WASHER | 2 | SN: 3001- |
|||
| ? | 07040-11209 | PLUG,DRAIN | 1 | SN: 3001- |
|||
| ? | 07002-01223 | O-RING | 1 | SN: 3001- |
