k-part
Номер на схеме Каталожный номер Название Количество Детали
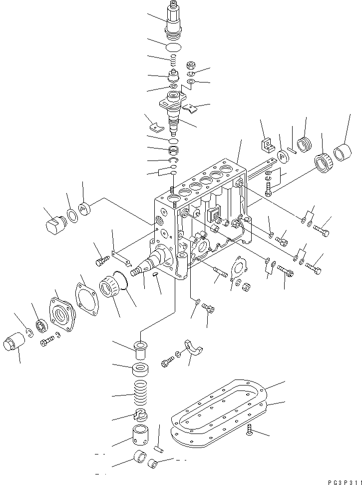
? 6212-71-1691 INJECTION PUMP A. 1
SN: 12599-
? THIS ASSEMBLY CONSISTS OF ALL PARTS SHOWN IN FIGS.0451 TO 0481.
? THE DENSO PART NUMBER IS THAT ND IS REMOVED FROM KOMATSU PART NUMBER LISTED BELOW.
? ND090100-6131 • BODY ASS'Y,PUMP 1
SN: 12599-
? ND090110-3450 • • HOUSING SUB ASS'Y 1
SN: 12599-
? ND949043-0010 • • • STUD 3
SN: 12599-
? ND090130-0300 • • HOLDER,DELIVERY 6
SN: 12599-
? ND090139-0050 • • O-RING 6
SN: 12599-
? ND090136-0350 • • SPRING,DELIVERY VALVE 6
SN: 12599-
? ND090140-1640 • • VALVE SUB ASS'Y,DELIVERY 6
SN: 12599-
? ND090137-0120 • • WASHER 6
SN: 12599-
? ND090150-3621 • • ELEMENT SUB ASS'Y 6
SN: 12599-
? ND090436-0181 • • COVER,ELEMENT 6
SN: 12599-
? ND949072-0780 • • RING,SNAP 6
SN: 12599-
? ND949140-1120 • • O-RING 12
SN: 12599-
? ND090139-0040 • • O-RING 6
SN: 12599-
? ND090438-0710 • • SHIM ? 0.7MM A/R
SN: 12599-
? ND090438-0720 • • SHIM ? 0.75MM A/R
SN: 12599-
? ND090438-0730 • • SHIM ? 0.8MM A/R
SN: 12599-
? ND090438-0740 • • SHIM ? 0.85MM A/R
SN: 12599-
? ND090438-0750 • • SHIM ? 0.9MM A/R
SN: 12599-
? ND090438-0760 • • SHIM ? 0.95MM A/R
SN: 12599-
? ND090438-0770 • • SHIM ? 1.0MM A/R
SN: 12599-
? ND090438-0780 • • SHIM ? 1.05MM A/R
SN: 12599-
? ND090438-0790 • • SHIM ? 1.1MM A/R
SN: 12599-
? ND090438-0800 • • SHIM ? 1.15MM A/R
SN: 12599-
? ND090438-0810 • • SHIM ? 1.2MM A/R
SN: 12599-
? ND090438-0820 • • SHIM ? 1.25MM A/R
SN: 12599-
? ND090438-0830 • • SHIM ? 1.3MM A/R
SN: 12599-
? ND090438-0840 • • SHIM ? 1.35MM A/R
SN: 12599-
? ND090438-0080 • • SHIM ? 1.4MM A/R
SN: 12599-
? ND090438-0090 • • SHIM ? 1.45MM A/R
SN: 12599-
? ND090438-0100 • • SHIM ? 1.5MM A/R
SN: 12599-
? ND090438-0110 • • SHIM ? 1.55MM A/R
SN: 12599-
? ND090438-0120 • • SHIM ? 1.6MM A/R
SN: 12599-
? ND90258-10001 • • WASHER,SPRING 12
SN: 12599-
? ND949011-7040 • • WASHER 12
SN: 12599-
? ND090210-0541 • • CONTROL RACK ASS'Y 1
SN: 12599-
? ND090114-0060 • • BUSHING,CONTROL RACK 2
SN: 12599-
? ND949082-0290 • • PIN 1
SN: 12599-
? ND090367-0010 • • BUSHING 1
SN: 12599-
? ND090160-0020 • • SLEEVE 6
SN: 12599-
? ND090163-0060 • • SEAT,UPPER 6
SN: 12599-
? ND090164-0230 • • SPRING,PLUNGER 6
SN: 12599-
? ND090165-0180 • • SEAT,LOWER 6
SN: 12599-
? ND090170-0270 • • TAPPET ASS'Y 6
SN: 12599-
? ND090181-0170 • • • ROLLER 1
SN: 12599-
? ND090178-0060 • • • BUSHING 1
SN: 12599-
? ND090169-0180 • • • BODY 1
SN: 12599-
? ND090176-0080 • • • PIN 1
SN: 12599-
? ND090191-1080 • • CAMSHAFT 1
SN: 12599-
? ND090361-0140 • • BEARING,CENTER 1
SN: 12599-
? ND949101-0170 • • BEARING,ROLLER 1
SN: 12599-
? ND090201-0620 • • COVER,BEARING 1
SN: 12599-
? ND949150-2290 • • SEAL,OIL 1
SN: 12599-
? ND090139-0060 • • O-RING 1
SN: 12599-
? ND090208-0150 • • SHIM ? 0.03MM A/R
SN: 12599-
? ND090208-0160 • • SHIM ? 0.05MM A/R
SN: 12599-
? ND090208-0170 • • SHIM ? 0.07MM A/R
SN: 12599-
? ND090208-0180 • • SHIM ? 0.1MM A/R
SN: 12599-
? ND090208-0190 • • SHIM ? 0.2MM A/R
SN: 12599-
? ND090208-0200 • • SHIM ? 0.3MM A/R
SN: 12599-
? ND090208-0210 • • SHIM ? 0.5MM A/R
SN: 12599-
? ND090433-0010 • • RETAINER,BEARING 1
SN: 12599-
? ND090317-0070 • • PLUG 1
SN: 12599-
? ND090317-0060 • • PLUG 6
SN: 12599-
? ND090271-0380 • • PLATE,COVER 1
SN: 12599-
? ND90045-06121 • • SCREW 12
SN: 12599-
? ND949101-0170 • • BEARING,ROLLER 1
SN: 12599-
? ND949180-0310 • • SCREW 2
SN: 12599-
? ND090310-0210 • • VALVE ASS'Y,OVER FLOW 1
SN: 12599-
? ND090222-0070 • • WASHER 6
SN: 12599-
? ND949047-1790 • • BOLT 2
SN: 12599-
? ND090106-0040 • • GASKET,FEED PUMP 1
SN: 12599-
? ND090272-0260 • • GASKET,COVER 1
SN: 12599-
? ND949018-0710 • • WASHER ? 2MM,PLATE 1
SN: 12599-
? ND949018-1500 • • WASHER ? 1MM,PLATE 6
SN: 12599-
? ND090118-0270 • • NEEDLE,TIMING 1
SN: 12599-
? ND90458-05750 • KEY 1
SN: 12599-
? ND090018-0110 • COVER,CONTROL RACK 1
SN: 12599-
? ND949018-0710 • WASHER ? 2MM 1
SN: 12599-
? ND090012-0310 • NUT 1
SN: 12599-
? ND949014-0320 • WASHER,SPRING 1
SN: 12599-

Engines Komatsu / SA6D140-A-1T S/N 12599-UP(sa6d146r) / FUEL INJECTION PUMP (PUMP)(120050 : 0451)
?
?
?
?
?
?
?
?
?
?
?
?
?
?
?
?
?
?
?
?
?
?
?
?
?
?
?
?
?
?
?
?
?
?
?
?
?
?
?
?
?
?
?
?
?
?
?
?
?
?
?
?
?
?
?
?
?
?
?
?