| Номер на схеме | Каталожный номер | Название | Количество | Детали | |||
|---|---|---|---|---|---|---|---|
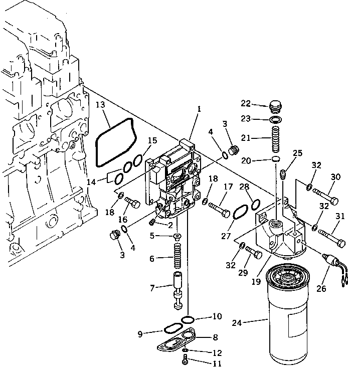
| ? | 6211-51-5500 | ADAPTER ASS'Y | 1 | SN: 12599- |
|||
| ? | ☆ | • BODY | 1 | SN: 12599- |
|||
| ? | 07043-00211 | • PLUG | 1 | SN: 12599- |
|||
| ? | 6210-51-5570 | • PLUG | 2 | SN: 12599- |
|||
| ? | 07000-62018 | • O-RING | 2 | SN: 12599- |
|||
| ? | 6210-51-5590 | • SEAT | 1 | SN: 12599- |
|||
| ? | 6210-51-5560 | • SPRING | 1 | SN: 12599- |
|||
| ? | 6210-51-5550 | • VALVE | 1 | SN: 12599- |
|||
| ? | 6211-51-5520 | • COVER | 1 | SN: 12599- |
|||
| ? | 6210-51-5580 | • O-RING | 1 | SN: 12599- |
|||
| ? | 07000-63032 | • O-RING | 1 | SN: 12599- |
|||
| ? | 01010-30816 | • BOLT | 3 | SN: 12599- |
|||
| ? | 01640-20816 | • WASHER | 3 | SN: 12599- |
|||
| ? | 6210-21-6460 | O-RING (K2) | 1 | SN: 12599- |
|||
| ? | 07000-63028 | O-RING (K2) | 2 | SN: 12599- |
|||
| ? | 07000-63032 | O-RING (K2) | 1 | SN: 12599- |
|||
| ? | 01010-51030 | BOLT | 2 | SN: 12599- |
|||
| ? | 01010-51060 | BOLT | 5 | SN: 12599- |
|||
| ? | 01640-01016 | WASHER | 7 | SN: 12599- |
|||
| ? | 6211-51-5400 | OIL FILTER ASS'Y | 1 | SN: 12599- |
|||
| ? | 6211-51-5410 | • BRACKET | 1 | SN: 12599- |
|||
| ? | 6162-53-5450 | • PACKING | 1 | SN: 12599- |
|||
| ? | 600-211-1870 | • SPRING | 1 | SN: 12599- |
|||
| ? | 6162-53-5420 | • CAP | 1 | SN: 12599- |
|||
| ? | 6162-53-5430 | • PACKING | 1 | SN: 12599- |
|||
| ? | 600-211-1230 | • CARTRIDGE | 1 | SN: 12599- |
|||
| ? | 07042-00108 | PLUG | 1 | SN: 12599- |
|||
| ? | 600-815-1940 | SWITCH,PRESSURE | 1 | SN: 12599- |
|||
| ? | 07000-63048 | O-RING (K2) | 1 | SN: 12599- |
|||
| ? | 07000-63032 | O-RING (K2) | 1 | SN: 12599- |
|||
| ? | 01010-51030 | BOLT | 1 | SN: 12599- |
|||
| ? | 01010-51075 | BOLT | 3 | SN: 12599- |
|||
| ? | 01010-51085 | BOLT | 1 | SN: 12599- |
|||
| ? | 01640-21016 | WASHER | 5 | SN: 12599- |
