| Номер на схеме | Каталожный номер | Название | Количество | Детали | |||
|---|---|---|---|---|---|---|---|
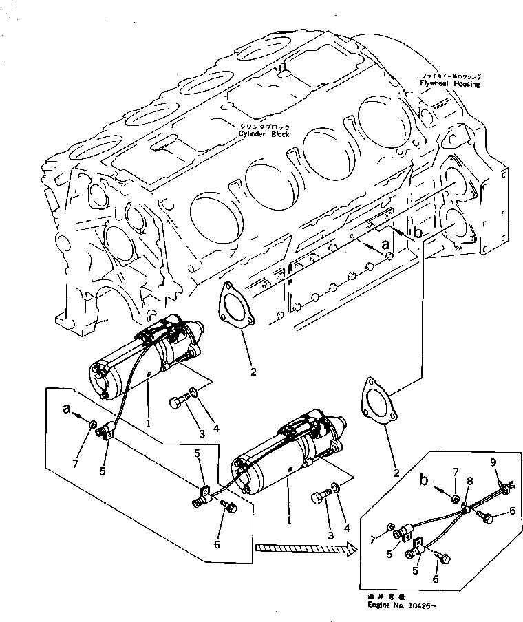
| ? | (600-813-3951) | STARTING MOTOR ASS'Y,(11KW) | 2 | SN: 10295- |
|||
| ? | □600-813-3950 | STARTING MOTOR ASS'Y,(11KW) | 2 | SN: 10001-10294 |
|||
| ? | 6610-81-2210 | GASKET (K2) | 2 | SN: 10001- |
|||
| ? | 01010-31645 | BOLT | 6 | SN: 10001- |
|||
| ? | 01602-01648 | WASHER,SPRING | 6 | SN: 10001- |
|||
| ? | 600-050-2620 | CLIP | 2 | SN: 10001- |
|||
| ? | 01435-01030 | BOLT | 2 | SN: 10429- |
|||
| ? | 01435-01030 | BOLT | 1 | SN: 10001-10428 |
|||
| ? | 6110-23-6490 | SPACER | 2 | SN: 10429- |
|||
| ? | 6110-23-6490 | SPACER | 1 | SN: 10001-10428 |
|||
| ? | 08036-31214 | CLIP | 1 | SN: 10429- |
|||
| ? | 08034-00310 | BAND | 1 | SN: 10429- |
