| Номер на схеме | Каталожный номер | Название | Количество | Детали | |||
|---|---|---|---|---|---|---|---|
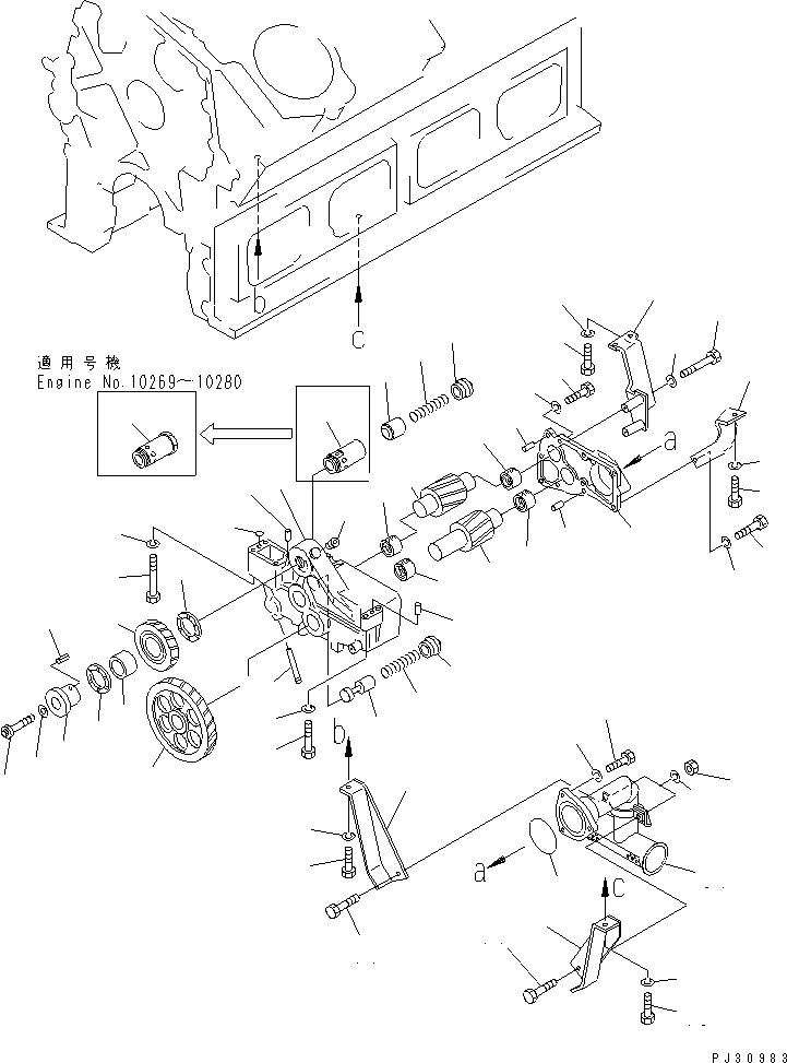
| ? | 6164-51-1003 | OIL PUMP ASS'Y | 1 | SN: 10397-10511 |
|||
| ? | ♦6164-51-1002 | OIL PUMP ASS'Y | 1 | SN: 10281-10396 |
|||
| ? | □6164-51-1001 | OIL PUMP ASS'Y | 1 | SN: 10269-10280 |
|||
| ? | ♦6164-51-1000 | OIL PUMP ASS'Y | 1 | SN: 10001-10268 |
|||
| ? | 6164-51-1201 | • HOUSING ASS'Y | 1 | SN: 10281-10511 |
|||
| ? | 6164-51-1200 | • HOUSING ASS'Y | 1 | SN: 10001-10280 |
|||
| ? | ☆ | • • HOUSING | 1 | SN: 10281-10511 |
|||
| ? | ☆ | • • HOUSING | 1 | SN: 10001-10280 |
|||
| ? | 6164-51-1180 | • • BUSHING | 2 | SN: 10001-@ |
|||
| ? | 6164-51-1400 | • COVER ASS'Y | 1 | SN: 10001-@ |
|||
| ? | ☆ | • • COVER | 1 | SN: 10001-@ |
|||
| ? | 6164-51-1180 | • • BUSHING | 2 | SN: 10001-@ |
|||
| ? | 6164-51-1240 | • GEAR | 1 | SN: 10001-10511 |
|||
| ? | 6164-51-1510 | • GEAR | 1 | SN: 10001-@ |
|||
| ? | 6164-51-1260 | • GEAR | 1 | SN: 10001-10511 |
|||
| ? | 6164-51-1851 | • SHAFT | 1 | SN: 10397-@ |
|||
| ? | 6164-51-1850 | • SHAFT | 1 | SN: 10001-10396 |
|||
| ? | 6164-21-2470 | • BEARING | 2 | SN: 10001-@ |
|||
| ? | 6164-51-1802 | • GEAR ASS'Y | 1 | SN: 10397-@ |
|||
| ? | ♦6164-51-1801 | • GEAR ASS'Y | 1 | SN: 10269-10396 |
|||
| ? | ♦6164-51-1800 | • GEAR ASS'Y | 1 | SN: 10001-10268 |
|||
| ? | ☆ | • • GEAR | 1 | SN: 10001-@ |
|||
| ? | 6164-51-1170 | • • BUSHING | 1 | SN: 10397-@ |
|||
| ? | 6164-51-1171 | • • BUSHING | 1 | SN: 10269-10396 |
|||
| ? | ♦6164-51-1170 | • • BUSHING | 1 | SN: 10001-10268 |
|||
| ? | 04025-00512 | • PIN,SPRING | 1 | SN: 10001-@ |
|||
| ? | 6164-51-1150 | • BOLT | 1 | SN: 10001-@ |
|||
| ? | 01643-31645 | • WASHER | 1 | SN: 10001-@ |
|||
| ? | 07043-00108 | • PLUG | 1 | SN: 10001-@ |
|||
| ? | 04020-01024 | • PIN,DOWEL | 2 | SN: 10001-@ |
|||
| ? | 01010-31030 | • BOLT | 8 | SN: 10001-@ |
|||
| ? | 01602-01030 | • WASHER,SPRING | 8 | SN: 10001-@ |
|||
| ? | 6165-51-1670 | • PIN | 1 | SN: 10001-@ |
|||
| ? | 6164-51-1611 | • PLUNGER | 1 | SN: 10269-@ |
|||
| ? | ♦6164-51-1610 | • PLUNGER | 1 | SN: 10001-10268 |
|||
| ? | 6164-51-1630 | • SPRING | 1 | SN: 10001-@ |
|||
| ? | 6164-51-1711 | • BODY | 1 | SN: 10269-10280 |
|||
| ? | ♦6164-51-1710 | • BODY | 1 | SN: 10001-10268 |
|||
| ? | 6164-51-1730 | • PLUNGER | 1 | SN: 10001-@ |
|||
| ? | 6164-51-1750 | • SPRING | 1 | SN: 10001-@ |
|||
| ? | 6164-51-1650 | • PLUG | 2 | SN: 10001-@ |
|||
| ? | 04020-01024 | PIN,DOWEL | 2 | SN: 10001-@ |
|||
| ? | 07000-61009 | O-RING (K2) | 1 | SN: 10001-@ |
|||
| ? | 01010-31085 | BOLT | 3 | SN: 10001-@ |
|||
| ? | 01010-31050 | BOLT | 2 | SN: 10001-@ |
|||
| ? | 01602-01030 | WASHER,SPRING | 5 | SN: 10001-@ |
|||
| ? | 6164-51-6210 | PIPE,OIL SUCTION | 1 | SN: 10001-10511 |
|||
| ? | 6164-51-6410 | O-RING (K2) | 1 | SN: 10001-@ |
|||
| ? | 01010-31035 | BOLT | 3 | SN: 10001-@ |
|||
| ? | 01602-01030 | WASHER,SPRING | 3 | SN: 10001-@ |
|||
| ? | 6164-51-3110 | BRACKET | 1 | SN: 10001-10511 |
|||
| ? | 6164-51-3120 | BRACKET | 1 | SN: 10001-@ |
|||
| ? | 01010-31025 | BOLT | 3 | SN: 10001-@ |
|||
| ? | 01010-31095 | BOLT | 2 | SN: 10001-10511 |
|||
| ? | 01010-31040 | BOLT | 1 | SN: 10001-10511 |
|||
| ? | 01602-01030 | WASHER,SPRING | 6 | SN: 10001-@ |
|||
| ? | 6164-51-6350 | BRACKET | 1 | SN: 10001-10511 |
|||
| ? | 6164-51-6360 | BRACKET | 1 | SN: 10001-10511 |
|||
| ? | 01010-31025 | BOLT | 2 | SN: 10001-@ |
|||
| ? | 01010-31030 | BOLT | 2 | SN: 10001-@ |
|||
| ? | 01602-01030 | WASHER,SPRING | 4 | SN: 10001-@ |
|||
| ? | 01580-01008 | NUT | 2 | SN: 10001-@ |