| Номер на схеме | Каталожный номер | Название | Количество | Детали | |||
|---|---|---|---|---|---|---|---|
| ? | 6164-21-6411 | COVER | 2 | SN: 10042- |
|||
| ? | 6164-21-6431 | GASKET (K2) | 2 | SN: 10192- |
|||
| ? | 01010-31025 | BOLT | 2 | SN: 10406- |
|||
| ? | 01643-31032 | WASHER | 2 | SN: 10406- |
|||
| ? | 07043-50617 | PLUG | 1 | SN: 10007- |
|||
| ? | 6127-61-8411 | VALVE ASS'Y,DRAIN | 1 | SN: 10007- |
|||
| ? | 01010-31035 | BOLT | 12 | SN: 10406- |
|||
| ? | 205-965-1310 | SPACER | 12 | SN: 10406- |
|||
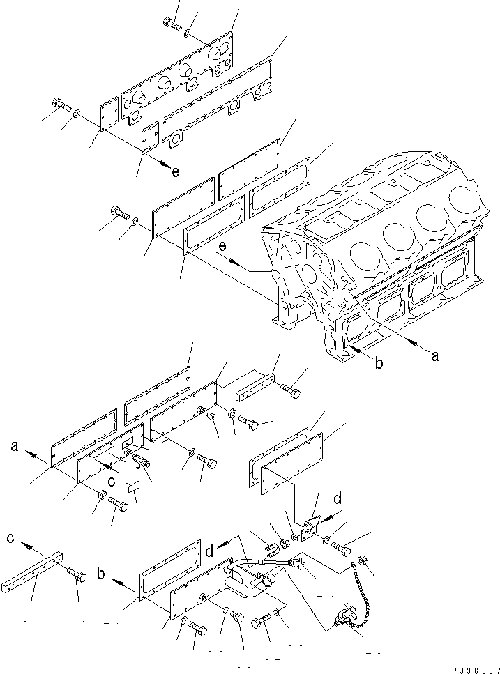
| ? | 6164-21-6780 | PLATE | 1 | SN: 10406- |
|||
| ? | 6164-21-6790 | PLATE | 1 | SN: 10406- |
|||
| ? | 01010-31040 | BOLT | 8 | SN: 10406- |
|||
| ? | 6164-21-6452 | COVER | 1 | SN: 10246- |
|||
| ? | (☒6164-21-6451) | COVER | 1 | SN: (10246-10425) |
|||
| ? | 6164-21-6470 | GASKET (K2) | 1 | SN: 10007- |
|||
| ? | 6164-21-6550 | COVER | 1 | SN: 10007- |
|||
| ? | 6164-21-6570 | GASKET (K2) | 1 | SN: 10007- |
|||
| ? | 01010-31016 | BOLT | 10 | SN: 10007- |
|||
| ? | 01010-31025 | BOLT | 8 | SN: 10007- |
|||
| ? | 01602-01030 | WASHER,SPRING | 18 | SN: 10007- |
|||
| ? | 6164-21-6510 | COVER | 3 | SN: 10007- |
|||
| ? | 6164-21-5653 | FILLER,OIL | 1 | SN: 10450- |
|||
| ? | □6164-21-5652 | FILLER,OIL | 1 | SN: 10231-10449 |
|||
| ? | 6164-21-6350 | GASKET (K2) | 4 | SN: 10007- |
|||
| ? | 01010-31025 | BOLT | 54 | SN: 10339- |
|||
| ? | 01602-01030 | WASHER,SPRING | 54 | SN: 10339- |
|||
| ? | 6164-21-5401 | GAUGE,OIL | 1 | SN: 10513- |
|||
| ? | □6164-21-5400 | GAUGE,OIL | 1 | SN: 10007-10512 |
|||
| ? | 07025-00050 | CAP,FILLER | 1 | SN: 10007- |
|||
| ? | 6164-21-5421 | BRACKET | 1 | SN: 10339- |
|||
| ? | 01010-31055 | BOLT | 2 | SN: 10339- |
|||
| ? | 01643-31032 | WASHER | 2 | SN: 10339- |
|||
| ? | 07283-22236 | CLIP | 1 | SN: 10339- |
|||
| ? | 01599-01011 | NUT | 2 | SN: 10339- |
|||
| ? | 01643-31032 | WASHER | 2 | SN: 10339- |
|||
| ? | 01010-31025 | BOLT | 1 | SN: 10007- |
|||
| ? | 01602-01030 | WASHER,SPRING | 1 | SN: 10007- |
|||
| ? | 01580-01008 | NUT | 1 | SN: 10007- |
|||
| ? | 07040-11409 | PLUG | 1 | SN: 10246- |
|||
| ? | 07002-01423 | O-RING (K2) | 1 | SN: 10246- |
|||
| ? | 6164-81-2310 | PLATE¤ NAME,(JAPANESE-ENGLISH) | 1 | SN: 10007- |
|||
| ? | 6164-81-2340 | PLATE¤ NAME,(SPANISH) | 1 | SN: 10007- |
|||
| ? | 6164-81-1190 | PLATE | 1 | SN: 10007- |