k-part
Номер на схеме Каталожный номер Название Количество Детали
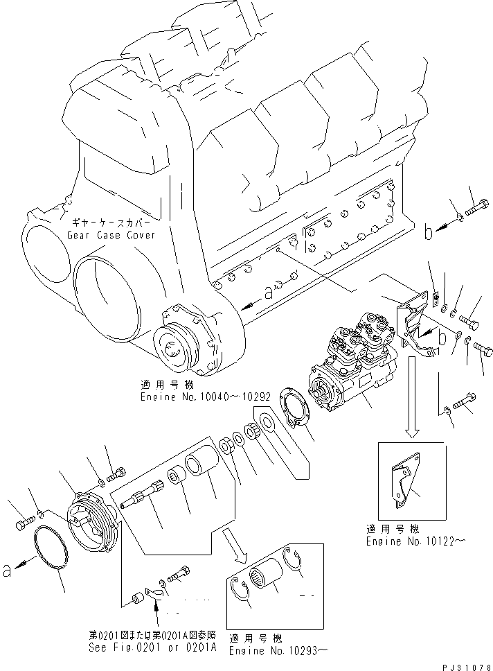
? (6165-91-1005) AIR COMPRESSOR ASS'Y,(SEE FIG.0711B) 1
SN: 10293-
? (☒6165-91-1004) AIR COMPRESSOR ASS'Y,(SEE FIG.0711A) 1
SN: (10293-10436)
? (□6165-91-1001) AIR COMPRESSOR ASS'Y,(SEE FIG.0711) 1
SN: 10246-10292
? (□6165-91-1000) AIR COMPRESSOR ASS'Y,(SEE FIG.0711) 1
SN: 10040-10245
? 6164-81-6110 CASE 1
SN: 10040-
? 6710-91-2222 GASKET (K8) 1
SN: 10040-
? 01010-31235 BOLT 4
SN: 10040-
? 01602-01230 WASHER,SPRING 4
SN: 10040-
? 6164-91-1640 COUPLING 1
SN: 10040-
? 6164-91-1630 WASHER 1
SN: 10040-10292
? 232-64-12160 NUT 1
SN: 10040-
? 6164-91-1650 WASHER 1
SN: 10293-
? 135-94-51530 WASHER 1
SN: 10040-10292
? 6164-91-1600 COUPLING ASS'Y 1
SN: 10040-10292
? • COUPLING 1
SN: 10040-10292
? • COUPLING 1
SN: 10040-10292
? 6164-91-1670 SHAFT 1
SN: 10040-10292
? 6164-21-3831 O-RING (K8) 1
SN: 10253-
? 6164-21-3830 O-RING (K8) 1
SN: 10040-10252
? 01010-31030 BOLT 5
SN: 10040-
? (01010-31035) BOLT 1
SN: 10040-
? 01602-01030 WASHER,SPRING 6
SN: 10040-
? 6166-21-9512 BRACKET 1
SN: 10437-
? □6166-21-9511 BRACKET 1
SN: 10122-10436
? □6166-21-9510 BRACKET 1
SN: 10040-10121
? 426-06-11570 BRACKET 1
SN: 10117-
? 01010-31035 BOLT 1
SN: 10117-
? 01010-31030 BOLT 1
SN: 10040-10116
? 01010-31030 BOLT 2
SN: 10040-
? 01602-01030 WASHER,SPRING 3
SN: 10040-
? 01643-31032 WASHER 3
SN: 10040-
? 01010-31240 BOLT 2
SN: 10122-
? 01010-31240 BOLT 3
SN: 10040-10121
? 01602-01236 WASHER,SPRING 2
SN: 10122-
? 01602-01236 WASHER,SPRING 3
SN: 10040-10121
? 6164-91-1612 COUPLING 1
SN: 10293-
? 04065-05020 RING,SNAP 2
SN: 10293-

Engines Komatsu / SA8V170-1C S/N 10040-UP(sa8v171r) / AIR COMPRESSOR AND MOUNTING(210010 : 0701)
?
?
?
?
?
?
?
?
?
?
?
?
?
?
?
?
?
?
?
?
?
?
?
?
?
?
?
?
?
?
?
?
?