| Номер на схеме | Каталожный номер | Название | Количество | Детали | |||
|---|---|---|---|---|---|---|---|
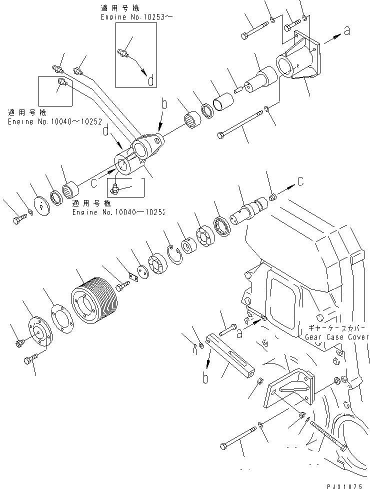
| ? | 6164-61-3800 | TENSION ASS'Y | 1 | SN: 10040- |
|||
| ? | 6164-61-3880 | • BRACKET ASS'Y | 1 | SN: 10040- |
|||
| ? | 6164-61-3830 | • • BRACKET | 1 | SN: 10040- |
|||
| ? | 6715-61-3720 | • • SHAFT | 1 | SN: 10040- |
|||
| ? | 04020-00514 | • PIN,DOWEL | 1 | SN: 10040- |
|||
| ? | 6164-61-3870 | • LEVER ASS'Y | 1 | SN: 10040- |
|||
| ? | 6164-61-3820 | • • LEVER | 1 | SN: 10040- |
|||
| ? | 6715-61-3840 | • • SHAFT | 1 | SN: 10040- |
|||
| ? | 07043-00108 | • PLUG | 1 | SN: 10040- |
|||
| ? | 07020-00000 | • FITTING,GREASE | 2 | SN: 10253- |
|||
| ? | 07020-00000 | • FITTING,GREASE | 1 | SN: 10040-10252 |
|||
| ? | 07029-00000 | • VALVE | 1 | SN: 10253- |
|||
| ? | 07029-00000 | • VALVE | 2 | SN: 10040-10252 |
|||
| ? | 07020-00900 | • FITTING,GREASE | 1 | SN: 10040-10252 |
|||
| ? | 6715-61-3920 | • RACE | 1 | SN: 10040- |
|||
| ? | 06120-05025 | • BEARING | 2 | SN: 10040- |
|||
| ? | 06122-05004 | • SEAL,BEARING (K2) | 2 | SN: 10040- |
|||
| ? | 6162-62-3780 | • PLATE | 1 | SN: 10040- |
|||
| ? | 01050-31020 | • BOLT | 1 | SN: 10040- |
|||
| ? | 01653-21012 | • WASHER,LOCK (K2) | 1 | SN: 10040- |
|||
| ? | 6162-62-3750 | • SPACER | 1 | SN: 10040- |
|||
| ? | 06000-06208 | • BEARING | 2 | SN: 10040- |
|||
| ? | 04065-08025 | • RING,SNAP | 1 | SN: 10040- |
|||
| ? | 07012-00058 | • SEAL,OIL (K2) | 1 | SN: 10040- |
|||
| ? | 6162-62-3830 | • COVER | 1 | SN: 10040- |
|||
| ? | 01010-30820 | • BOLT | 2 | SN: 10040- |
|||
| ? | 6162-62-3790 | • PLATE,LOCK (K2) | 1 | SN: 10040- |
|||
| ? | 6164-61-3810 | • PULLEY | 1 | SN: 10040- |
|||
| ? | 6166-61-2730 | • COVER | 1 | SN: 10040- |
|||
| ? | 07029-00000 | • VALVE | 1 | SN: 10040- |
|||
| ? | 6162-62-3740 | • GASKET (K2) | 1 | SN: 10040- |
|||
| ? | 6127-41-1150 | • BOLT | 4 | SN: 10040- |
|||
| ? | 01010-31240 | BOLT | 1 | SN: 10040- |
|||
| ? | 01011-31245 | BOLT | 1 | SN: 10040- |
|||
| ? | 01602-01236 | WASHER,SPRING | 2 | SN: 10040- |
|||
| ? | 6164-61-3850 | BOLT | 1 | SN: 10040- |
|||
| ? | 01602-01442 | WASHER,SPRING | 1 | SN: 10040- |
|||
| ? | 6164-61-3760 | BRACKET | 1 | SN: 10040- |
|||
| ? | 01011-31490 | BOLT | 2 | SN: 10351- |
|||
| ? | 01011-31495 | BOLT | 2 | SN: 10040-10350 |
|||
| ? | 01602-01442 | WASHER,SPRING | 2 | SN: 10040-10350 |
|||
| ? | 6164-61-3750 | YOKE | 1 | SN: 10040- |
|||
| ? | 01582-01815 | NUT | 1 | SN: 10040- |
|||
| ? | 6164-61-3770 | BOLT | 1 | SN: 10040- |
|||
| ? | 01643-21845 | WASHER | 1 | SN: 10040- |
|||
| ? | 6164-61-3780 | WASHER | 1 | SN: 10040- |
|||
| ? | 04205-11448 | PIN | 1 | SN: 10351- |
|||
| ? | □04205-01448 | PIN | 1 | SN: 10040-10350 |
|||
| ? | 01641-21423 | WASHER | 1 | SN: 10040- |
|||
| ? | 04050-24028 | PIN,COTTER | 1 | SN: 10040- |