k-part
Номер на схеме Каталожный номер Название Количество Детали
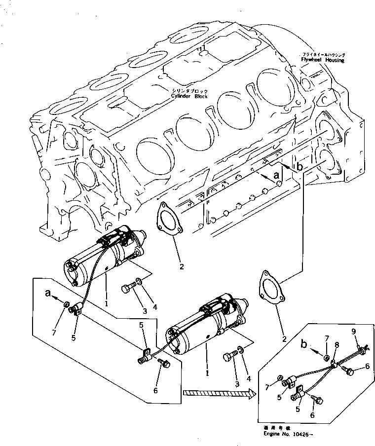
? (600-813-3941) STARTING MOTOR A.,(11KW) (SEE FIG.0661A) 2
SN: 10293-
KIT-FLAG: _-
SERIALNO: 10293-
? (□600-813-3940) STARTING MOTOR A.,(11KW) (SEE FIG.0661) 2
SN: 10040-10292
KIT-FLAG: _-
SERIALNO: 10040-10292
? 6610-81-2210 GASKET (K2) 2
SN: 10040-
KIT-FLAG: _-
SERIALNO: 10040-
? 01010-31645 BOLT 6
SN: 10040-
KIT-FLAG: _-
SERIALNO: 10040-
? 01602-01648 WASHER,SPRING 6
SN: 10040-
KIT-FLAG: _-
SERIALNO: 10040-
? 600-050-2620 CLIP 2
SN: 10040-
KIT-FLAG: _-
SERIALNO: 10040-
? 01435-01030 BOLT 2
SN: 10436-
KIT-FLAG: _-
SERIALNO: 10436-
? 01435-01030 BOLT 1
SN: 10040-10435
KIT-FLAG: _-
SERIALNO: 10040-10435
? 6110-23-6490 SPACER 2
SN: 10436-
KIT-FLAG: _-
SERIALNO: 10436-
? 6110-23-6490 SPACER 1
SN: 10040-10435
KIT-FLAG: _-
SERIALNO: 10040-10435
? 08036-31214 CLIP 1
SN: 10436-
KIT-FLAG: _-
SERIALNO: 10436-
? 08034-00310 BAND 1
SN: 10436-
KIT-FLAG: _-
SERIALNO: 10436-

Engines Komatsu / SA8V170-1C S/N 10040-UP(sa8v171c) / STARTING MOTOR AND MOUNTING(180030 : 0621)