k-part
Номер на схеме Каталожный номер Название Количество Детали
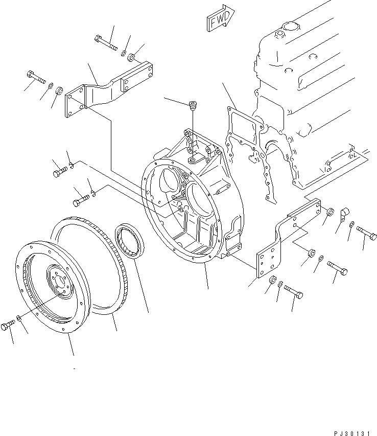
? 6136-21-4230 HOUSING,FLYWHEEL 1
SN: 63244-
KIT-FLAG: _-
SERIALNO: 63244-
? 02720-20810 PLUG 1
SN: 63244-
KIT-FLAG: _-
SERIALNO: 63244-
? 6136-21-4812 GASKET (K2) 1
SN: 63244-
KIT-FLAG: _-
SERIALNO: 63244-
? 01010-31240 BOLT 9
SN: 63244-
KIT-FLAG: _-
SERIALNO: 63244-
? 01010-31260 BOLT 2
SN: 63244-
KIT-FLAG: _-
SERIALNO: 63244-
? 01602-01236 WASHER,SPRING 11
SN: 63244-
KIT-FLAG: _-
SERIALNO: 63244-
? 6130-21-4231 SEAL, REAR (K2) 1
SN: 63244-
KIT-FLAG: _-
SERIALNO: 63244-
? 6136-31-1160 FLYWHEEL ASS'Y 1
SN: 63244-
KIT-FLAG: _-
SERIALNO: 63244-
? • FLYWHEEL 1
SN: 63244-
KIT-FLAG: _-
SERIALNO: 63244-
? 6130-32-1321 • GEAR,RING 1
SN: 85129-
KIT-FLAG: _-
SERIALNO: 85129-
? □6130-32-1320 • GEAR,RING 1
SN: 63244-85128
KIT-FLAG: _-
SERIALNO: 63244-85128
? 01050-31435 BOLT 6
SN: 63244-
KIT-FLAG: _-
SERIALNO: 63244-
? 6110-11-1620 WASHER 6
SN: 63244-
KIT-FLAG: _-
SERIALNO: 63244-
? 6136-21-4640 SUPPORT,L.H. 1
SN: 63244-
KIT-FLAG: _-
SERIALNO: 63244-
? 6136-21-4630 SUPPORT,R.H. 1
SN: 63244-
KIT-FLAG: _-
SERIALNO: 63244-
? 01010-31245 BOLT 8
SN: 63244-
KIT-FLAG: _-
SERIALNO: 63244-
? 01010-31265 BOLT 4
SN: 63244-
KIT-FLAG: _-
SERIALNO: 63244-
? 01010-31255 BOLT 4
SN: 63244-
KIT-FLAG: _-
SERIALNO: 63244-
? 01643-31232 WASHER 16
SN: 63244-
KIT-FLAG: _-
SERIALNO: 63244-
? 6131-22-3760 BOSS 14
SN: 63244-
KIT-FLAG: _-
SERIALNO: 63244-
? 08036-10814 CLIP 1
SN: 63244-
KIT-FLAG: _-
SERIALNO: 63244-

Engines Komatsu / S6D105-1X S/N 63244-UP(s6d105hc) / FLYWHEEL AND FLYWHEEL HOUSING (KEY STOP TYPE)(060050 : 0221)
?
?
?
?
?
?
?
?
?
?
?
?
?
?
?
?
?
?
?
?
?
?
?
?
?
?
?
?
?
?